电脑桌面
添加小米粒文库到电脑桌面
安装后可以在桌面快捷访问

沈抚城际铁路水家道口工程VIP免费

沈抚城际铁路水家道口工程_第1页
1/60
沈抚城际铁路水家道口工程_第2页
2/60
沈抚城际铁路水家道口工程_第3页
3/60
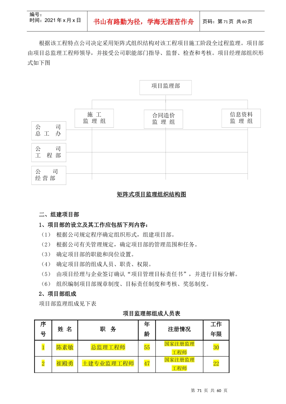
第69页共60页编号:时间:2021年x月x日书山有路勤为径,学海无涯苦作舟页码:第69页共60页第一章工程概况一、工程名称:沈抚城际铁路水家道口工程二、建设地点:浑南新区文溯街三、建设单位:浑南新区建设局四、工期:以施工单位合同工期为准,工程竣工后保修期满,监理任务结束。五、质量要求:合格六、建设规模:沈抚城际铁路水家道口工程路基挖方84493立方米,挡墙1604立方米,路面22480平方米,铁路框构桥310.5,公路框构桥1666平方米,绿化工程和路灯工程各0.8公里。七、监理工作重点、难点:1、工程特点:本工程属于市政工程,单项工程多。具有施工干扰大、工期紧的特点。2、实施难点:本工程的最大难点首先是单项工程多,质量管理、安全管理是重点;其次是周围各种建筑物、各种管线,错综复杂,涉及一定数量的动迁,现场的沟通、协调尤其重要、尤其关键。再次就是施工分项多,有可能涉及设计变更和现场签证,投资控制是重点。第二章监理工作范围和工作目标一、监理工作范围、工作内容1、工作范围沈抚城际铁路水家道口工程、竣工验收以及缺陷责任期全过程的施工监理内容。2、工作内容:施工阶段四控、两管、一协调。四控:进度控制、质量控制、造价控制和安全控制;两管:合同管理、信息管理;一协调:组织协调。二、监理工作依据1、中华人民共和国建筑法;2、建设工程质量管理条例;3、建设工程安全管理条例(国务院第393号令);4、建设工程监理规范(GB50319-2000);5、《爆破安全规程》(GB6722-2003);6、《建筑边坡工程技术规范》(GB50330-2002);7、国家和地方颁布的有关建设方针、政策和法规;第70页共60页第69页共60页编号:时间:2021年x月x日书山有路勤为径,学海无涯苦作舟页码:第70页共60页8、现行工程建设设计、施工规范和质量验收标准;9、本项目的招标文件和监理合同;10、业主与材料、设备供应商签订的工程建设采购合同;11、业主与造价咨询单位签订的工程建设设计合同;12、业主与监理咨询单位签订的工程建设监理合同;13、业主与其它项目建设相关单位签订的与工程建设方面合同;14、业主提供的设计文件;15、我公司的《管理手册》、程序文件和有关规章制度。三、监理工作目标监理工作主要是对本工程项目进行目标控制,尽可能好地实现工程项目的进度目标、质量目标、投资目标和安全生产文明施工的管理目标,通过对目标的风险分析,目标规划和目标的动态控制,使本工程项目的实际投资不超过计划投资,实际建设周期不超过计划建设周期,实际质量达到预期的目标和标准。1、工期控制目标:以施工合同工期为控制目标;2、造价控制目标:不超过本工程合同值;3、质量控制目标:按工程承包合同签订的工程质量等级为控制目标,督促检查承包商严格按国家技术标准、施工规范以及经批准的设计文件施工,根据国家新颁布的工程质量验收统一标准的划分(只分合格、不合格两种)工程质量确保达到合格,争取把该工程做成“精品工程”。4、安全文明施工控制目标:严格按工程建设程序运作,重视和加强安全文明施工的管理工作,执行国家和市有关施工安全法规条例的有关规定,审查并督促承包商完善安全保证体系和工作制度,使安全文明施工规范化、标准化、制度化。确保本工程不出现重大伤亡事故,确保文明施工和环境保护达到大连市的相关标准。第三章项目监理组织机构一、组织机构形式针对该工程特点,公司成立与该工程监理相适应的组织机构,设立项目监理部,行使项目监理职责,实行项目总监理工程师负责制,并在“项目监理目标责任书”中明确项目部应达到的项目目标和项目总监理工程师的职责、权限和利益。第71页共60页第70页共60页编号:时间:2021年x月x日书山有路勤为径,学海无涯苦作舟页码:第71页共60页根据该工程特点公司决定采用矩阵式组织结构对该工程项目施工阶段全过程监理。项目部由项目总监理工程师领导,并接受公司职能部门指导、监督、检查和考核。项目经理部组织形式如下图矩阵式项目监理组织结构图二、组建项目部1、项目部的设立及其工作应包括下列内容:(1)根据公司规定程序确定组织形式,组建项目部。(2)根据公司有关管理规定,确定项目部的管理...

1、当您付费下载文档后,您只拥有了使用权限,并不意味着购买了版权,文档只能用于自身使用,不得用于其他商业用途(如 [转卖]进行直接盈利或[编辑后售卖]进行间接盈利)。
2、本站所有内容均由合作方或网友上传,本站不对文档的完整性、权威性及其观点立场正确性做任何保证或承诺!文档内容仅供研究参考,付费前请自行鉴别。
3、如文档内容存在违规,或者侵犯商业秘密、侵犯著作权等,请点击“违规举报”。

碎片内容

沈抚城际铁路水家道口工程

您可能关注的文档

确认删除?
VIP
微信客服
  • 扫码咨询
会员Q群
  • 会员专属群点击这里加入QQ群
客服邮箱
回到顶部