电脑桌面
添加小米粒文库到电脑桌面
安装后可以在桌面快捷访问

某高层住宅楼施工组织设计(doc 38页)VIP专享VIP免费

某高层住宅楼施工组织设计(doc 38页)_第1页
1/38
某高层住宅楼施工组织设计(doc 38页)_第2页
2/38
某高层住宅楼施工组织设计(doc 38页)_第3页
3/38
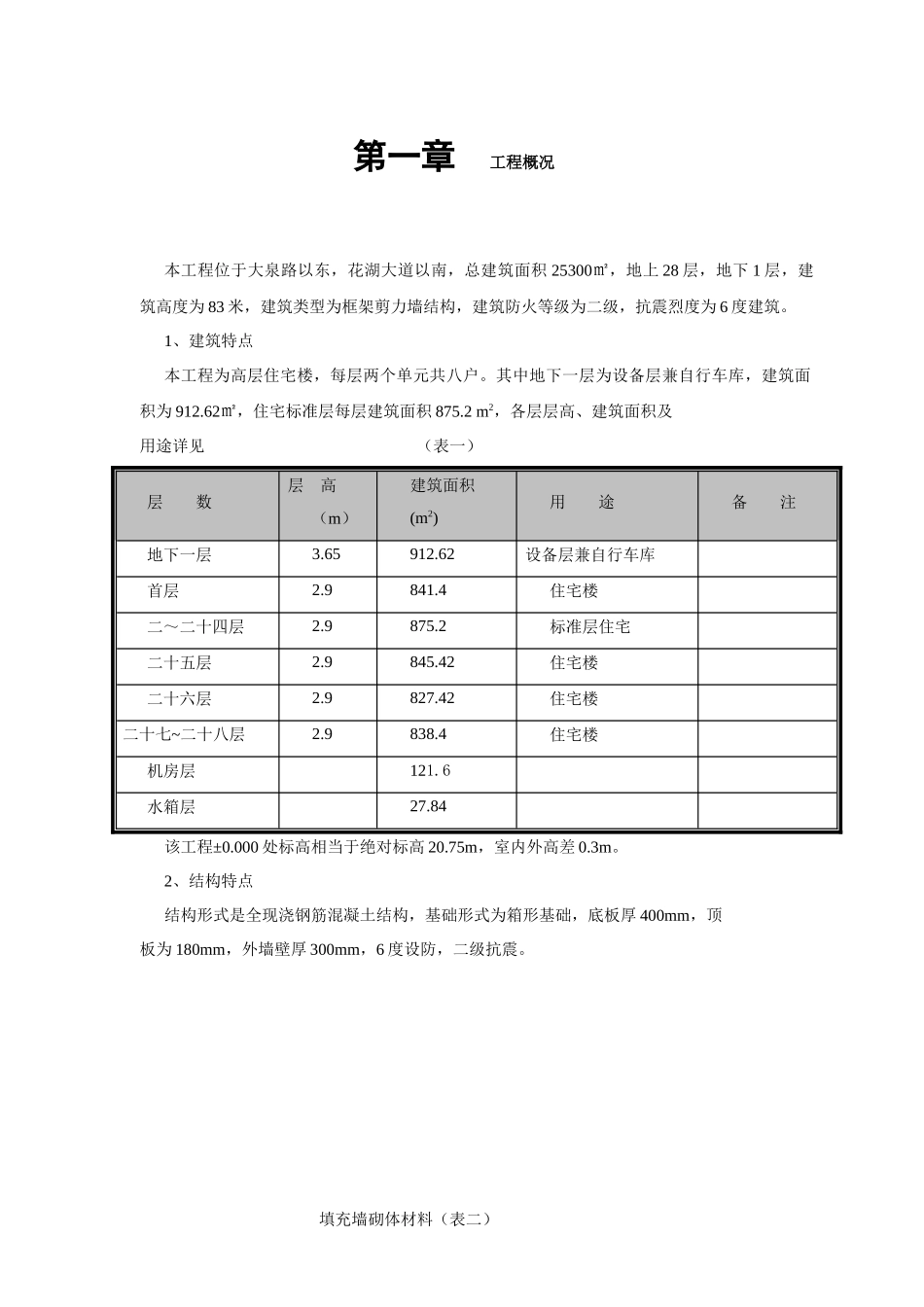
目录第一章工程概况....................................................................................................................................1第一节建筑与结构特点................................................................................................................1第二章施工布署....................................................................................................................................6第一节施工布置的原则................................................................................................................6第二节工程任务划分....................................................................................................................6第三节施工组织与管理机构........................................................................................................6第四节施工流水段的划分............................................................................................................8第五节施工顺序............................................................................................................................9第三章施工准备..................................................................................................................................10第一节内业准备..........................................................................................................................10第二节施工现场准备..................................................................................................................10第三节施工用水..........................................................................................................................11第四节施工用电量......................................................................................................................12第四章施工方法..................................................................................................................................13第一节降水工程..........................................................................................................................13第二节土方工程..........................................................................................................................13第三节防水工程..........................................................................................................................13第四节钢筋工程..........................................................................................................................14第五节模板工程..........................................................................................................................15第六节砼工程..............................................................................................................................18第七节砌体工程..........................................................................................................................19第八节卸料平台的施工..............................................................................................................20第九节季节性施工技术措施......................................................................................................20第五章各项资源需用量计划..............................................................................................................21第一节大模板及配件加工需用量计...

1、当您付费下载文档后,您只拥有了使用权限,并不意味着购买了版权,文档只能用于自身使用,不得用于其他商业用途(如 [转卖]进行直接盈利或[编辑后售卖]进行间接盈利)。
2、本站所有内容均由合作方或网友上传,本站不对文档的完整性、权威性及其观点立场正确性做任何保证或承诺!文档内容仅供研究参考,付费前请自行鉴别。
3、如文档内容存在违规,或者侵犯商业秘密、侵犯著作权等,请点击“违规举报”。

碎片内容

某高层住宅楼施工组织设计(doc 38页)

确认删除?
VIP
微信客服
  • 扫码咨询
会员Q群
  • 会员专属群点击这里加入QQ群
客服邮箱
回到顶部