电脑桌面
添加小米粒文库到电脑桌面
安装后可以在桌面快捷访问

某燃气集团管网分公司场站部职责说明书VIP免费

某燃气集团管网分公司场站部职责说明书_第1页
1/5
某燃气集团管网分公司场站部职责说明书_第2页
2/5
某燃气集团管网分公司场站部职责说明书_第3页
3/5
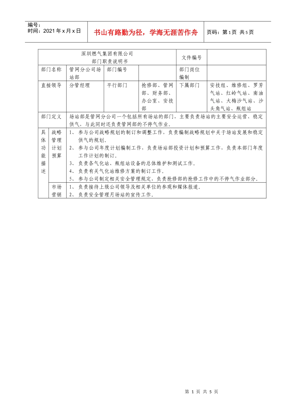
第1页共5页编号:时间:2021年x月x日书山有路勤为径,学海无涯苦作舟页码:第1页共5页深圳燃气集团有限公司部门职责说明书文件编号部门名称管网分公司场站部部门编号部门岗位编制直接领导分管经理平行部门抢修部、管网部、财务部、办公室、安技部下属部门安技组、维修组、罗芳气站、红岭气站、南油气站、大梅沙气站、沙头角气站、瓶组站部门定义场站部是管网分公司一个包括所有场站的部门,主要负责场站的主要安全运营、稳定供气,与此同时还负责管网部的不停气作业。具体功能描述战略管理计划预算1、参与公司战略规划的制订和调整工作,负责编制战略规划中关于场站发展和稳定供气的规划。2、参与公司年度计划编制工作,负责场站部投资计划和预算工作,负责本部门年度工作计划的制订。3、负责各气化站、瓶组站设备的总体维护和测试工作。4、负责有关气化站维修方案的制订工作。5、参与公司制定相关安全管理规定,负责抢修部的抢修工作中的不停气作业部分。市场营销1、负责接待上级公司领导及相关单位的参观和媒体报道。2、负责安全管理月场站的宣传工作。第2页共5页第1页共5页编号:时间:2021年x月x日书山有路勤为径,学海无涯苦作舟页码:第2页共5页运营管理一、气化站日常运行管理1、气化站调试合格证后,气化站站长负责编制值班表,各值班操作人员按值班表按时交接班,并在《气化站储罐、气化炉、烃压机运行记录簿》上作好交接班记录。2、各值班操作人员按规章制度和操作规程进行巡查、操作,作好《气化站储罐、气化炉、烃压机运行记录簿》、《班前班后安全巡回检查记录表》。3、气化站站长及时上报燃气经营公司气化站液化石油气储量及供气量实际情况,由燃气经营公司安排液化石油气气源调配。气化站站长每天对气化站员工进行规章制度、安全操作规程等内容为主的安全教育,并做好记录。4、气化站槽车进气,值班操作人员及时记录《汽车槽车装卸记录》。5、每日对气化站内的静密封点进行一次检查,并将检查结果记录在《气化站静密封点巡检表》中,每月将静密封检查情况进行统计,并记录在《静密封状况统计》中。6、气化站值班操作人员应严格对外来车辆及人员的管理,严格执行《气化站外来人员管理办法》对来访人员及进出车辆作好登记,记录在《来访人员登记簿》及《重点场站车辆安全检查登记表》上。7、每月月底由气化站站长对气化站进气情况形成《气化站供气安全工作月报表》及时上报安技组。8、气化站值班操作人员每月对气化站内消防器材进行检查,并作好记录在《消防器材维护保养记录》上。9、安技组按检定周期联系好质量监督局的校验人员并通知气化站站长具体校验地点,气化站站长负责及时送检站内压力表及安全阀。10、维修组负责对电气设备、燃气泄漏报警器、阴极保护系统及控制系统的巡检与维护。11、气化站站长应安排操作工严格按《液化气储罐、附件及工艺管线维户保养规程》的要求,进行日常的维护保养,并记录在《设备维护保养记录》上。12、对于气化站值班操作人员发现站内设备存在问题而又无法自行处理时,及时填写《站设备维修维护保养单》,由站长认可后,及时交安技组,由安技组定性后交维修组处理。13、对影响安全生产运行的燃气泄漏、设备故障应立即报告站长、安技组及上级领导,同时按《液化石油气事故紧急处理操作规程》及气化站应急预案处理。14、按《液化气储罐、附件及工艺管线维户保养规程》对地下储罐进行定期抽水,并作好《气化站地下储罐抽水记录》。具体功能描述运营管理15、对本程序运作生成的质量记录,气化站站长每月一次交安技组负责保管。二、瓶组站日常运行管理1、场站部安技组接到安技部的瓶组站验收合格通知单后,组织瓶组站站长、供气调度、维修组对其验收,验收合格后由瓶组站站长安排瓶组站巡查人员开展日常巡查及运行管理工作,对不符合条件的瓶组站,由场站部安技组书面报告安技部,由安技部负责落实整改。2、瓶组站巡查人员按瓶组站站长的指令进行每日的巡查工作。3、瓶组站巡查人员严格按《瓶组站设施维护及检查规程》进行日常巡查,瓶组站钢瓶间的操作执行《瓶组站钢瓶更换操作规程》,气化炉的操作执行相应的“气第3页共5页第2页共5...

1、当您付费下载文档后,您只拥有了使用权限,并不意味着购买了版权,文档只能用于自身使用,不得用于其他商业用途(如 [转卖]进行直接盈利或[编辑后售卖]进行间接盈利)。
2、本站所有内容均由合作方或网友上传,本站不对文档的完整性、权威性及其观点立场正确性做任何保证或承诺!文档内容仅供研究参考,付费前请自行鉴别。
3、如文档内容存在违规,或者侵犯商业秘密、侵犯著作权等,请点击“违规举报”。

碎片内容

某燃气集团管网分公司场站部职责说明书

您可能关注的文档

确认删除?
VIP
微信客服
  • 扫码咨询
会员Q群
  • 会员专属群点击这里加入QQ群
客服邮箱
回到顶部