电脑桌面
添加小米粒文库到电脑桌面
安装后可以在桌面快捷访问

某桥梁承台墩身施工组织设计(DOC25页)VIP免费

某桥梁承台墩身施工组织设计(DOC25页)_第1页
1/15
某桥梁承台墩身施工组织设计(DOC25页)_第2页
2/15
某桥梁承台墩身施工组织设计(DOC25页)_第3页
3/15
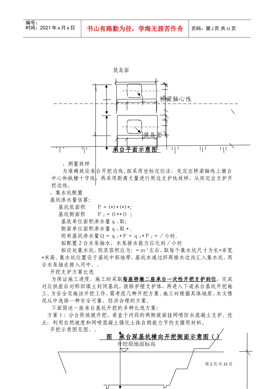
第1页共15页编号:时间:2021年x月x日书山有路勤为径,学海无涯苦作舟页码:第1页共15页承台施工一、承台设计情况主桥、墩桩顶设置承台基础,一座承台的截面为*米正方形,高米,全桥共座,混凝土。截面型式参见图。承台底部采用混凝土封底,厚度,总用量。二、施工工艺承台施工工序为:深基坑开挖→凿除桩头→垫层施工→桩基无损检测→钢筋制安→立模→灌注混凝土→拆模养护→(拱座浇筑)基坑回填。由于承台埋置深度较大,地质较差,基坑开挖时,对坑壁要做适当支护,采用钢板和木板配合打入型钢排桩支撑,防止基坑坍塌。基坑开挖完毕,用风镐凿除桩头,禁止猛烈冲击,防止损伤桩身,距桩头顶面范围内的桩头采用人工凿除,以确保桩头质量,最后将桩头冲洗干净。桩头凿除后,先复核桩位,检测合格后,进行立模;模板采用整体钢模板,混凝土水平分层灌注,插入式震动器震捣;钢筋采用钢筋场集中加工,运至现场绑扎,接头按照规范要求错开;浇注完成后,立即采用草袋覆盖养生。基坑回填在混凝土养护期过后进行,承台两侧均匀回填、夯实。如坑内有积水,要在排水清淤后再回填。因承台混凝土的数量较大,施工时要采取一些措施避免水泥水化热的影响,如降低水灰比,采用“双掺”工艺减少水泥用量;用水化热低的矿碴水泥,用冷水冲粗骨料,布置降温循环水管及利用夜间施工等措施。、深基坑开挖施工因#、#墩承台位于水中,在实施钻孔灌注桩基础时,必须对天门河进行筑岛处理,筑岛后顶面高程,常水位米,承台底面设计高程为,开挖深米(含混凝土垫层),属大体积承台深基坑有水开挖基础。大桥所在老河床面标高,表面淤泥质土厚度米。河床面以上新填筑粘土、粘土渣石垫层厚度达到厚,经过挤淤压实,该层下部受到原河床软弱地基和河流冲刷影响,处于渐变下沉状态;但其具备一定的不透水性和自稳能力,有利于开挖支护体的稳定。承台开挖底面标高,从桥梁纵断面地质柱状图上看出,该层面为灰色软塑亚粘土夹粉砂层,[σ]=,自稳性较差。该层面底部标高为左右,在承台开挖底面下米。图主桥桥墩承台设计断面示意图()承台纵向侧立面示意图拱座开挖地面常水位▽混凝土承台混凝土垫层*承台第2页共15页编号:时间:2021年x月x日书山有路勤为径,学海无涯苦作舟页码:第2页共15页筑岛面桥梁轴心线筑岛面承台平面示意图、测量放样为准确放设承台开挖边线,拟采用坐标定位法,先定出桥梁轴线上墩台中心和纵横十字线,再采用距离丈量进行周边支护线放样,从而定出支护开挖边线。、集水坑配置基坑渗水量估算:基坑底面积F=(*)*(*)*;基坑侧面积F2=()**();基底单位面积渗水量q1取;侧面单位面积渗水量q2取*.则有基坑渗水量Q=q1*F+q2*F2=/小时.拟配置2台水泵抽水,水泵排水能力应达到/小时拟设处集水坑,则其容积应为:=m3左右,取每个集水坑尺寸为长*米宽*米高。集水坑位置设于基坑中部地带,基坑水通过四周排水边沟汇入集水坑,用台水泵抽走排入河中。。开挖支护方案比选为保证施工进度,施工时采取每座桥墩二座承台一次性开挖支护到位,完成对应拱座后对称回填土封闭基坑,拔除护壁支护体,再进入下道承台基坑开挖施工。为安全实施该开挖工作,需考虑几种开挖方案,施工时根据具体地质、水文情况从中选择一种安全可靠、经济合理的方案。下面简述一座承台基坑开挖的多种比选方案:方案1:分台阶放坡开挖,垂直于河段的两侧坡面挂网喷防水混凝土支护。优点:利用自然坡度和网喷混凝土强化土体自稳能力节约支撑用材料。开挖示意图见图、。图承台深基坑横向开挖侧面示意图()开挖原地面标高第3页共15页编号:时间:2021年x月x日书山有路勤为径,学海无涯苦作舟页码:第3页共15页:Σ::Σ::Σ:(**)集水坑有关放坡开挖参数计算:根据地质情况差异来确定每一台阶需要控制最大开挖深度。(**(Ф),取:()对于Σ部分,即回填粘土层,土的粘聚力;稳定系数;土的内摩擦角度;土的容重;坑顶护道均布荷载..则有:≤回(**(Ф)*(**()米。取;故对于该新填筑土层,具体自开挖面起往下,可取米层,共层。()对于Σ部分,即河床淤泥质土层土的粘聚力;稳定系数;土的内摩擦角度;土的容重...

1、当您付费下载文档后,您只拥有了使用权限,并不意味着购买了版权,文档只能用于自身使用,不得用于其他商业用途(如 [转卖]进行直接盈利或[编辑后售卖]进行间接盈利)。
2、本站所有内容均由合作方或网友上传,本站不对文档的完整性、权威性及其观点立场正确性做任何保证或承诺!文档内容仅供研究参考,付费前请自行鉴别。
3、如文档内容存在违规,或者侵犯商业秘密、侵犯著作权等,请点击“违规举报”。

碎片内容

某桥梁承台墩身施工组织设计(DOC25页)

您可能关注的文档

确认删除?
VIP
微信客服
  • 扫码咨询
会员Q群
  • 会员专属群点击这里加入QQ群
客服邮箱
回到顶部