电脑桌面
添加小米粒文库到电脑桌面
安装后可以在桌面快捷访问

机械制造企业安全质量标准化评级标准(1)VIP免费

机械制造企业安全质量标准化评级标准(1)_第1页
1/88
机械制造企业安全质量标准化评级标准(1)_第2页
2/88
机械制造企业安全质量标准化评级标准(1)_第3页
3/88
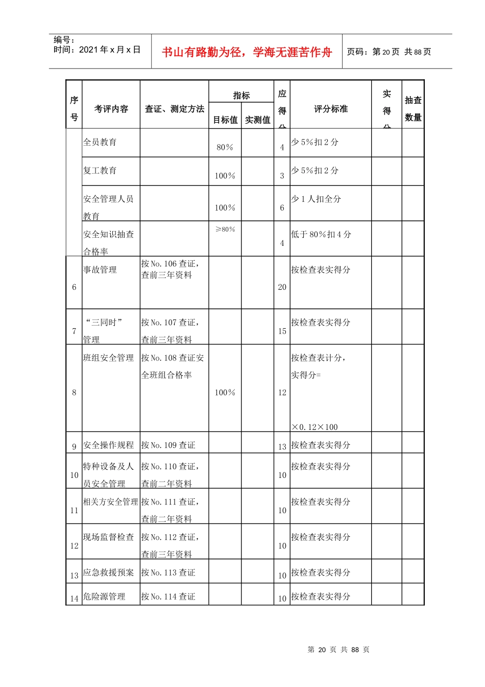
第19页共88页编号:时间:2021年x月x日书山有路勤为径,学海无涯苦作舟页码:第19页共88页机械制造企业安全质量标准化考核评级标准序号考评内容查证、测定方法指标应得分评分标准实得分抽查数量目标值实测值一、基础管理考评(230分)1安全生产责任制按No.101查证100%15按检查表实得分2职业安全健康规章制度按No.102查证20种15按检查表实得分3规划与年度计划按No.103查证,查前三年资料15按检查表实得分4机构与人员按No.104查证15按检查表实得分5职业安全健康教育,其中按No.105查证,查前三年资料9种45按检查表实得分新职工进厂三级教育100%6少1人扣全分特种作业人员培训教育100%8少1人扣全分中层及中层以上干部教育100%4少10%扣2分班组长教育100%4少5%扣2分变换工种和“四新”教育100%3少5%扣2分职业健康教育90%3少5%扣2分第20页共88页第19页共88页编号:时间:2021年x月x日书山有路勤为径,学海无涯苦作舟页码:第20页共88页序号考评内容查证、测定方法指标应得分评分标准实得分抽查数量目标值实测值全员教育80%4少5%扣2分复工教育100%3少5%扣2分安全管理人员教育100%6少1人扣全分安全知识抽查合格率≥80%4低于80%扣4分6事故管理按No.106查证,查前三年资料20按检查表实得分7“三同时”管理按No.107查证,查前三年资料15按检查表实得分8班组安全管理按No.108查证安全班组合格率100%12按检查表计分,实得分=×0.12×1009安全操作规程按No.109查证13按检查表实得分10特种设备及人员安全管理按No.110查证,查前二年资料10按检查表实得分11相关方安全管理按No.111查证,查前二年资料10按检查表实得分12现场监督检查按No.112查证,查前三年资料10按检查表实得分13应急救援预案按No.113查证10按检查表实得分14危险源管理按No.114查证10按检查表实得分第21页共88页第20页共88页编号:时间:2021年x月x日书山有路勤为径,学海无涯苦作舟页码:第21页共88页序号考评内容查证、测定方法指标应得分评分标准实得分抽查数量目标值实测值15安全健康档案按No.115查证12种15按检查表实得分二、设备设施安全考评(600分)1工业气瓶按No.201查证不合格率022按不合格率计算每1%扣0.54分2危险化学品库按No.202查证10按检查表实得分,多个危险化学品库取平均值3油库、油罐按No.203查证20按检查表实得分,多个油库取平均值4液化气站按No.204查证12按检查表实得分,多个液化气站取平均值5煤气站按No.205查证10按检查表实得分6制氧站按No.206查证10按检查表实得分7压力容器按No.207查证不合格率016按不合格率计算每1%扣0.50分8乙炔发生站按No.208查证不合格率15按检查表计分,多个站房按不合格率计算每1%扣0.60分9锅炉与辅机按No.209查证不合格率024按不合格率计算每1%扣0.80分10空压机按No.210查证16按检查表实得分,多台空压机取平均值11工业管道按No.211查证8按检查表实得分12木料场所按No.212查证8按检查表实得分,多第22页共88页第21页共88页编号:时间:2021年x月x日书山有路勤为径,学海无涯苦作舟页码:第22页共88页序号考评内容查证、测定方法指标应得分评分标准实得分抽查数量目标值实测值个木料场所取平均值13工厂建筑按No.213查证不合格率010按不合格率计算每1%扣0.40分14涂装作业场所按No.214查证15按检查表实得分,多处场所取平均值15锻造机械按No.215查证不合格率012按不合格率计算每1%扣0.36分16铸造机械按No.216查证不合格率018按不合格率计算每1%扣0.54分17铸造熔炼炉按No.217查证不合格率012按不合格率计算每1%扣0.54分18酸碱油槽按No.218查证不合格率05按不合格率计算每1%扣0.20分19工业梯台(直梯)按No.219-1查证不合格率02按不合格率计算每1%扣0.048分20工业梯台(斜梯)按No.219-2查证不合格率02按不合格率计算每1%扣0.048分21工业梯台(活动轻金属梯)按No.219-3查证不合格率02按不合格率计算每1%扣0.048分22工业梯台(轮式移动平台)按No.219-4查证不合格率02按不合格率计算每1%扣0.048分23工业梯台(走台、平台)按No.219-5查证不合格率02按不合格率计算每1%扣0.048分24工业炉窑按No.220查证不合格率012按不合格率计算每1%扣0.36分第2...

1、当您付费下载文档后,您只拥有了使用权限,并不意味着购买了版权,文档只能用于自身使用,不得用于其他商业用途(如 [转卖]进行直接盈利或[编辑后售卖]进行间接盈利)。
2、本站所有内容均由合作方或网友上传,本站不对文档的完整性、权威性及其观点立场正确性做任何保证或承诺!文档内容仅供研究参考,付费前请自行鉴别。
3、如文档内容存在违规,或者侵犯商业秘密、侵犯著作权等,请点击“违规举报”。

碎片内容

机械制造企业安全质量标准化评级标准(1)

确认删除?
VIP
微信客服
  • 扫码咨询
会员Q群
  • 会员专属群点击这里加入QQ群
客服邮箱
回到顶部