电脑桌面
添加小米粒文库到电脑桌面
安装后可以在桌面快捷访问

污水管工程拖管法施工组织设计(DOC25页)VIP免费

污水管工程拖管法施工组织设计(DOC25页)_第1页
1/18
污水管工程拖管法施工组织设计(DOC25页)_第2页
2/18
污水管工程拖管法施工组织设计(DOC25页)_第3页
3/18
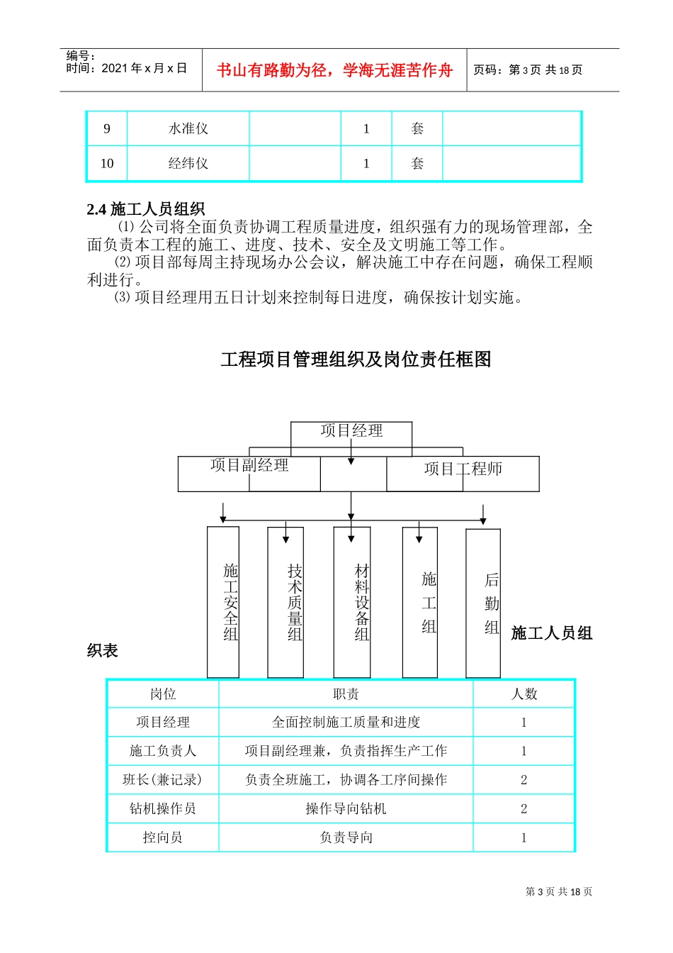
第1页共18页编号:时间:2021年x月x日书山有路勤为径,学海无涯苦作舟页码:第1页共18页1总体概述1.1工程概况松夏工业园C区美图三路道路排水工程,拟沿美图三路道路两侧敷设,是收集美图三路工厂、商铺和居民污水排放的主要管道,本工程施工拟采用水平定向钻穿越敷设;穿越线路管道总长655m,其中DN500约535m,DN400约120m,埋深约5-6m;采用HDPE中空缠绕管,环刚度≥12KN;施工现场地下管线较多,车流量大。1.2管道定向钻进总体布置管道定向钻进总体布置如图1所示。2施工准备、进度计划2.1临时设施、水源、动力准备a.现场施工人员的办公、住宿房采用临时租用民房;b.施工用电量约需20KW;c.施工用水就近接通城市供水管;d.临时排污:施工污水无污染,可就地经沉淀池沉淀后排入污水管道。2.2材料准备本工程采用水平定向钻方式铺管,管材采用HDPE管,由于水平定向钻进、长距离穿越铺管工程需24小时连续施工,工程开工前,管材、各种焊材提前到场。2.3设备准备本公司拟采用DDW-210型非开挖导向铺管钻机,本钻机为履带式全液压铺管钻机,具有机动性能好、质量可靠、结构紧凑、整体性强、扭矩大、效率高、自动化程度高、操作简单可靠、装卸钻杆方便省力等特点。特别适合复杂地形,大口径、长距离管道穿越施工。动力头输出速度:0~100r/min额定回转扭矩:9000N.M主机自重:6.5T,外形尺寸:5600x2300x2230mm泥浆循环系统容量:1.7m3最大推力(KN):230最大回拉力(KN):210扭矩(Nm):9000第2页共18页编号:时间:2021年x月x日书山有路勤为径,学海无涯苦作舟页码:第2页共18页DDW—210型非开挖导向铺管钻机性能参数序号名称规格型号备注1导向钻头Φ110导向钻孔2扩孔钻头Φ110~Φ840分级反扩成孔3钻杆Φ73x80x3000导向、扩孔、拖管4动力6BT5.9康明斯柴油发动机5液压马达FY4-3500FD径向柱塞马达6液压油泵80-40-25三联齿轮油泵本工程主要设备一览表序号名称规格型号数量单位备注1水平定向铺管钻机DDW-2101台导向、扩孔、回拖2导向仪Eclipse1套导向3发电机30KW1套4本田污水泵SP30G2台5工具房1台6电工工具1套7钳工工具1套8对讲机2部第3页共18页编号:时间:2021年x月x日书山有路勤为径,学海无涯苦作舟页码:第3页共18页9水准仪1套10经纬仪1套2.4施工人员组织⑴公司将全面负责协调工程质量进度,组织强有力的现场管理部,全面负责本工程的施工、进度、技术、安全及文明施工等工作。⑵项目部每周主持现场办公会议,解决施工中存在问题,确保工程顺利进行。⑶项目经理用五日计划来控制每日进度,确保按计划实施。工程项目管理组织及岗位责任框图施工人员组织表岗位职责人数项目经理全面控制施工质量和进度1施工负责人项目副经理兼,负责指挥生产工作1班长(兼记录)负责全班施工,协调各工序间操作2钻机操作员操作导向钻机2控向员负责导向1项目副经理项目工程师项目经理后勤组技术质量组材料设备组施工组施工安全组第4页共18页编号:时间:2021年x月x日书山有路勤为径,学海无涯苦作舟页码:第4页共18页泥浆工程师负责泥浆配比1焊工负责管道焊接。2机械﹑电工负责维修使机械正常运转1民工10后勤负责后勤保障1总计222.5施工进度计划本管道由于埋深较深,所以施工工期计划为90天。详见施工进度计划网络图。计划实施的保证措施:a.根据工程量及地质情况,配备足够数量施工机械,人力,以保证工期按计划完成。b.进场后调试好机械,备足备件,保证施工机械无故障。c.项目经理五天编制施工计划,以控制每日进度,协调好关系。d.合理、科学的组织各段的施工顺序,求高效率。e.组织强有力的领导班子,及时解决现场发生的问题,检查每道工序施工质量。3施工技术3.1施工工艺水平定向钻进铺管的施工顺序为:地质勘探、规划和设计钻孔轨迹、配制钻液、钻先导孔、回拉扩孔、回拉铺管。3.2关键技术(1)地层勘探及地下管线探测地层勘探主要了解有关地层和地下水的情况,为选择钻进方法和配制钻液提供依据。其内容包括:土层的标准分类、孔隙度、含水性、透水性以及地下水位、基岩深度和含卵砾石情况等。可采用查资料、开挖和钻探方法获取。地下管线探测主要了解有关地下已有管线和其它埋设物的位置,为设...

1、当您付费下载文档后,您只拥有了使用权限,并不意味着购买了版权,文档只能用于自身使用,不得用于其他商业用途(如 [转卖]进行直接盈利或[编辑后售卖]进行间接盈利)。
2、本站所有内容均由合作方或网友上传,本站不对文档的完整性、权威性及其观点立场正确性做任何保证或承诺!文档内容仅供研究参考,付费前请自行鉴别。
3、如文档内容存在违规,或者侵犯商业秘密、侵犯著作权等,请点击“违规举报”。

碎片内容

污水管工程拖管法施工组织设计(DOC25页)

您可能关注的文档

确认删除?
VIP
微信客服
  • 扫码咨询
会员Q群
  • 会员专属群点击这里加入QQ群
客服邮箱
回到顶部