电脑桌面
添加小米粒文库到电脑桌面
安装后可以在桌面快捷访问

湖南农业大学课程论文--桥梁工程课程设计VIP免费

湖南农业大学课程论文--桥梁工程课程设计_第1页
1/14
湖南农业大学课程论文--桥梁工程课程设计_第2页
2/14
湖南农业大学课程论文--桥梁工程课程设计_第3页
3/14
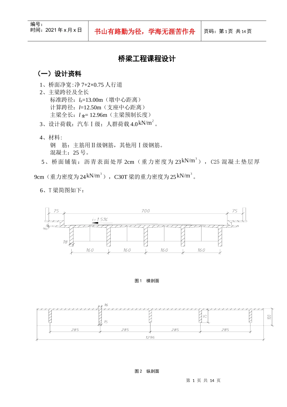
第1页共14页编号:时间:2021年x月x日书山有路勤为径,学海无涯苦作舟页码:第1页共14页桥梁工程课程设计(一)设计资料1、桥面净宽:净7+2×0.75人行道2、主梁跨径及全长标准跨径:lb=13.00m(墩中心距离)计算跨径:l=12.50m(支座中心距离)主梁全长:l全=12.96m(主梁预制长度)3、设计荷载:汽车Ⅰ级;人群荷载4.0。4、材料:钢筋:主筋用Ⅱ级钢筋,其他用Ⅰ级钢筋。混凝土:25号。5、桥面铺装:沥青表面处厚2cm(重力密度为23),C25混凝土垫层厚9cm(重力密度为24),C30T梁的重力密度为25。6、T梁简图如下:图1横剖面图2纵剖面第2页共14页第1页共14页编号:时间:2021年x月x日书山有路勤为径,学海无涯苦作舟页码:第2页共14页图3主梁截面尺寸(尺寸单位:cm)(二)设计步骤方法一、行车道板计算(1)恒载及内力1、每延米板上的恒载g:沥青混凝土面层g1:C25混凝土垫层g2:T梁翼板自重g3::合计:2、每米宽板条的恒载内力弯矩剪力(2)车辆荷载产生的内力将车辆荷载后轮作用于铰缝轴线上,后轴作用力为140kN,轮压分布宽度如图,车辆荷载后轮着地长度为a2=0.20m,宽度则:恒载对于悬臂根部的有效分布宽度:第3页共14页第2页共14页编号:时间:2021年x月x日书山有路勤为径,学海无涯苦作舟页码:第3页共14页冲击系数:1+μ=1.3作用于每米宽板条上的弯矩和剪力为:(3)荷载组合恒+汽:所以行车道板的设计内力为:二、主梁的荷载横向分布系数计算1、杠杆原理法求支点截面的横向分布系数1号梁的荷载横向分布影响线如图4(b)所示:图4杠杆原理法计算横向分布系数(尺寸单位:cm)第4页共14页第3页共14页编号:时间:2021年x月x日书山有路勤为径,学海无涯苦作舟页码:第4页共14页对于车辆荷载,规定的车轮横向轮距为1.80m,两列汽车车轮的横向最小间距为1.30m,车轮距离人行道缘石最少为0.50m。求出相应于荷载位置的影响线竖标值后,就克得到横向所有荷载分布给1号梁的最大荷载值为:车辆荷载:人群荷载:所以1号梁在车辆荷载和人群荷载横向分布系数分别为:2、偏心压力法求跨中截面的横向分布系数此桥在跨度内设有横隔梁,具有强大的横向连接刚性,且承重结构的长度比为:故可按偏心压力法来绘制横向影响线并计算横向分布系数mc。本桥各根主梁的横截面均相等,梁数,梁间距1.60m,则:1号梁横向影响线的竖标值为:由和绘制1号梁横向影响线,如图5(b)所示,并确定汽车荷载的最不利荷载位置。设零点至1号梁位的距离为,则:解得:设人行道缘石至1号梁轴线的距离为,则:所以1号梁的荷载横向分布系数为:车辆荷载:第5页共14页第4页共14页编号:时间:2021年x月x日书山有路勤为径,学海无涯苦作舟页码:第5页共14页人群荷载:图5偏心压力法横向分布系数(尺寸单位:cm)三、主梁内力计算(1)恒载内力计算1、恒载集度主梁:横隔梁:第6页共14页第5页共14页编号:时间:2021年x月x日书山有路勤为径,学海无涯苦作舟页码:第6页共14页对于边主梁:对于中主梁:桥面铺装层:栏杆和人行道:作用于边主梁的全部恒载g为:作用于中主梁的恒载强度为:2、恒载内力计算边主梁的弯矩和剪力,计算图示如图6所示,则:Mx=gl2x−gxx2=gx2(l−x)Qx=gl2−gx=g2(l−2x)图6恒载内力计算式各计算截面的剪力和弯矩值,如表1所示。表1边主梁恒载内力内力截面位置x剪力Q(kN)弯矩M()第7页共14页第6页共14页编号:时间:2021年x月x日书山有路勤为径,学海无涯苦作舟页码:第7页共14页(2)活载内力计算1、荷载横向分布系数汇总梁号荷载位置公路-Ⅰ级人群荷载边主梁跨中0.5380.684支点0.4381.4222、计算公路-Ⅰ级荷载的跨中弯矩翼梁的换算平均高度:主梁截面重心位置:结构跨中截面的惯矩:结构跨中处单位长度质量:C30混凝土弹性模量:所以简支梁桥的基频:因为,所以第8页共14页第7页共14页编号:时间:2021年x月x日书山有路勤为径,学海无涯苦作舟页码:第8页共14页双车道不折减,,得到:3、计算人群荷载的跨中弯矩:4、计算跨中截面车道活载的最大剪力鉴于跨中剪力影响线的较大坐标位于跨中部分,如图7,故也采用全跨统一的荷载横向分布系数来计算。的影响线面积:故得:5、计算跨中截面人群荷载最大...

1、当您付费下载文档后,您只拥有了使用权限,并不意味着购买了版权,文档只能用于自身使用,不得用于其他商业用途(如 [转卖]进行直接盈利或[编辑后售卖]进行间接盈利)。
2、本站所有内容均由合作方或网友上传,本站不对文档的完整性、权威性及其观点立场正确性做任何保证或承诺!文档内容仅供研究参考,付费前请自行鉴别。
3、如文档内容存在违规,或者侵犯商业秘密、侵犯著作权等,请点击“违规举报”。

碎片内容

湖南农业大学课程论文--桥梁工程课程设计

您可能关注的文档

确认删除?
VIP
微信客服
  • 扫码咨询
会员Q群
  • 会员专属群点击这里加入QQ群
客服邮箱
回到顶部