电脑桌面
添加小米粒文库到电脑桌面
安装后可以在桌面快捷访问

装饰装修工程质量验收用表VIP免费

装饰装修工程质量验收用表_第1页
1/39
装饰装修工程质量验收用表_第2页
2/39
装饰装修工程质量验收用表_第3页
3/39
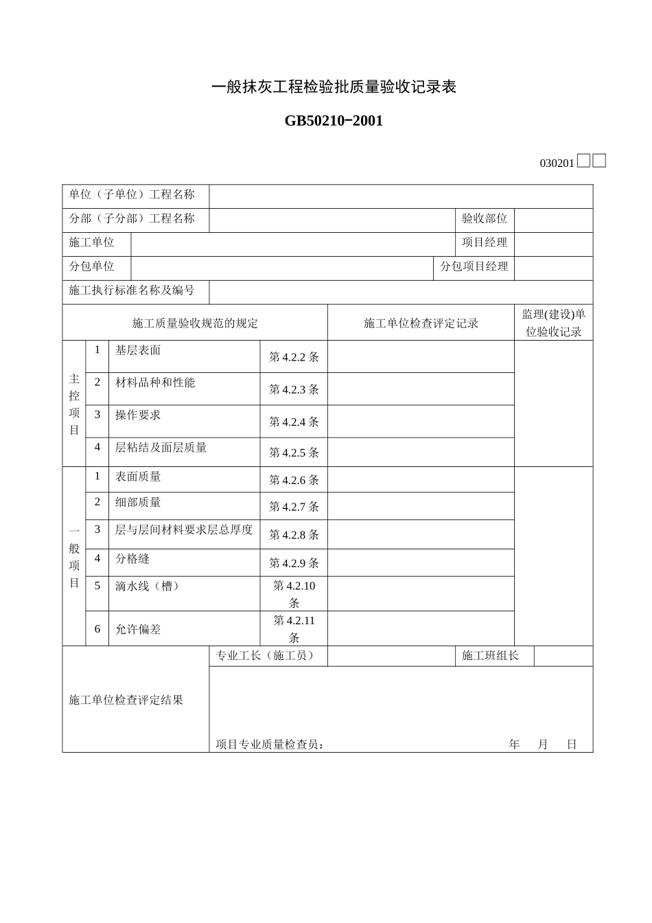
一般抹灰工程检验批质量验收记录表GB50210-2001030201单位(子单位)工程名称分部(子分部)工程名称验收部位施工单位项目经理分包单位分包项目经理施工执行标准名称及编号施工质量验收规范的规定施工单位检查评定记录监理(建设)单位验收记录主控项目1基层表面第4.2.2条2材料品种和性能第4.2.3条3操作要求第4.2.4条4层粘结及面层质量第4.2.5条一般项目1表面质量第4.2.6条2细部质量第4.2.7条3层与层间材料要求层总厚度第4.2.8条4分格缝第4.2.9条5滴水线(槽)第4.2.10条6允许偏差第4.2.11条施工单位检查评定结果专业工长(施工员)施工班组长项目专业质量检查员:年月日监理(建设)单位验收结论专业监理工程师:(建设单位项目专业技术负责人):年月日装饰抹灰工程检验批质量验收记录表GB50210-2001030202单位(子单位)工程名称分部(子分部)工程名称验收部位施工单位项目经理分包单位分包项目经理施工执行标准名称及编号施工质量验收规范的规定施工单位检查评定记录监理(建设)单位验收记录主控项目1基层表面第4.3.2条2材料品种和性能第4.3.3条3操作要求第4.3.4条4层粘结及面层质量第4.3.5条一般项目1表面质量第4.3.6条2分格条(缝)第4.3.7条3滴水线第4.3.8条4允许偏差第4.3.9条施工单位检查评定结果专业工长(施工员)施工班组长项目专业质量检查员:年月日监理(建设)单位验收结论专业监理工程师:(建设单位项目专业技术负责人):年月日清水砌体勾缝工程检验批质量验收记录表GB50210-2001030203单位(子单位)工程名称分部(子分部)工程名称验收部位施工单位项目经理分包单位分包项目经理施工执行标准名称及编号施工质量验收规范的规定施工单位检查评定记录监理(建设)单位验收记录主控项目1水泥及配合比第4.4.2条2勾缝牢固性第4.4.3条一般项目1勾缝外观质量第4.4.4条2灰缝及表面第4.4.5条施工单位检查评定结果专业工长(施工员)施工班组长项目专业质量检查员:年月日监理(建设)单位验收结论专业监理工程师:(建设单位项目专业技术负责人):年月日木门窗制作工程检验批质量验收记录表GB50210-2001(Ⅰ)030301单位(子单位)工程名称分部(子分部)工程名称验收部位施工单位项目经理分包单位分包项目经理施工执行标准名称及编号施工质量验收规范的规定施工单位检查评定记录监理(建设)单位验收记录主控项目1材料质量第5.2.2条2木材含水率第5.2.3条3防火、防腐、防虫第5.2.4条4木节及虫眼第5.2.5条5榫槽连接第5.2.6条6胶合板门、纤维板门、压模的质量第5.2.7条一般项目1木门窗表面质量第5.2.12条2木门窗割角拼缝第5.2.13条3木门窗槽孔质量第5.2.14条4制作允许偏差翘曲框普通4高级2扇普通2高级2对角线长度差框、扇普通4高级2表面平整度扇普通2高级2高度、宽度框普通0;-2高级0;-1扇普通+2;0高级+1;0裁口、线条结合处高低差框、扇普通1高级0.5相邻棂子两端间距扇普通2高级1施工单位检查评定结果专业工长(施工员)施工班组长项目专业质量检查员:年月日监理(建设)单位验收结论专业监理工程师:(建设单位项目专业技术负责人):年月日木门窗安装工程检验批质量验收记录表GB50210-2001(Ⅱ)030301单位(子单位)工程名称分部(子分部)工程名称验收部位施工单位项目经理分包单位分包项目经理施工执行标准名称及编号施工质量验收规范的规定施工单位检查评定记录监理(建设)单位验收记录主控项目1木门窗品种、规格、安装方向位置第5.2.8条2木门窗安装牢固第5.2.9条3木门窗扇安装第5.2.10条4门窗配件安装第5.2.11条一般1缝隙嵌填材料第5.2.15条项目2批水、盖口条等细部第5.2.16条3安装留缝隙值及允许偏差第5.2.18条施工单位检查评定结果专业工长(施工员)施工班组长项目专业质量检查员:年月日监理(建设)单位验收结论专业监理工程师:(建设单位项目专业技术负责人):年月日金属门窗安装工程检验批质量验收记录表(钢门窗)GB50210-2001(Ⅰ)030302单位(子单位)工程名称分部(子分部)工程名称验收部位施工单位项目经理分包单位分包项目经理施工执行标准名称及编号施工质量验收规范的规定施工单位检查评定记录监理(建设)单位验收记录主控项目1门窗质量第5.3.2条2框和副...

1、当您付费下载文档后,您只拥有了使用权限,并不意味着购买了版权,文档只能用于自身使用,不得用于其他商业用途(如 [转卖]进行直接盈利或[编辑后售卖]进行间接盈利)。
2、本站所有内容均由合作方或网友上传,本站不对文档的完整性、权威性及其观点立场正确性做任何保证或承诺!文档内容仅供研究参考,付费前请自行鉴别。
3、如文档内容存在违规,或者侵犯商业秘密、侵犯著作权等,请点击“违规举报”。

碎片内容

装饰装修工程质量验收用表

您可能关注的文档

书海行舟+ 关注
实名认证
内容提供者

热爱教学事业,对互联网知识分享很感兴趣

确认删除?
VIP
微信客服
  • 扫码咨询
会员Q群
  • 会员专属群点击这里加入QQ群
客服邮箱
回到顶部