电脑桌面
添加小米粒文库到电脑桌面
安装后可以在桌面快捷访问

燃煤电厂改造成联合循环的可行性分析VIP免费

燃煤电厂改造成联合循环的可行性分析_第1页
1/12
燃煤电厂改造成联合循环的可行性分析_第2页
2/12
燃煤电厂改造成联合循环的可行性分析_第3页
3/12
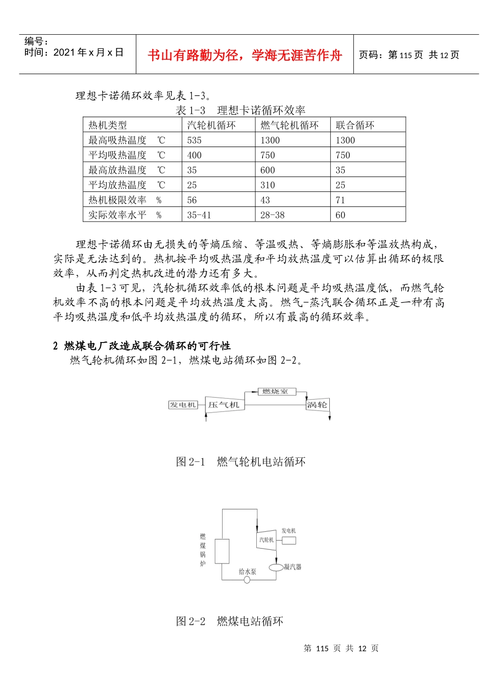
第113页共12页编号:时间:2021年x月x日书山有路勤为径,学海无涯苦作舟页码:第113页共12页燃煤电厂改造成联合循环的可行性分析东方汽轮机厂刘万琨E-mail:lwkyp@163.com电话:0838-2823128-2441传真:0838-2820803[内容摘要]燃煤电厂,特别是小型的燃煤电厂,效率低、煤耗大、能源浪费,并产生大量的SO2污染环境。大量的CO2产生温室效应,使地球逐年变暖,这是危及人类生存、令人类担忧的问题。本文建议,将燃煤电厂改造成联合循环,是解决这个问题的最有效措施之一。提出了改造配置方案例,改造后的性能以及大约的投资费用。最后用技术-经济分析的方法确定改造方案的可行性和效益。[关键词]燃煤电厂联合循环改造1燃煤电厂经济性现状和原因分析1998年,全国的电站装机总容量为2.773亿千瓦,其中火电机2.1亿千瓦,占总装机的75.5%;水电6507万千瓦,占23.5%;核电210万千瓦,占0.8%。至1999年,全国的电站装机总容量增加为2.94亿千瓦,年增长6.1%。火电300MW及以上的燃煤机组(亚临界机)总共6924万千瓦,占火电总装机的33.0%。300MW以下(不含300MW)的燃煤机组总共14493万千瓦,占火电总装机的67.0%:其中高压100MW机140台,1400万千瓦,占6.67%;超高压125MW机134台,1675万千瓦,占7.98%;超高压200MW机179台,3580万千瓦,占17.05%;苏制超高压鲍曼级210MW机17台,357万千瓦,占1.7%。100MW以下(不含100MW)的高压、中压、低压参数机组,共7060万千瓦,占33.6%。300MW以下(不含300MW)的燃煤机组,一般设计于50年代末至70年代初,但采用的都是前苏联四十年代的汽轮机设计技术。经济性低、煤耗大,相应的SO2和CO2的排放量也大,对环境产生较大污染。统计的供电效率和煤耗见表1-1,电站烟气排放见表1-2。表1-1火电机和燃气轮机电站效率比较简单循环联合循环第114页共12页第113页共12页编号:时间:2021年x月x日书山有路勤为径,学海无涯苦作舟页码:第114页共12页汽轮机电站燃机电站燃气-蒸汽电站类型中压高压超高压亚临界超临界1200-1300双压/三压供电效率%21-2329-3134-3537-3839-4132-4248-58折合的供电标煤耗克/度585-534424-396361-351332-323315-300384-293256-212发电效率%29-3037-3841-4245-4647-49表1-2火电机和燃气轮机电站烟气排放比较电站汽机电站(有脱硫)联合循环电站NOX<70×10-6<10×10-6SO2去除率%9099粉尘mg/Mj129极少由表1-1、表1-2可见,占火电总装机33.6%的100MW以下的燃煤机组,不但设计技术落后,而且采用的是低参数(初温、初压低)的循环,因此经济性差,煤耗高、污染严重。火电机组经济性差最根本的问题还在于循环本身,这可以从卡诺循环看出。卡诺循环是一个理想的热力循环,永远也无法达到的,它在热机方面的贡献在于指出了如何提高热机效率的方向。汽轮机的发展就是这样的:为了提高平均吸热温度,采用多级回热、再热、高温/高压等措施,研制了超高压机、亚临界、超临界、超超临界机;为了降低平均放热温度,采用低的凝汽压力,大循环水倍率等。卡诺循环见图1-1。图1-1理想卡诺循环第115页共12页第114页共12页编号:时间:2021年x月x日书山有路勤为径,学海无涯苦作舟页码:第115页共12页理想卡诺循环效率见表1-3。表1-3理想卡诺循环效率热机类型汽轮机循环燃气轮机循环联合循环最高吸热温度℃53513001300平均吸热温度℃400750750最高放热温度℃3560035平均放热温度℃2531025热机极限效率%564371实际效率水平%35-4128-3860理想卡诺循环由无损失的等熵压缩、等温吸热、等熵膨胀和等温放热构成,实际是无法达到的。热机按平均吸热温度和平均放热温度可以估算出循环的极限效率,从而判定热机改进的潜力还有多大。由表1-3可见,汽轮机循环效率低的根本问题是平均吸热温度低,而燃气轮机效率不高的根本问题是平均放热温度太高。燃气-蒸汽联合循环正是一种有高平均吸热温度和低平均放热温度的循环,所以有最高的循环效率。2燃煤电厂改造成联合循环的可行性燃气轮机循环如图2-1,燃煤电站循环如图2-2。图2-1燃气轮机电站循环图2-2燃煤电站循环第116页共12页第115页共12页编号:时间:2021年x月x日书山有路勤为径,学海无涯苦作舟页码:第116页共12页空...

1、当您付费下载文档后,您只拥有了使用权限,并不意味着购买了版权,文档只能用于自身使用,不得用于其他商业用途(如 [转卖]进行直接盈利或[编辑后售卖]进行间接盈利)。
2、本站所有内容均由合作方或网友上传,本站不对文档的完整性、权威性及其观点立场正确性做任何保证或承诺!文档内容仅供研究参考,付费前请自行鉴别。
3、如文档内容存在违规,或者侵犯商业秘密、侵犯著作权等,请点击“违规举报”。

碎片内容

燃煤电厂改造成联合循环的可行性分析

您可能关注的文档

确认删除?
VIP
微信客服
  • 扫码咨询
会员Q群
  • 会员专属群点击这里加入QQ群
客服邮箱
回到顶部