电脑桌面
添加小米粒文库到电脑桌面
安装后可以在桌面快捷访问

某宾馆空调安装施工组织设计(DOC76页)VIP免费

某宾馆空调安装施工组织设计(DOC76页)_第1页
1/67
某宾馆空调安装施工组织设计(DOC76页)_第2页
2/67
某宾馆空调安装施工组织设计(DOC76页)_第3页
3/67
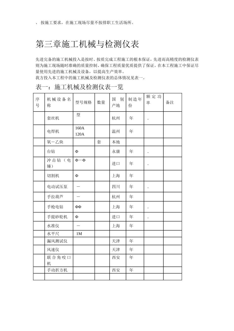
目录第一章工程概况................................................................第二章施工准备................................................................第节技术准备..............................................................第节计划工作准备..........................................................第节工程所需的各种材料、设备进场准备......................................第节临时设施准备..........................................................第三章施工力量安排............................................................第四章施工进度安排............................................................第五章各分项主要施工工艺方法及要求............................................第节预留孔洞及预埋件......................................................第节金属风管制作分项......................................................工程概况五环宾馆位于江西宜春体育中心北侧,是体育中心建筑群的其中一幢。大楼高层,其中一二层为大堂、按摩房、餐饮、桑拿等场所,三至六层为宾馆客房,七层为大会议室。大楼设中央空调系统。其冷热源引自体育中心制冷站。宾馆内空调主要采用二种不同形式。一层大堂、大会议室、大餐厅、二层茶室等主要采用风柜集中送回风的全空气风管系统,部分以风机盘管补充。客房则采用风机盘管系统,并拟增设新风系统。空调水系统考虑大型螺杆式空调水冷机组,屋顶设冷却塔冷却,楼内管道考虑立管同程式系统。管材选用:空调水系统供回水管道均采用镀锌钢管,管径<,采用镀锌钢管丝扣连接,>采用焊接。空调冷凝水管采用塑料管承插粘接。风管管材:空调系统送回风管及新风管均采用镀锌钢钣制安,法兰连接。保温材料选用:空调系统保温材料均采用带铝箔超细玻璃棉保温材料,空调送回风管及新风管保温厚度为50MM,空调水管保温厚度:《时,为;时,厚度为,》时,厚度为60MM。施工准备技术准备、在工程开工后,将根据施工图纸及合同要求,由项目部在各分项施工前编制更为详细的分项施工方案及作业指导书;、做好检测仪表等计量器具的校核工作,做好施工机械的维护及保养工作;、编制工程质量控制点等工程质量管理计划措施;、认真熟悉图纸,结合图纸会审纪要,对项目安装各要点应了然于胸;、安排好施工技术力量,在施工中有条序的组织施工,与各有关单位做好配合。计划工作准备、进行施工预算,编制各种材料、半成品、各种配件采购计划,甲供设备材料到位时间计划等;、编制更为详细的施工机械和材料、劳动力需用计划;工程所需的各种材料、设备进场准备、按实际工程情况,根据材料、设备计划,与有关部门商定型号规格,与材料供应商签订供货、运输合同,并严格按计划组织进场,满足施工需要,决不允许因材料供应问题而延误工期。临时设施准备、工程开工后,在正常施工的同时,做好施工、生活、办公等必需的临时设施准备工作。、施工办公、生活场所、材料堆放等与有关单位甲方协调处理,在施工现场决定。、按施工要求,在施工现场尽量不按排职工生活场所。第三章施工机械与检测仪表先进完备的施工机械投入是按时、按质完成工程施工的根本保证,先进而高精度的检测仪表则为施工现场随时准确的质量控制、确保工程质量优质提供了保证。在本工程施工中保证尽量使用先进的施工机械及设备,以提高生产效率。我方投入本工程中的施工机械及检测仪表的总体情况见表一。表一:施工机械及检测仪表一览序号机械设备名称型号规格数量国别产地制造年份额定功率备注套丝机型杭州年.电焊机160A120A温州年氧-乙炔套本地台钻Φ永康年.冲击钻(电锤)Φ-Φ进口年.切割机Φ上海年电动试压泵-四川年.手拉葫芦-杭州年手枪电钻ΦΦ上海年.手提砂轮机Φ进口年.水准仪-上海年水平尺1M漏风测试仪天津年风速仪天津年联合角咬口机西安年手动折方机西安年施工力量安排我公司将此工程作为公司的重点创优工程,并选派公司内强有力的项目班子来组建本工程的项目经理部,并成立本工程的项目领导小组,公司经理亲自担...

1、当您付费下载文档后,您只拥有了使用权限,并不意味着购买了版权,文档只能用于自身使用,不得用于其他商业用途(如 [转卖]进行直接盈利或[编辑后售卖]进行间接盈利)。
2、本站所有内容均由合作方或网友上传,本站不对文档的完整性、权威性及其观点立场正确性做任何保证或承诺!文档内容仅供研究参考,付费前请自行鉴别。
3、如文档内容存在违规,或者侵犯商业秘密、侵犯著作权等,请点击“违规举报”。

碎片内容

某宾馆空调安装施工组织设计(DOC76页)

您可能关注的文档

确认删除?
VIP
微信客服
  • 扫码咨询
会员Q群
  • 会员专属群点击这里加入QQ群
客服邮箱
回到顶部