电脑桌面
添加小米粒文库到电脑桌面
安装后可以在桌面快捷访问

成品鞋测试方法,及电线电缆测试方法VIP免费

成品鞋测试方法,及电线电缆测试方法_第1页
1/5
成品鞋测试方法,及电线电缆测试方法_第2页
2/5
成品鞋测试方法,及电线电缆测试方法_第3页
3/5
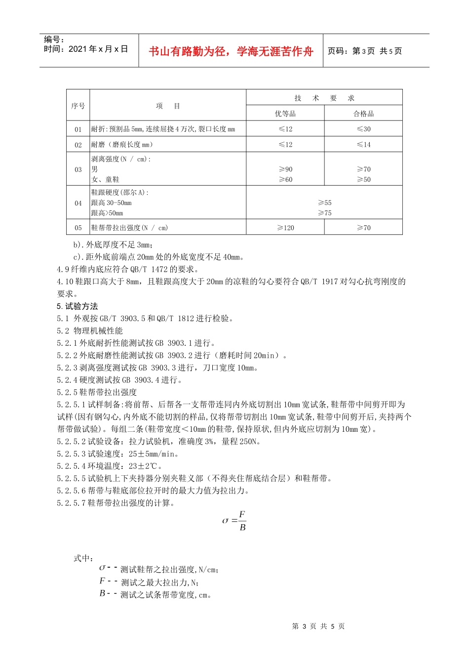
第1页共5页编号:时间:2021年x月x日书山有路勤为径,学海无涯苦作舟页码:第1页共5页皮凉鞋1.前言1.1本标准规定了皮凉鞋的产品分类、技术要求、试验方法、检验规则及标志、包装、运输、贮存。1.2本标准适用于以天然皮革、人造仿皮材料为帮带(面)的日常穿用的各种工艺制做的皮凉鞋。2.引用标准下列标准所包含的条文,通过在本标准中引用而构成为本标准的条文。本标准出版时,所示版本均为有效。所有标准都会被修订,使用本标准的各方应探讨使用下列标准最新版本的可能性。GB3293-82中国鞋号及鞋楦系列GB/T3903.1-94鞋类通用检验方法耐折性能试验方法GB/T3903.2-94鞋类通用检验方法耐磨性能试验方法GB/T3903.3-94鞋类通用检验方法剥离强度试验方法GB/T3903.4-94鞋类通用检验方法硬度试验方法GB/T3903.5-94鞋类通用检验方法外观检验方法QB/T1472-92鞋用纤维板屈挠指数QB/T1812-93皮鞋成鞋检验方法QB1917-93皮鞋钢勾心3.产品分类按使用对象分为男、女、童皮凉鞋。按材质分为天然皮革、人造仿皮材料的皮凉鞋。按款式分为袢带式、满帮式、中空式、前后空式等。4.技术要求4.1鞋号要符合GB3293的要求。4.2鞋楦要符合GB3293的要求。4.3外观质量符合表1要求。其中序号1~7项为主要项目,序号8~11为次要项目。4.4鞋帮带总厚度不小于1.0mm。4.5外底前掌着力部位扣除花纹后厚度符合表2要求。4.6物理机械性能见表3。序号1、3和5以及勾心抗弯刚度为主要项目,序号2、4为次要项目。表1第2页共5页第1页共5页编号:时间:2021年x月x日书山有路勤为径,学海无涯苦作舟页码:第2页共5页表24.7有包头的凉鞋测剥离强度可以不测鞋帮带拉出强度;其它凉鞋测鞋帮带拉出强度。粘缝或缝制皮凉鞋免测剥离强度和鞋带拉出强度。4.8女鞋出现以下情况之一时,剥离强度不得小于40N/cm:a).鞋面革为羊面革、合成材料;表3序号项目优等品合格品01帮带(面)同双鞋相同部位的色泽、厚度、花纹、绒毛粗细一致,不允许有影响外观的缺陷。凿眼要透,眼壁平滑。同双鞋相同部位的色泽、厚度、花纹、绒毛粗细基本一致。允许有轻微缺陷,但不允许有裂浆、裂面。凿眼要透,漏凿允许一处。02绷帮端正、平服。同双鞋相同部位基本一致。帮带不得收缩变形。凿眼、编结不变形。同双鞋相同部位互差不超过2.0mm。端正、平服。同双鞋相同部位基本一致。帮带不得收缩变形。凿眼、编结不变形。同双鞋相同部位互差不超过2.5mm。03主跟内包头硬度适当,不得收缩变形04后跟装配牢固,平正对称。大小、高矮、色泽一致05粘合无开胶、缺胶现象06勾心勾心正。不软(不变形)、不断、不松动。跟口高度超过8mm必须有勾心07鞋内外整洁、平滑、鞋内不脱色08折边沿口基本整齐、均匀,不许有裂边09配件装配牢固基本对称10鞋帮缝线绒路整齐,针码均匀,底、面线松紧一致,不许有跳线重针。冲里不允许断线线路整齐,针码均匀,底、面线松紧基本一致。主要明显部位不许有跳线,次要部位跳线、重针允许一针,每只鞋不得超过两处。冲里不允许断线11外底同双鞋外底相同部位色泽、花纹、厚度基本一致同双鞋外底相同部位、色泽、花纹、厚度基本一致。皮外底允许有轻微缺陷部件男鞋女鞋、童鞋天然革外底≥3.5≥3.0成型底≥3.0≥2.8仿革底≥3.8≥2.8微孔底≥7.0≥5.5第3页共5页第2页共5页编号:时间:2021年x月x日书山有路勤为径,学海无涯苦作舟页码:第3页共5页b).外底厚度不足3mm;c).距外底前端点20mm处的外底宽度不足40mm。4.9纤维内底应符合QB/T1472的要求。4.10鞋跟口高大于8mm,且鞋跟高度大于20mm的凉鞋的勾心要符合QB/T1917对勾心抗弯刚度的要求。5.试验方法5.1外观按GB/T3903.5和QB/T1812进行检验。5.2物理机械性能5.2.1外底耐折性能测试按GB3903.1进行。5.2.2外底耐磨性能测试按GB3903.2进行(磨耗时间20min)。5.2.3剥离强度测试按GB3903.3进行,刀口宽度10mm。5.2.4硬度测试按GB3903.4进行。5.2.5鞋帮带拉出强度5.2.5.1试样制备:将前帮、后帮各一支帮带连同内外底切割出10mm宽试条,鞋帮带中间剪开即为试样(因有钢勾心,内外底不能切割的样品,仅将帮带切割出10mm宽试条,鞋带中间剪开后,夹持两个帮带做试验)。每组二条(鞋带宽度<10mm的鞋带,保持原状,...

1、当您付费下载文档后,您只拥有了使用权限,并不意味着购买了版权,文档只能用于自身使用,不得用于其他商业用途(如 [转卖]进行直接盈利或[编辑后售卖]进行间接盈利)。
2、本站所有内容均由合作方或网友上传,本站不对文档的完整性、权威性及其观点立场正确性做任何保证或承诺!文档内容仅供研究参考,付费前请自行鉴别。
3、如文档内容存在违规,或者侵犯商业秘密、侵犯著作权等,请点击“违规举报”。

碎片内容

成品鞋测试方法,及电线电缆测试方法

确认删除?
VIP
微信客服
  • 扫码咨询
会员Q群
  • 会员专属群点击这里加入QQ群
客服邮箱
回到顶部