电脑桌面
添加小米粒文库到电脑桌面
安装后可以在桌面快捷访问

山水居住宅小区远程集中抄表系统VIP免费

山水居住宅小区远程集中抄表系统_第1页
1/6
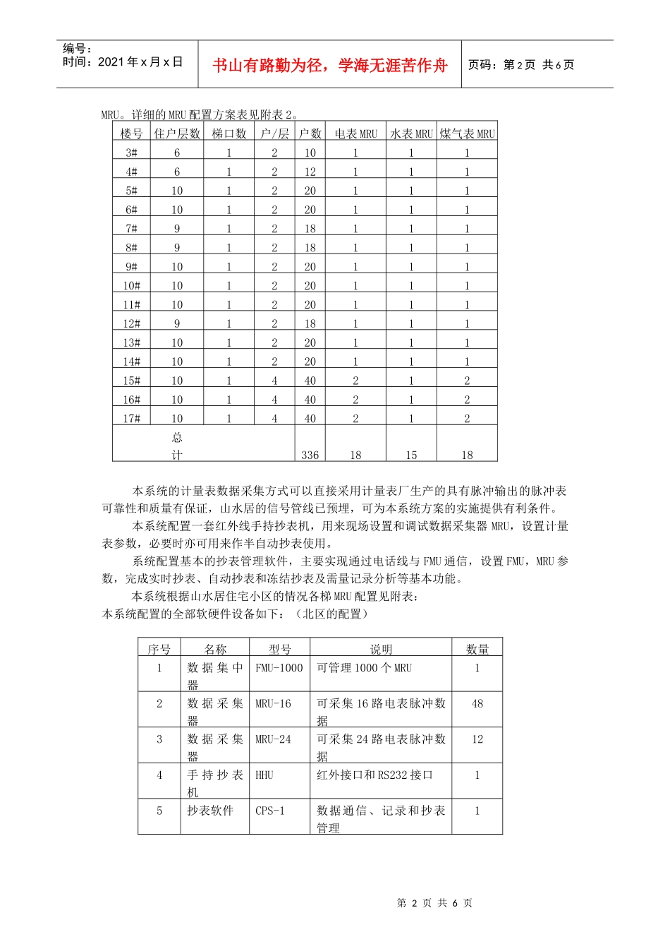
山水居住宅小区远程集中抄表系统_第2页
2/6
山水居住宅小区远程集中抄表系统_第3页
3/6
第1页共6页编号:时间:2021年x月x日书山有路勤为径,学海无涯苦作舟页码:第1页共6页山水居住宅小区远程集中抄表系统设计和施工方案(智能化三表集抄系统)一、工程概述和产品简介1.工程概述三水居住宅小区内分为南北两区,共约980户,其中北区住宅楼即将竣工,该区住户约336户,住宅楼每户的电表、水表集中在各楼的表房里,所有住户气表安装在各户室内,所以山水居基本具备安装远程集中抄表系统的条件。根据考察山水居住宅楼的实际情况,我们将采用基于RS485总线的浩迪远程集中抄表系统来实现山水居住宅小区的智能化三表远程集中抄送功能。二、系统设计方案山水居住宅小区集中抄表系统总体设计采用树型拓扑网络结构,以小区配电房或管理处为中心,通过RS485总线分别各个楼群延伸,沿小区内预留的管道(埋地管道、架空桥架),在每座楼宇的各梯口连接处(电表房),引伸出接入梯间的分支总线,用来连接梯间内的数据采集器(MRU)。远程抄表通讯线布线示意图见图1通过在住宅区电房内添置一条电话线,或利用物业管理处的电话线,可以实现与供电所(供水公司、煤气公司)的计算机进行通信,从而实现通过电话线远程抄表。各个住宅楼内根据各层安装的计量表数量不同,分别安装若干个16路或24路的第2页共6页第1页共6页编号:时间:2021年x月x日书山有路勤为径,学海无涯苦作舟页码:第2页共6页MRU。详细的MRU配置方案表见附表2。楼号住户层数梯口数户/层户数电表MRU水表MRU煤气表MRU3#612101114#612121115#1012201116#1012201117#912181118#912181119#10122011110#10122011111#10122011112#9121811113#10122011114#10122011115#10144021216#10144021217#101440212总计336181518本系统的计量表数据采集方式可以直接采用计量表厂生产的具有脉冲输出的脉冲表可靠性和质量有保证,山水居的信号管线已预埋,可为本系统方案的实施提供有利条件。本系统配置一套红外线手持抄表机,用来现场设置和调试数据采集器MRU,设置计量表参数,必要时亦可用来作半自动抄表使用。系统配置基本的抄表管理软件,主要实现通过电话线与FMU通信,设置FMU,MRU参数,完成实时抄表、自动抄表和冻结抄表及需量记录分析等基本功能。本系统根据山水居住宅小区的情况各梯MRU配置见附表:本系统配置的全部软硬件设备如下:(北区的配置)序号名称型号说明数量1数据集中器FMU-1000可管理1000个MRU12数据采集器MRU-16可采集16路电表脉冲数据483数据采集器MRU-24可采集24路电表脉冲数据124手持抄表机HHU红外接口和RS232接口15抄表软件CPS-1数据通信、记录和抄表管理1第3页共6页第2页共6页编号:时间:2021年x月x日书山有路勤为径,学海无涯苦作舟页码:第3页共6页三、MRU安装和布线方案MRU要求安装在计量表箱附近,以便脉冲线连接。电表和水表的MRU分别安装在各楼的首层电表箱旁或水表房内。采集水表数据的MRU的电源线引向同层的电表箱,RS485通讯总线引向同层的采集电表数据的MRU,如图2中←→所示。气表信号管线的走向则根据实际线路向MRU集中,最后安装在首层电表箱房侧(里)。图2:各楼型设备分布图第4页共6页第3页共6页编号:时间:2021年x月x日书山有路勤为径,学海无涯苦作舟页码:第4页共6页第5页共6页第4页共6页编号:时间:2021年x月x日书山有路勤为径,学海无涯苦作舟页码:第5页共6页系统原理图如图3:考虑山水居住宅楼计量表集中情况,建议采用可以安装单个MRU的设备箱,其外形尺寸不大于400X300X125mm,箱内安装MRU。设备箱外走线均通过线槽或铁管,以便有效保护信号线的安全。四、施工安排和计划为了有效完成抄表系统的安装和调试工作,便于客户管理和维护集中抄表系统,我们建议本系统的施工根据双方协议派施工队承担完成,浩迪公司派工程师现场指挥。施工人员应包括至少一个工程师负责现场指挥和调试,若干个工人负责布线和设备安装。山水居远程集中抄表系统计划施工周期为21个工作日,主要工作内容和安排如下:序号名称内容时间1备料准备设备箱、布线材料1天2布线安装设备箱、安装线槽、布线14天4安装调试MRU安装MRU,设置用户电表参数3天5系统连通安装FMU,安装电话线,调试软件2天6测试验收远程抄表,核...

1、当您付费下载文档后,您只拥有了使用权限,并不意味着购买了版权,文档只能用于自身使用,不得用于其他商业用途(如 [转卖]进行直接盈利或[编辑后售卖]进行间接盈利)。
2、本站所有内容均由合作方或网友上传,本站不对文档的完整性、权威性及其观点立场正确性做任何保证或承诺!文档内容仅供研究参考,付费前请自行鉴别。
3、如文档内容存在违规,或者侵犯商业秘密、侵犯著作权等,请点击“违规举报”。

碎片内容

山水居住宅小区远程集中抄表系统

确认删除?
VIP
微信客服
  • 扫码咨询
会员Q群
  • 会员专属群点击这里加入QQ群
客服邮箱
回到顶部