电脑桌面
添加小米粒文库到电脑桌面
安装后可以在桌面快捷访问

室外给水管道安装工程检验批质量验收记录VIP免费

室外给水管道安装工程检验批质量验收记录_第1页
1/7
室外给水管道安装工程检验批质量验收记录_第2页
2/7
室外给水管道安装工程检验批质量验收记录_第3页
3/7
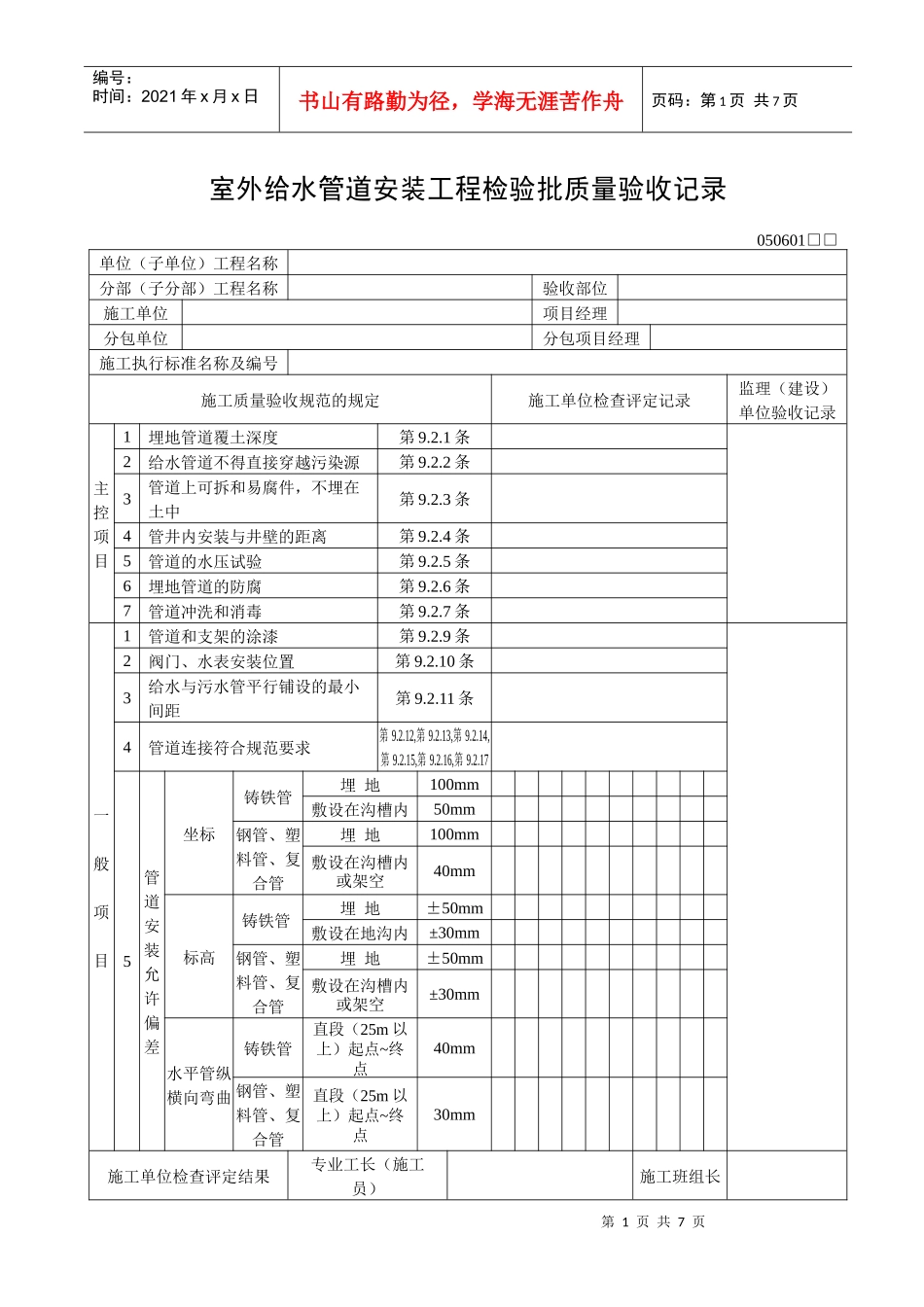
第1页共7页编号:时间:2021年x月x日书山有路勤为径,学海无涯苦作舟页码:第1页共7页室外给水管道安装工程检验批质量验收记录050601□□单位(子单位)工程名称分部(子分部)工程名称验收部位施工单位项目经理分包单位分包项目经理施工执行标准名称及编号施工质量验收规范的规定施工单位检查评定记录监理(建设)单位验收记录主控项目1埋地管道覆土深度第9.2.1条2给水管道不得直接穿越污染源第9.2.2条3管道上可拆和易腐件,不埋在土中第9.2.3条4管井内安装与井壁的距离第9.2.4条5管道的水压试验第9.2.5条6埋地管道的防腐第9.2.6条7管道冲洗和消毒第9.2.7条一般项目1管道和支架的涂漆第9.2.9条2阀门、水表安装位置第9.2.10条3给水与污水管平行铺设的最小间距第9.2.11条4管道连接符合规范要求第9.2.12,第9.2.13,第9.2.14,第9.2.15,第9.2.16,第9.2.175管道安装允许偏差坐标铸铁管埋地100mm敷设在沟槽内50mm钢管、塑料管、复合管埋地100mm敷设在沟槽内或架空40mm标高铸铁管埋地±50mm敷设在地沟内±30mm钢管、塑料管、复合管埋地±50mm敷设在沟槽内或架空±30mm水平管纵横向弯曲铸铁管直段(25m以上)起点~终点40mm钢管、塑料管、复合管直段(25m以上)起点~终点30mm施工单位检查评定结果专业工长(施工员)施工班组长第2页共7页第1页共7页编号:时间:2021年x月x日书山有路勤为径,学海无涯苦作舟页码:第2页共7页项目专业质量检查员:年月日监理(建设)单位验收结论专业监理工程师:(建设单位项目专业技术负责人)年月日消防水泵接合器及室外消火栓安装工程检验批质量验收记录050602□□单位(子单位)工程名称分部(子分部)工程名称验收部位施工单位项目经理分包单位分包项目经理施工执行标准名称及编号施工质量验收规范的规定施工单位检查评定记录监理(建设)单位验收记录主控项目1系统水压试第9.3.1条2管道冲洗第9.3.2条3消防水泵结合器和室外消火栓位置标识第9.3.3条一般项目1地下式消防水泵接合器、消火栓安装第9.3.5条2阀门安装应方向正确,启闭灵活第9.3.6条3室外消火栓和消防水泵结合器安装尺寸,栓口安装高度允许偏差±20m第3页共7页第2页共7页编号:时间:2021年x月x日书山有路勤为径,学海无涯苦作舟页码:第3页共7页施工单位检查评定结果专业工长(施工员)施工班组长项目专业质量检查员:年月日监理(建设)单位验收结论专业监理工程师:(建设单位项目专业技术负责人)年月日管沟及井室工程检验批质量验收记录050603□□单位(子单位)工程名称分部(子分部)工程名称验收部位施工单位项目经理分包单位分包项目经理施工执行标准名称及编号施工质量验收规范的规定施工单位检查评定记录监理(建设)单位验收记录主控项目1管沟的基层处理和井室的地基设计要求2各类井盖的标识应清楚,使用正确第9.4.2条3通车路面上的各类井盖安装第9.4.3条4重型井圈与墙体结合部处理第9.4.4条一般项目1管沟及各类井室的位置、坐标,沟底标高设计要求2管沟的回填要求第9.4.6条3管沟岩石基底要求第9.4.7条4管沟回填的要求第9.4.8条5井室内施工要求第9.4.9条第4页共7页第3页共7页编号:时间:2021年x月x日书山有路勤为径,学海无涯苦作舟页码:第4页共7页6井室内应严密,不透水第9.4.10条施工单位检查评定结果专业工长(施工员)施工班组长项目专业质量检查员:年月日监理(建设)单位验收结论专业监理工程师:(建设单位项目专业技术负责人)年月日室外排水管道安装工程检验批质量验收记录050701□□单位(子单位)工程名称分部(子分部)工程名称验收部位施工单位项目经理分包单位分包项目经理施工执行标准名称及编号施工质量验收规范的规定施工单位检查评定记录监理(建设)单位验收记录主控项目1管道坡度符合设计要求、严禁无坡或倒坡设计要求2灌水试验和通水试验第10.2.2条一般项目1排水铸铁管的水泥捻口第10.2.4条2排水铸铁管除锈、涂漆第10.2.5条3承插接口安装方向第10.2.6条4砼管或钢筋砼管抹带接口的要求第10.2.7条5允许偏差坐标埋地100mm敷设在沟槽内50mm标高埋地±20mm第5页共7页第4页共7页编号:时间:2021年x月x日书山有路勤为径,学海无涯苦作舟页码:第5页共7页敷设在沟...

1、当您付费下载文档后,您只拥有了使用权限,并不意味着购买了版权,文档只能用于自身使用,不得用于其他商业用途(如 [转卖]进行直接盈利或[编辑后售卖]进行间接盈利)。
2、本站所有内容均由合作方或网友上传,本站不对文档的完整性、权威性及其观点立场正确性做任何保证或承诺!文档内容仅供研究参考,付费前请自行鉴别。
3、如文档内容存在违规,或者侵犯商业秘密、侵犯著作权等,请点击“违规举报”。

碎片内容

室外给水管道安装工程检验批质量验收记录

教育精品店+ 关注
实名认证
内容提供者

优良的服务

确认删除?
VIP
微信客服
  • 扫码咨询
会员Q群
  • 会员专属群点击这里加入QQ群
客服邮箱
回到顶部