电脑桌面
添加小米粒文库到电脑桌面
安装后可以在桌面快捷访问

华北光学仪器公司采购部机械加工外协工程师职位说明书VIP免费

华北光学仪器公司采购部机械加工外协工程师职位说明书_第1页
1/2
华北光学仪器公司采购部机械加工外协工程师职位说明书_第2页
2/2
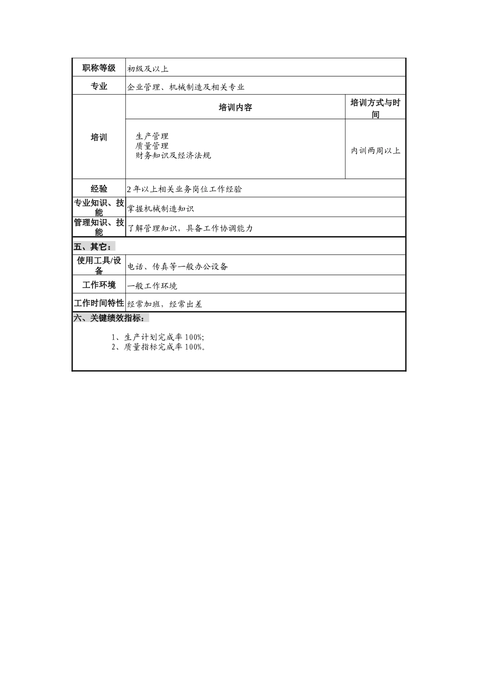
机械加工外协工程师职位说明书岗位名称机械加工外协工程师所在部门采购部直接上级外协主管直接下级岗位定员所辖人员一、职责与工作任务:职责一职责表述:执行机械加工外协生产作业计划占全部工作时间的百分比:50%工作任务按计划期量要求,确定机械加工外协生产进度及时向外协厂家提供图纸及原材料检查外协质量进度,负责协调外协过程中的各类问题职责二职责表述:保持良好协作关系占全部工作时间的百分比:15%工作任务及时与领导沟通情况反映问题,保持内外信息畅通及时向外协厂家反馈质量情况为其改进工作提供参考依据认真审核外协价格按时支付外协费用职责三职责表述:机械加工外协产品质量控制占全部工作时间的百分比:25%工作任务严格按图纸要求委托加工,外协零件要有完整、有效的质量证明不能擅自处理工艺技术问题,拒收不符合质量要求的零件所有技术更改必须有工程技术人员的文字依据保证完成质量指标职责四职责表述:完成领导交办其他任务占全部工作时间的百分比:10%二、职权:权限1对改进工作有建议权三、工作协作关系:内部协调关系生产安全部、设计所、工艺所、计量检测中心外部协调关系岗位职责范围内的外协厂家四、任职资格:教育水平中专及以上学历职称等级初级及以上专业企业管理、机械制造及相关专业培训培训内容培训方式与时间生产管理质量管理财务知识及经济法规内训两周以上经验2年以上相关业务岗位工作经验专业知识、技能掌握机械制造知识管理知识、技能了解管理知识,具备工作协调能力五、其它:使用工具/设备电话、传真等一般办公设备工作环境一般工作环境工作时间特性经常加班,经常出差六、关键绩效指标:1、生产计划完成率100%;2、质量指标完成率100%。

1、当您付费下载文档后,您只拥有了使用权限,并不意味着购买了版权,文档只能用于自身使用,不得用于其他商业用途(如 [转卖]进行直接盈利或[编辑后售卖]进行间接盈利)。
2、本站所有内容均由合作方或网友上传,本站不对文档的完整性、权威性及其观点立场正确性做任何保证或承诺!文档内容仅供研究参考,付费前请自行鉴别。
3、如文档内容存在违规,或者侵犯商业秘密、侵犯著作权等,请点击“违规举报”。

碎片内容

华北光学仪器公司采购部机械加工外协工程师职位说明书

您可能关注的文档

确认删除?
VIP
微信客服
  • 扫码咨询
会员Q群
  • 会员专属群点击这里加入QQ群
客服邮箱
回到顶部