电脑桌面
添加小米粒文库到电脑桌面
安装后可以在桌面快捷访问

同济大学道路交通讲义VIP免费

同济大学道路交通讲义_第1页
1/19
同济大学道路交通讲义_第2页
2/19
同济大学道路交通讲义_第3页
3/19
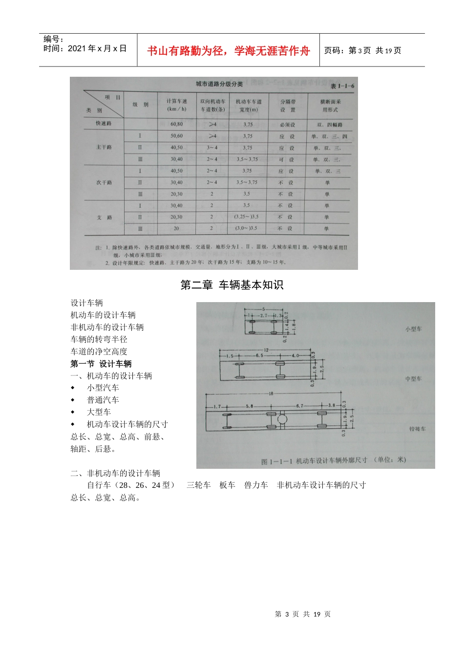
第1页共19页编号:时间:2021年x月x日书山有路勤为径,学海无涯苦作舟页码:第1页共19页第一章绪论道路运输的特点和道路的功能道路的分类第一节道路运输的特点和道路功能一、道路运输的特点1.交通运输体系的组成铁路道路航空水路管道二、道路运输的特点2.各种运输方式特性的比较可达性、方便性安全性舒适性运输能力运输速度铁路160-200公里/小时、道路小于120公里/小时、水陆16-30公里/小时、航空160-1000公里/小时、管道1.6-30公里/小时。2.各种运输方式特性的比较能源消耗服务对象经济运距铁路小于500公里、道路小于200公里、航空500-1000公里。投资3.道路运输的特点机动灵活性大。直达运输,100-200公里的短途运输,经济可靠。普及面广、适应性强。灾时、战时、平时。速度快、造价低。运量大。三、道路的功能1.交通功能。工作、学习、生活、娱乐出行,货物运输,机动灵活性大。形成国土结构功能。用地结构的骨架,组成街坊。公共空间功能。保证日照、通风;提供综合交通体系空间;提供公用设施管线走廊。防灾功能。保证消防活动、救援活动,紧急疏散;避难道路;防火带。繁荣经济。开发国土,活跃市场。第二节道路的分类一、道路的分类公路。城市道路。厂矿道路。林区道路。乡村道路。第2页共19页第1页共19页编号:时间:2021年x月x日书山有路勤为径,学海无涯苦作舟页码:第2页共19页二、公路的分类1.国家干线公路。2.省干线公路。3.县公路。4.乡公路。三、公路的分级1.汽车专用公路。高速公路。年平均昼夜交通量25000pcu。一级公路。年平均昼夜交通量10000-25000pcu。二级公路。年平均昼夜交通量4500-7000辆标准普通汽车。2,一般公路。二级公路。年平均昼夜交通量2000-5000辆标准普通汽车。三级公路。年平均昼夜交通量2000辆标准普通汽车以下。四级公路。年平均昼夜交通量200辆标准普通汽车以下。四、城市道路的分类1.快速路。2.主干路。3.次干路。4.支路。第3页共19页第2页共19页编号:时间:2021年x月x日书山有路勤为径,学海无涯苦作舟页码:第3页共19页第二章车辆基本知识设计车辆机动车的设计车辆非机动车的设计车辆车辆的转弯半径车道的净空高度第一节设计车辆一、机动车的设计车辆小型汽车普通汽车大型车机动车设计车辆的尺寸总长、总宽、总高、前悬、轴距、后悬。二、非机动车的设计车辆自行车(28、26、24型)三轮车板车兽力车非机动车设计车辆的尺寸总长、总宽、总高。第4页共19页第3页共19页编号:时间:2021年x月x日书山有路勤为径,学海无涯苦作舟页码:第4页共19页三、车辆的转弯半径1.汽车的最小转弯半径是指汽车前外轮中心的转弯半径,由汽车本身的构造、性能决定。2.可作为停车场库、回车场地和公交车终点站通道设计的依据。第5页共19页第4页共19页编号:时间:2021年x月x日书山有路勤为径,学海无涯苦作舟页码:第5页共19页四、车道的净空高度为汽车本身的高度加安全距离之和,是道路设计的依据。1.各种汽车:4.5米。2.无轨电车:5.0米。3.有轨电车:5.5米。4.自行车、行人:2.5米。5.其他非机动车:3.5米。第二节车辆的停放车辆的停放1.车辆的停放方式和通道宽度2.机动车的停放面积3.机动车的回车场地4.非机动车的停放用地一、车辆的停放方式和通道宽度1.车辆的停放方式。平行式。斜列式。30、45、60度。垂直式。2.停车带和通道宽度。车型。停发方式。构造、性能。第6页共19页第5页共19页编号:时间:2021年x月x日书山有路勤为径,学海无涯苦作舟页码:第6页共19页司机的驾驶水平。3.车型的确定。停车场地的性质。高峰时段所占比例大的车型为依据。4.车辆的停发方式。前进停车、后退发车。后退停车、前进发车。前进停车、前进发车。5.车辆停放的纵向横向净距。6.机动车停车位尺寸和通道宽度。二、机动车的停放面积1.单位停车面积的确定。2.单位停车面积的估算。小型汽车:20~30平方米。普通汽车:40~50平方米。大型车:60~70平方米。三、机动车的回车场地四、非机动车的停放用地1.自行车的停车方式。2.单向排列、双向错位、高低错位、...

1、当您付费下载文档后,您只拥有了使用权限,并不意味着购买了版权,文档只能用于自身使用,不得用于其他商业用途(如 [转卖]进行直接盈利或[编辑后售卖]进行间接盈利)。
2、本站所有内容均由合作方或网友上传,本站不对文档的完整性、权威性及其观点立场正确性做任何保证或承诺!文档内容仅供研究参考,付费前请自行鉴别。
3、如文档内容存在违规,或者侵犯商业秘密、侵犯著作权等,请点击“违规举报”。

碎片内容

同济大学道路交通讲义

您可能关注的文档

确认删除?
VIP
微信客服
  • 扫码咨询
会员Q群
  • 会员专属群点击这里加入QQ群
客服邮箱
回到顶部