电脑桌面
添加小米粒文库到电脑桌面
安装后可以在桌面快捷访问

启动锅炉房屋面模板高支模排架搭设方案VIP免费

启动锅炉房屋面模板高支模排架搭设方案_第1页
1/44
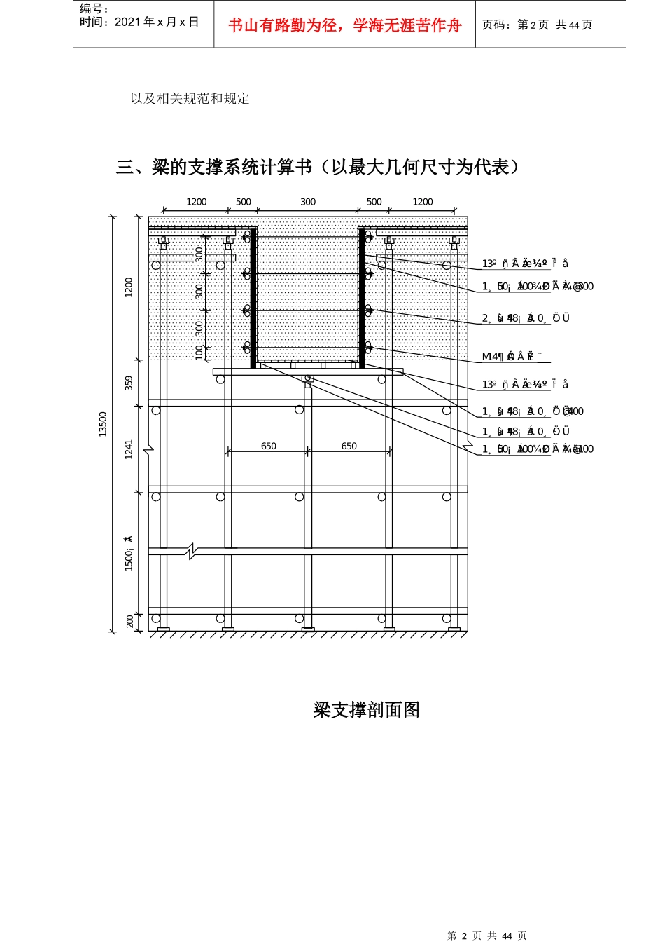
启动锅炉房屋面模板高支模排架搭设方案_第2页
2/44
启动锅炉房屋面模板高支模排架搭设方案_第3页
3/44
第0页共44页编号:时间:2021年x月x日书山有路勤为径,学海无涯苦作舟页码:第0页共44页目录一、工程概况…………………………………………………………………2二、方案编制依据……………………………………………………………3三、梁的系统计算书…………………………………………………………3四、现浇板的系统计算书……………………………………………………28五、安全技术交底…………………………………………………………42六、施工安全…………………………………………………………………42七、安全文明保证措施………………………………………………………43附件:危险源辨识专家论证报告第1页共44页第0页共44页编号:时间:2021年x月x日书山有路勤为径,学海无涯苦作舟页码:第1页共44页一、工程概况1、本工程为动力装置启动锅炉房,是一座综合建筑,里面有电气室、锅炉间、堆煤间、休息室等。2、该工程综合建筑物总建筑面积为1779m2,二层框架结构,总高度约15m。3、为确保施工安全,方便施工,主体施工、装饰施工外围搭设双排(脚手架专项方案),内部框架混凝土结构采用钢管扣件满堂搭设的方法。4、本工程的1轴至5轴和B至D轴为启动锅炉间,建筑面积为33M*25M=825M3,屋面高度为13.5M,层高为13.5M,5轴至6轴和B至D轴为启动锅炉的堆煤间,建筑面积为25M*9M=225M3,屋面高度为10M,层高为10.6M,属于高大模板支模,特编此专项方案。二、方案编制依据1、《建筑施工模板安全技术规范》(JGJ162-2008)2、《建筑施工计算手册》江正荣著3、《建筑结构荷载规范》(GB50009-2001)4、《混凝土结构设计规范》(GB50010-2010)5、《钢结构设计规范》(GB50017-2003)6、《建筑施工扣件式钢管脚手架安全技术规范》(JGJl30—2011)7、《建筑施工安全检查标准》(JGJ59—99)8、《建筑施工高处作业安全技术规范》(JGJ80—91)9、施工图纸第2页共44页第1页共44页编号:时间:2021年x月x日书山有路勤为径,学海无涯苦作舟页码:第2页共44页以及相关规范和规定三、梁的支撑系统计算书(以最大几何尺寸为代表)梁支撑剖面图200120012005005003001350012003591500¡Á7124165065010030030030013ºñ¸²ÃæÄ¾½ºÏ°å1¸ù50¡Á100¾ØÐÎľÀã@3002¸ù§¶48¡Á3.0¸Ö¹ÜM14¶ÔÀ­ÂÝ˨13ºñ¸²ÃæÄ¾½ºÏ°å1¸ù§¶48¡Á3.0¸Ö¹Ü@4001¸ù§¶48¡Á3.0¸Ö¹Ü1¸ù50¡Á100¾ØÐÎľÀã@100第3页共44页第2页共44页编号:时间:2021年x月x日书山有路勤为径,学海无涯苦作舟页码:第3页共44页钢管排列图3.1、参数信息3.1.1.模板构造及支撑参数(一)构造参数梁截面宽度B:0.3m;梁截面高度D:1.2m;楼层高度H:13.5m;结构表面要求:隐藏;混凝土楼板厚度:120mm;梁边至板支撑距离:0.5m;板底承重立杆横向间距lb:1.2m;立杆沿梁跨度方向间距la:0.8m;立杆步距h:1.5m;梁底承重立杆根数:1;横杆与立杆的的连接方式为双扣件;扣件抗滑承载力系数:0.8;(二)支撑参数梁底采用的支撑钢管类型为:Ф48×3.2mm;钢管钢材品种:钢材Q235钢(>16-40);钢管弹性模量E:206000N/mm2;钢管屈服强度fy:235N/mm2;钢管抗拉/抗压/抗弯强度设计值f:205N/mm2;Áº800800500300500650650第4页共44页第3页共44页编号:时间:2021年x月x日书山有路勤为径,学海无涯苦作舟页码:第4页共44页钢管抗剪强度设计值fv:120N/mm2;钢管端面承压强度设计值fce:325N/mm2;3.1.2.荷载参数新浇筑砼自重标准值G2k:24kN/m3;钢筋自重标准值G3k:1.5kN/m3;梁侧模板自重标准值G1k:0.5kN/m2;砼对模板侧压力标准值G4k:12.933kN/m2;振捣砼对梁侧模板荷载Q2k:4kN/m2;梁底模板自重标准值G1k:0.5kN/m2;振捣砼对梁底模板荷载Q2k:2kN/m2;3.1.3.梁侧模板参数加固楞搭设形式:主楞横向次楞竖向设置;(一)面板参数面板采用12mm厚覆面木胶合板;厚度:12mm;抗弯设计值fm:29N/mm2;弹性模量E:11500N/mm2;(二)主楞参数材料:2根Ф48×3.2钢管;间距(mm):100,300*3;钢材品种:钢材Q235钢(>16-40);弹性模量E:206000N/mm2;屈服强度fy:235N/mm2;抗拉/抗压/抗弯强度设计值f...

1、当您付费下载文档后,您只拥有了使用权限,并不意味着购买了版权,文档只能用于自身使用,不得用于其他商业用途(如 [转卖]进行直接盈利或[编辑后售卖]进行间接盈利)。
2、本站所有内容均由合作方或网友上传,本站不对文档的完整性、权威性及其观点立场正确性做任何保证或承诺!文档内容仅供研究参考,付费前请自行鉴别。
3、如文档内容存在违规,或者侵犯商业秘密、侵犯著作权等,请点击“违规举报”。

碎片内容

启动锅炉房屋面模板高支模排架搭设方案

您可能关注的文档

教育精品店+ 关注
实名认证
内容提供者

优良的服务

确认删除?
VIP
微信客服
  • 扫码咨询
会员Q群
  • 会员专属群点击这里加入QQ群
客服邮箱
回到顶部