电脑桌面
添加小米粒文库到电脑桌面
安装后可以在桌面快捷访问

常用电子元件资料VIP免费

常用电子元件资料_第1页
1/20
常用电子元件资料_第2页
2/20
常用电子元件资料_第3页
3/20
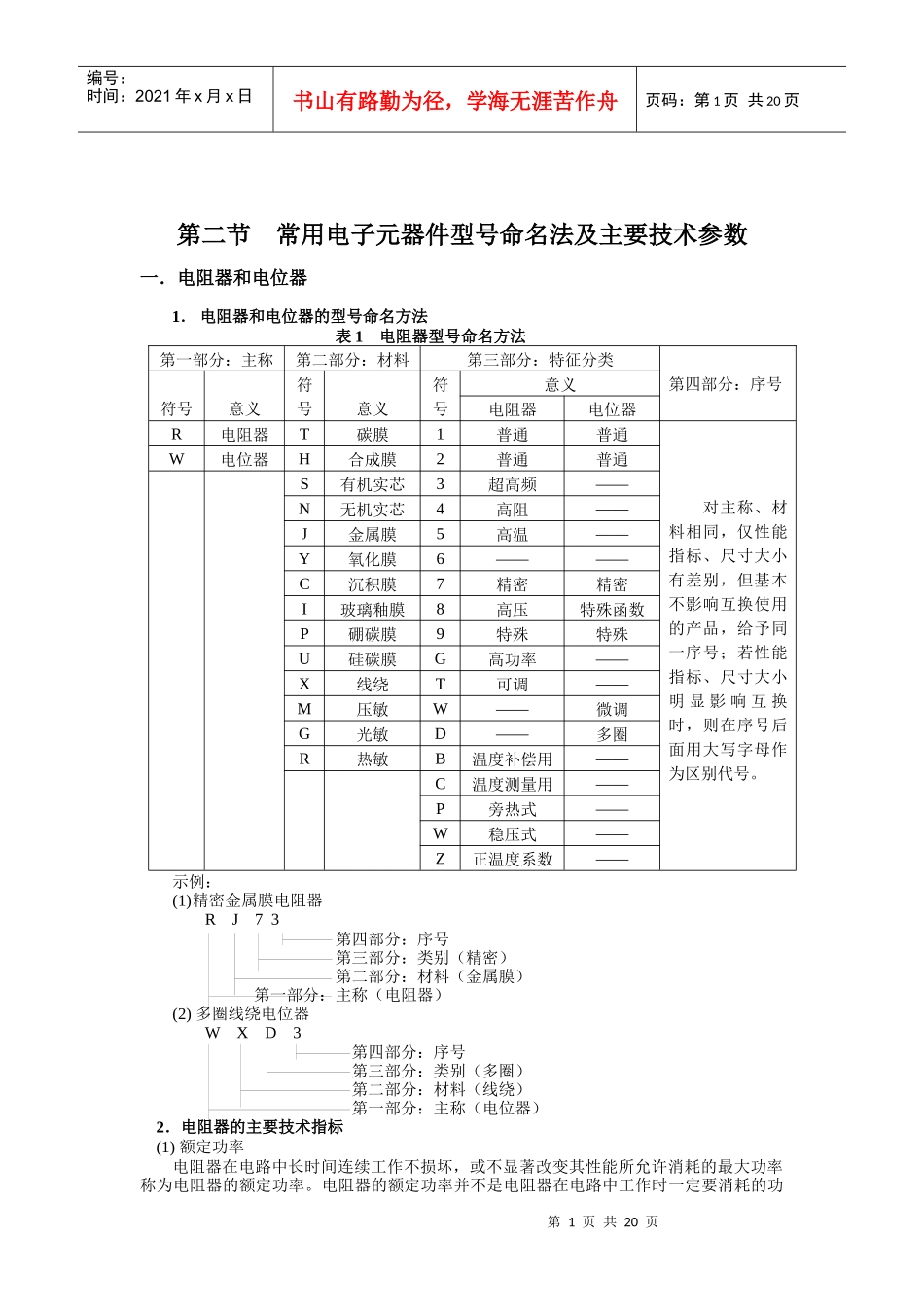
第1页共20页编号:时间:2021年x月x日书山有路勤为径,学海无涯苦作舟页码:第1页共20页第二节常用电子元器件型号命名法及主要技术参数一.电阻器和电位器1.电阻器和电位器的型号命名方法表1电阻器型号命名方法第一部分:主称第二部分:材料第三部分:特征分类第四部分:序号符号意义符号意义符号意义电阻器电位器R电阻器T碳膜1普通普通对主称、材料相同,仅性能指标、尺寸大小有差别,但基本不影响互换使用的产品,给予同一序号;若性能指标、尺寸大小明显影响互换时,则在序号后面用大写字母作为区别代号。W电位器H合成膜2普通普通S有机实芯3超高频――N无机实芯4高阻――J金属膜5高温――Y氧化膜6――――C沉积膜7精密精密I玻璃釉膜8高压特殊函数P硼碳膜9特殊特殊U硅碳膜G高功率――X线绕T可调――M压敏W――微调G光敏D――多圈R热敏B温度补偿用――C温度测量用――P旁热式――W稳压式――Z正温度系数――示例:(1)精密金属膜电阻器RJ73第四部分:序号第三部分:类别(精密)第二部分:材料(金属膜)第一部分:主称(电阻器)(2)多圈线绕电位器WXD3第四部分:序号第三部分:类别(多圈)第二部分:材料(线绕)第一部分:主称(电位器)2.电阻器的主要技术指标(1)额定功率电阻器在电路中长时间连续工作不损坏,或不显著改变其性能所允许消耗的最大功率称为电阻器的额定功率。电阻器的额定功率并不是电阻器在电路中工作时一定要消耗的功第2页共20页第1页共20页编号:时间:2021年x月x日书山有路勤为径,学海无涯苦作舟页码:第2页共20页率,而是电阻器在电路工作中所允许消耗的最大功率。不同类型的电阻具有不同系列的额定功率,如表2所示。表2电阻器的功率等级名称额定功率(W)实芯电阻器0.250.5125-线绕电阻器0.5251352506751010015150薄膜电阻器0.02520.0550.125100.25250.5501100(2)标称阻值阻值是电阻的主要参数之一,不同类型的电阻,阻值范围不同,不同精度的电阻其阻值系列亦不同。根据国家标准,常用的标称电阻值系列如表3所示。E24、E12和E6系列也适用于电位器和电容器。表3标称值系列标称值系列精度电阻器(W)、电位器(W)、电容器标称值(PF)E24±5%1.02.24.71.12.45.11.22.75.61.33.06.21.53.36.81.63.67.51.83.98.22.04.39.1E12±10%1.03.31.23.91.54.71.85.62.26.82.78.2--E6±20%1.01.52.23.34.76.88.2-表中数值再乘以10n,其中n为正整数或负整数。(3)允许误差等级表4电阻的精度等级允许误差(%)±0.001±0.002±0.005±0.01±0.02±0.05±0.1等级符号EXYHUWB允许误差(%)±0.2±0.5±1±2±5±10±20等级符号CDFGJ(I)K(II)M(III)3.电阻器的标志内容及方法(1)文字符号直标法:用阿拉伯数字和文字符号两者有规律的组合来表示标称阻值,额定功率、允许误差等级等。符号前面的数字表示整数阻值,后面的数字依次表示第一位小数阻值和第二位小数阻值,其文字符号所表示的单位如表5所示。如1R5表示1.5W,2K7表示2.7kW,表5文字符号RKMGT表示单位欧姆(W)千欧姆(103W)兆欧姆(106W)千兆欧姆(109W)兆兆欧姆(1012W)例如:RJ71-0.125-5k1-II允许误差±10%标称阻值(5.1kW)额定功率1/8W型号第3页共20页第2页共20页编号:时间:2021年x月x日书山有路勤为径,学海无涯苦作舟页码:第3页共20页由标号可知,它是精密金属膜电阻器,额定功率为1/8W,标称阻值为5.1kW,允许误差为±10%。(2)色标法:色标法是将电阻器的类别及主要技术参数的数值用颜色(色环或色点)标注在它的外表面上。色标电阻(色环电阻)器可分为三环、四环、五环三种标法。其含义如图1和图2所示。标称值第一位有效数字标称值第二位有效数字标称值有效数字后0的个数允许误差颜色第一位有效值第二位有效值倍率允许偏差黑00棕11红22橙33黄44绿55蓝66紫77灰88白99―20%~+50%金5%银10%无色20%图1两位有效数字阻值的色环表示法三色环电阻器的色环表示标称电阻值(允许误差均为±20%)。例如,色环为棕黑红,表示10´102=1.0kW±20%的电阻器。四色环电阻器的色环表示标称值(二位有效数字)及精度。例如,色环为棕绿橙金表示15´103=15kW±5%的电阻器。五色环电阻器的色环表示标称值(三位有效数...

1、当您付费下载文档后,您只拥有了使用权限,并不意味着购买了版权,文档只能用于自身使用,不得用于其他商业用途(如 [转卖]进行直接盈利或[编辑后售卖]进行间接盈利)。
2、本站所有内容均由合作方或网友上传,本站不对文档的完整性、权威性及其观点立场正确性做任何保证或承诺!文档内容仅供研究参考,付费前请自行鉴别。
3、如文档内容存在违规,或者侵犯商业秘密、侵犯著作权等,请点击“违规举报”。

碎片内容

常用电子元件资料

您可能关注的文档

确认删除?
VIP
微信客服
  • 扫码咨询
会员Q群
  • 会员专属群点击这里加入QQ群
客服邮箱
回到顶部