电脑桌面
添加小米粒文库到电脑桌面
安装后可以在桌面快捷访问

工程质量创优措施(通用)VIP免费

工程质量创优措施(通用)_第1页
1/48
工程质量创优措施(通用)_第2页
2/48
工程质量创优措施(通用)_第3页
3/48
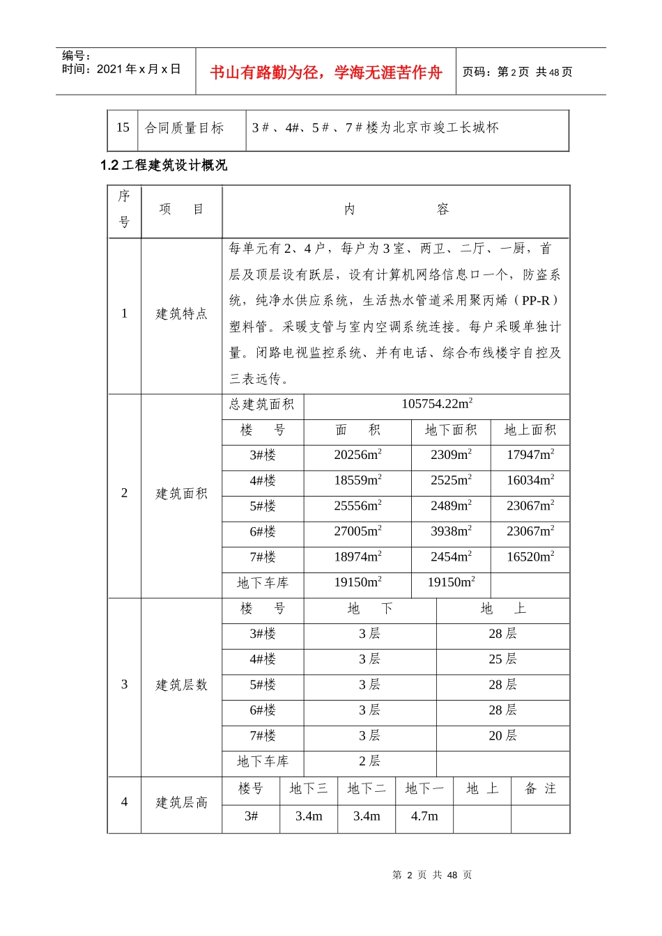
第1页共48页编号:时间:2021年x月x日书山有路勤为径,学海无涯苦作舟页码:第1页共48页1.工程概况1.1工程建设概况序号项目内容1工程名称通用时代住宅小区4#住宅楼等4项2工程地址北京市朝阳区建外永安里甲3号院3建设单位北京通润房地产开发有限公司4勘察单位北京市勘察设计研究院5设计单位北京中天建中工程设计有限责任公司6监理单位北京光华工程建设监理公司7质量监督部门北京市朝阳区质量监督站8施工总包单位中国建筑工程总公司9主要分包单位南通三建三分公司、江苏金坛市长江建筑安装劳务有限公司、湖北省孝感市远大建筑工程公司10合同工程投资额约2.5亿11结算方式预算+增减帐12资金来源自筹资金13工程用途按智能化住宅小区标准设计的住宅建筑14合同工期2002年9月20日——2004年8月23日共704日历天第2页共48页第1页共48页编号:时间:2021年x月x日书山有路勤为径,学海无涯苦作舟页码:第2页共48页15合同质量目标3#、4#、5#、7#楼为北京市竣工长城杯1.2工程建筑设计概况序号项目内容1建筑特点每单元有2、4户,每户为3室、两卫、二厅、一厨,首层及顶层设有跃层,设有计算机网络信息口一个,防盗系统,纯净水供应系统,生活热水管道采用聚丙烯(PP-R)塑料管。采暖支管与室内空调系统连接。每户采暖单独计量。闭路电视监控系统、并有电话、综合布线楼宇自控及三表远传。2建筑面积总建筑面积105754.22m2楼号面积地下面积地上面积3#楼20256m22309m217947m24#楼18559m22525m216034m25#楼25556m22489m223067m26#楼27005m23938m223067m27#楼18974m22454m216520m2地下车库19150m219150m23建筑层数楼号地下地上3#楼3层28层4#楼3层25层5#楼3层28层6#楼3层28层7#楼3层20层地下车库2层4建筑层高楼号地下三地下二地下一地上备注3#3.4m3.4m4.7m第3页共48页第2页共48页编号:时间:2021年x月x日书山有路勤为径,学海无涯苦作舟页码:第3页共48页4#3.65m3.45m4.61m3.2m标准层5#3.3m4.7m3.5m4建筑层高6#3.3m4.7m3.5m3.05m标准层7#3.3m4.7m3.5m3.05m标准层车库3.8m4.2m5建筑高度楼号±0.00标高室内外高差基底标高檐口标高3#楼39.800m300mm-13.00m87.95m4#楼39.800m300mm-13.00m78.35m5#楼39.800m300mm-13.00m86.55m6#楼39.800m300mm-13.00m87.70m7#楼39.800m300mm-13.00m63.30m6外墙保温待定7室外外墙外墙干挂花岗石板,外墙阳台不锈钢栏杆设计新颖造型优美门窗工程铝合金双玻门窗、铝合金玻璃外凸窗、铝合金百页窗屋面工程本工程为非上人屋面8室内装修顶棚工程涂料地面工程水泥地面、地砖、花岗岩地面内墙装修水泥、花岗石、防火防水涂料门窗工程木门、铝合金玻璃门、双开门、防火门楼梯间水泥、地砖,防火涂料公用部分地砖、水泥地面、防火涂料、花岗岩9防水地下室采用一级防水SBS防水卷材二道屋面采用二级防水LYX-603氯化聚乙烯橡胶卷材二道第4页共48页第3页共48页编号:时间:2021年x月x日书山有路勤为径,学海无涯苦作舟页码:第4页共48页厕浴间聚氨酯涂膜1.5mm雨罩聚氨酯涂膜1.5mm1.3工程结构设计概况序号项目内容1结构形式基础筏板基础:底板厚度除地下车库900mm,7#楼1200mm外,其余均为1500mm主体全现浇钢筋混凝土剪力墙2土质水位土质情况为粘土层和粉土层交错分布,中间夹有沙土层和卵石层地下水位近3~5年地下最高水位为28.00m3设计地基地基承载力标准值3#楼560Kpa、4#楼510Kpa、5、6#楼560Kpa、7#楼410Kpa地下车库230Kpa4混凝土强度等级部位强度等级基础垫层C15防水保护层C20基础底板C40/P10地下室外墙、3#~7#楼座地下三层外墙、3#及4#楼座地下二层外墙、水池墙、车库地下三层板厚分界人防墙、C40/P10人防顶板、车库地下二层顶板C40/P10地下室内墙、车库独立柱C40地下三层非人防顶板、5#~7#楼地下二三层顶板C403#~7#地下一层顶板C30地下二三层楼梯/地下一层楼梯C40/C30地上首层~四层墙/地上五层及以上墙C40/C30第5页共48页第4页共48页编号:时间:2021年x月x日书山有路勤为径,学海无涯苦作舟页码:第5页共48页地上顶板、(楼梯)C30(C25)5抗震等级工程抗震设防烈度:8度剪力墙抗震等级3#、5#、6#为1级,2#、4#、7#为2级;车库框架梁、柱抗震等级为3级6钢筋直径底板:Φ25、Φ16...

1、当您付费下载文档后,您只拥有了使用权限,并不意味着购买了版权,文档只能用于自身使用,不得用于其他商业用途(如 [转卖]进行直接盈利或[编辑后售卖]进行间接盈利)。
2、本站所有内容均由合作方或网友上传,本站不对文档的完整性、权威性及其观点立场正确性做任何保证或承诺!文档内容仅供研究参考,付费前请自行鉴别。
3、如文档内容存在违规,或者侵犯商业秘密、侵犯著作权等,请点击“违规举报”。

碎片内容

工程质量创优措施(通用)

确认删除?
VIP
微信客服
  • 扫码咨询
会员Q群
  • 会员专属群点击这里加入QQ群
客服邮箱
回到顶部