电脑桌面
添加小米粒文库到电脑桌面
安装后可以在桌面快捷访问

××科技(深圳)有限公司投融资建议书(doc 13)VIP免费

××科技(深圳)有限公司投融资建议书(doc 13)_第1页
1/11
××科技(深圳)有限公司投融资建议书(doc 13)_第2页
2/11
××科技(深圳)有限公司投融资建议书(doc 13)_第3页
3/11
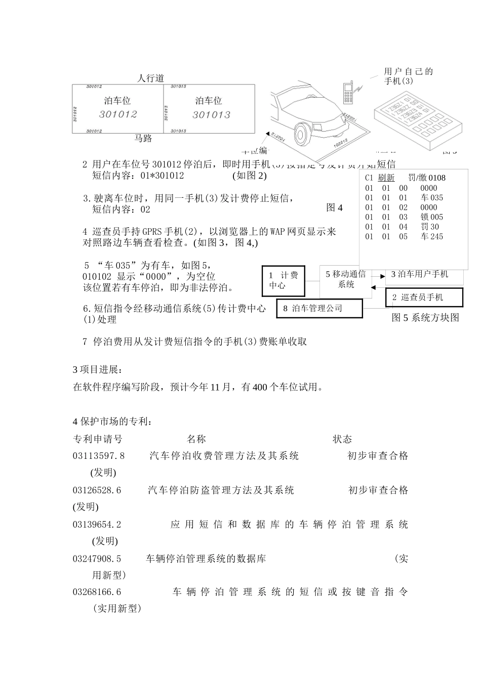
投融资建议书一公司概要百加美得科技(深圳)有限公司是由归国留学生与归国专业人士联合创办的科技企业,于2003年三月得到批准进入创业园,七月完成工商登记注册。公司现有管理人员三人,技术人员五人。公司办公场所在创业园二园509室,面积214平方米。公司的发展目标是:以产品的质量和技术领先,专利和市场开拓为手段,由小发展成为科技开发和销售的百加美得科技集团公司大型企业。经过多年积累了无数的失败教训,现借助于国内政策和各部门的支持,登记注册了公司。二主营业务(一)用手机费缴纳车辆停泊费的管理系统1市场:1)现况路边车辆停泊收费是现代城市计划和交通管理规范化的重要组成部分。中国的市场在上升的前缘,已有10多城市采用传统直立收费咪表。它是市政府立项,私人公司投标管理,上缴比例收入。本公司为全国的路边泊车管理公司提供系统及其服务。传统直立收费咪表有缺点:1)一枝几千元.2)露天设立易损坏3)短期空置被放弃本系统技术领先,成本最低,免除了建设直立收费咪表的巨大投资。2)市场开拓形式1)百加美得科技(深圳)有限公司(称A公司)负责建立电脑计费中心,和当地移动通信合作,提供系统服务和管理模式给各城市的私人公司成立的泊车管理公司(称B公司),向政府推荐或投标。B公司可提取总收入的25%部分,投入可较少,可吸引各城市的合作伙伴。2介绍如下:1泊车位地面划有的方框写有按区,地段划分的车位编号(如图1)2用户在车位号301012停泊后,即时用手机(3)按指定号发计费开始短信短信内容:01*301012(如图2)3.驶离车位时,用同一手机(3)发计费停止短信,短信内容:024巡查员手持GPRS手机(2),以浏览器上的WAP网页显示来对照路边车辆查看检查。(如图3,图4,)5“车035”为有车,如图5,010102显示“0000”,为空位该位置若有车停泊,即为非法停泊。6.短信指令经移动通信系统(5)传计费中心(1)处理7停泊费用从发计费短信指令的手机(3)费账单收取3项目进展:在软件程序编写阶段,预计今年11月,有400个车位试用。4保护市场的专利:专利申请号名称状态03113597.8汽车停泊收费管理方法及其系统初步审查合格(发明)03126528.6汽车停泊防盗管理方法及其系统初步审查合格(发明)03139654.2应用短信和数据库的车辆停泊管理系统(发明)03247908.5车辆停泊管理系统的数据库(实用新型)03268166.6车辆停泊管理系统的短信或按键音指令(实用新型)2巡查员手机图2巡查员手持对照查看车位编号图5系统方块图图13泊车用户手机5移动通信系统8泊车管理公司2图4用户自己的手机(3)图3C1刷新罚/缴01080101000000010101车0350101020000010103锁005010104罚30010105车2451计费中心03268167.4车辆停泊管理系统的短信指令(实用新型)03140008.6车辆停泊管理系统的短信指令(发明)(二)负离子空气清新器产品,1个人便携式负离子空气清新器(图6)外形尺寸:22x63mmx97mm中央空调的购物中心放上衣口袋使用,可预防流行感冒。用3节5号电池取得电力0.3W.,长期通电连续工作8~10小时。在办公室和家中个人范围,可消除个人周围的异味.。使用小充电变压器边供电,边同时充电。零售价格98元以下,出口价格2.5美元。出厂价:(包括充电器)23~32元人民币.2空调负离子空气清新器(作扩大生产补充项)(图7)挂在空调出风口的横栅上,清除睡房,小办公室内致病难闻异味和过多的正离子,改善空气质量.自动随空调开/关零售价格110元以下,出口价格2.5-3美元.出厂价:26~35元人民币.专利号:00239538.x;申请号:00117440.13带电源插座的汽车用负离子空气清新器(图8)功能:1)带有电源插座供给其它设备的插头插入,不影响手提无线电话等在车厢内的长期使用.2)外形尺寸:36x46mmx110mm,功率:0.6WRMS3)使驾驭者头脑清醒,疲劳尽消,有效防止晕浪目眩;负离子浓度300万个/立方厘米以上应用范围:通过车行,超市,商场,礼品销售给有汽车的个人或公司用成本:15元;出厂价;18~30元人民币.专利号:01255311.5图6图8图7专利号:ZL99240768.04中央空调的负离子空气清新器目前建筑物内尚未有中央空调的负离子空气清新器,其原因是若由中央负离子产生器产生负离子,当经由导管被送到目的地的出风口时,由于导管多是由金属制造,金属导管都是接地的,因此负...

1、当您付费下载文档后,您只拥有了使用权限,并不意味着购买了版权,文档只能用于自身使用,不得用于其他商业用途(如 [转卖]进行直接盈利或[编辑后售卖]进行间接盈利)。
2、本站所有内容均由合作方或网友上传,本站不对文档的完整性、权威性及其观点立场正确性做任何保证或承诺!文档内容仅供研究参考,付费前请自行鉴别。
3、如文档内容存在违规,或者侵犯商业秘密、侵犯著作权等,请点击“违规举报”。

碎片内容

××科技(深圳)有限公司投融资建议书(doc 13)

您可能关注的文档

确认删除?
VIP
微信客服
  • 扫码咨询
会员Q群
  • 会员专属群点击这里加入QQ群
客服邮箱
回到顶部