电脑桌面
添加小米粒文库到电脑桌面
安装后可以在桌面快捷访问

要求某企业管理当局希望及时了解企业每日货币资金的流...VIP免费

要求某企业管理当局希望及时了解企业每日货币资金的流..._第1页
1/25
要求某企业管理当局希望及时了解企业每日货币资金的流..._第2页
2/25
要求某企业管理当局希望及时了解企业每日货币资金的流..._第3页
3/25
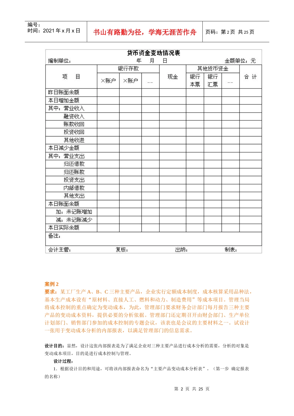
第1页共25页编号:时间:2021年x月x日书山有路勤为径,学海无涯苦作舟页码:第1页共25页案例1要求:某企业管理当局希望及时了解企业每日货币资金的流动、结存等情况,要求财务会计部门每日报告货币资金的流动、结存等情况。试设计一张内部报表,以满足管理部门的信息需求。设计目的:从货币资金日常报告的目的看,它主要是供管理当局及时了解当日企业货币资金的流动、结存情况,是为有效地调度货币资金,因此,货币资金内部报告的核心是如何使企业管理当局及时了解货币资金在本期的增加、减少和期末结存情况。设计过程:1.反映货币资金的流动、结存等情况的报表,实际上就是反映货币资金变动情况,可以命名为“货币资金变动情况表”。(第一步确定报表的名称)2.编制单位是企业的财务会计部门,也可以具体到科或核算组;因是每日报告,所以属于日报表;金额单位应确定为“元”。(第二步确定报表的编制单位、编制周期和金额单位)3.货币资金包括现金、银行存款和其他货币资金。因此,该表应该反映现金、银行存款和其他货币资金的详细情况,可将其设计为栏目。而从重要性程度来看,银行存款应排在最显要的位置。报表项目应按照“期初余额+本期收入―本期支出=期末余额”计算公式确定,并按顺序排列。据此可设计出如下简表。(第三步报表格式与排列顺序的设计)4.从管理的角度考虑,该表应表明货币资金存在的具体形式,比如银行存款是分布在哪些账户(银行账号)上;还应当披露货币资金的来源渠道和用途(均可按类别反映)。这些信息是管理部门进行分析的资料来源,也是进行预测和决策的重要依据。因此,在“本日增加金额”和“本日减少金额”项目下,应分别列示详细情况。(第四步报表指标体系的设计)此外,管理部门利用该表还希望掌握有多少货币资金可实际调度,该表应能够反映明日可实际动用的最大额度。也可以在表的下方增加备注栏,作为补充说明。(非必备步骤附注说明)5.还要明确有关人员的职责。从职责上看,该表应由出纳在每日下班前编制,由会计人员进行复核(根据具体情况也可由会计人员编制,由出纳进行核对),由会计主管或会计机构负责人审批后,方可报出。(第五步设计报表的编报程序)设计结果:按上述设计步骤,货币资金变动情况表的一般格式如下表所示。第2页共25页第1页共25页编号:时间:2021年x月x日书山有路勤为径,学海无涯苦作舟页码:第2页共25页案例2要求:某工厂生产A、B、C三种主要产品,企业实行定额成本制度,成本核算采用品种法,基本生产成本设有“原材料、直接人工、燃料和动力、制造费用”等成本项目。管理当局将成本控制的重点确定为变动成本,为此,管理部门要求财务会计部门每月报告三种主要产品的变动成本资料,提供必要的分析依据。管理部门还定期召开由财会部门、生产单位计划部门、销售部门参加的成本控制的专题会议,该表也是会议的主要材料之一。试设计一张用于变动成本分析的内部报表,以满足管理部门的信息需求。设计目的:显然,设计这张内部报表是为了满足企业对三种主要产品进行成本分析的需要,分析的对象是变动成本项目,目的是进行成本控制与管理。设计过程:1.根据设计目的和用途,可将该内部报表命名为“主要产品变动成本分析表”。(第一步确定报表的名称)第3页共25页第2页共25页编号:时间:2021年x月x日书山有路勤为径,学海无涯苦作舟页码:第3页共25页2.编制单位是企业的财务会计部门,也可以具体落实到成本核算组;因是每月报告,所以属于月报表;金额单位应确定为“元”。(第二步确定报表的编制单位、编制周期和金额单位)3.分析的对象是三种主要产品的变动成本,该表应该提供三种主要产品的变动成本资料,可将三种主要产品设计为表的栏目。按重要性程度和工厂的习惯,三种产品按顺序排列。报表项目应按照“各成本项目的变动成本之和=变动成本合计”的计算公式确定,并按顺序排列。按此结构设计,可设计出如下简表。(第三步报表格式与排列顺序的设计)4.从管理的角度考虑,该表应分别列示变动成本的构成项目,反映变动成本项目的具体情况;作为成本分析表还应该列示定额成本与实际成本,并反映实际成本与...

1、当您付费下载文档后,您只拥有了使用权限,并不意味着购买了版权,文档只能用于自身使用,不得用于其他商业用途(如 [转卖]进行直接盈利或[编辑后售卖]进行间接盈利)。
2、本站所有内容均由合作方或网友上传,本站不对文档的完整性、权威性及其观点立场正确性做任何保证或承诺!文档内容仅供研究参考,付费前请自行鉴别。
3、如文档内容存在违规,或者侵犯商业秘密、侵犯著作权等,请点击“违规举报”。

碎片内容

要求某企业管理当局希望及时了解企业每日货币资金的流...

教育精品店+ 关注
实名认证
内容提供者

优良的服务

确认删除?
VIP
微信客服
  • 扫码咨询
会员Q群
  • 会员专属群点击这里加入QQ群
客服邮箱
回到顶部