电脑桌面
添加小米粒文库到电脑桌面
安装后可以在桌面快捷访问

客户选择收款机的误区VIP免费

客户选择收款机的误区_第1页
1/10
客户选择收款机的误区_第2页
2/10
客户选择收款机的误区_第3页
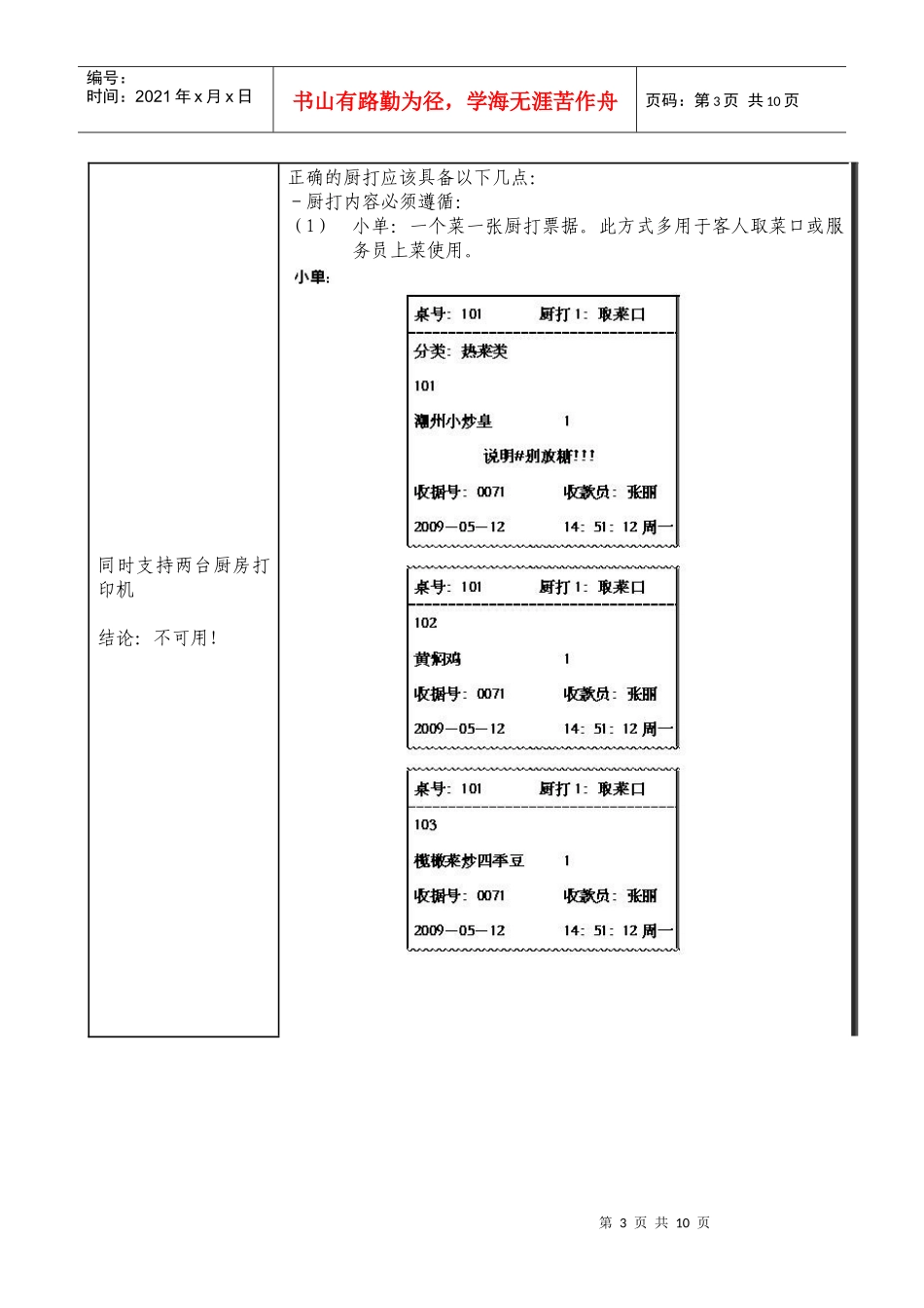
3/10
第1页共10页编号:时间:2021年x月x日书山有路勤为径,学海无涯苦作舟页码:第1页共10页客户选择收款机的误区,和商家的圈套客户在选择收款机的时候完全被收款机厂家的大篇功能所欺骗,而忽略了自己的主张。殊不知这其中大都是与事实不符的广告。客户心态分以下几种:1、收款机的功能都差不多,所以要买最便宜的回答:否。原因:收款机功能相差很多。即使功能列表上一样,使用起来也相差甚远。以下是目前网上销售最多的其中一款机器的说明:我们来分析一下:××收款机功能介绍正确的功能要求可以打印品牌LOGO、店标、行业微标结论:不可用!基本现在所有的收款机都具备此功能,只是要做到打印LOGO,而打印速度不减慢,倒不多见会员管理功能。(简单的查询汇总积分)结论:不可用!正确的会员管理应该具备以下几点:1、会员积分-用户可以自己设置积分原则,多少钱=1分。而不是只是1元=1分-每次小票上打印会员累计积分和本次积分2、会员折扣3、会员特价4、会员折扣+积分5、会员特价+积分第2页共10页第1页共10页编号:时间:2021年x月x日书山有路勤为径,学海无涯苦作舟页码:第2页共10页需要此功能的客户要参看:【客户必读】:收款机如何选择会员管理的收款机http://item.taobao.com/auction/item_detail-0db1-af9f04bf09d1a817298f09bdbdedb1b5.htm第3页共10页第2页共10页编号:时间:2021年x月x日书山有路勤为径,学海无涯苦作舟页码:第3页共10页同时支持两台厨房打印机结论:不可用!正确的厨打应该具备以下几点:-厨打内容必须遵循:(1)小单:一个菜一张厨打票据。此方式多用于客人取菜口或服务员上菜使用。第4页共10页第3页共10页编号:时间:2021年x月x日书山有路勤为径,学海无涯苦作舟页码:第4页共10页(2)类整单:按照不同的菜品分类输出厨打。此方式多用于多部厨房打印机(3)整单:桌整单或客人整单。作为一个厨房的上菜单、划菜单或取菜单第5页共10页第4页共10页编号:时间:2021年x月x日书山有路勤为径,学海无涯苦作舟页码:第5页共10页-必须做到厨打停电,换纸时不丢单。要从收款机的收据中备份出来。-设置吧台的酒水不从厨打出单,要从收款机出单-必须有口味说明,这样厨房才可以知道客户的特殊需求参看:客户必读:如何测试餐饮收款机连接厨房打印机的可靠性http://item.taobao.com/auction/item_detail-db1-49f492299f013b1cfdcfb484ee5b4834.htm餐饮收款机加厨房打印机餐厅/快餐/咖啡店/面馆整体解决方案http://item.taobao.com/auction/item_detail-db1-4f70d364b8644074e35391bcce3a0495.htmPLU套餐、捆绑促销。规范的做法:-套餐主要看套餐报表,不但要统计套餐的销售数量,连同套餐中第6页共10页第5页共10页编号:时间:2021年x月x日书山有路勤为径,学海无涯苦作舟页码:第6页共10页结论:不可用!的菜品明细也要统计,如果其中的明细子菜有单独销售,那么在报表中分别统计该菜单独销售和套餐销售的数量商品库存管理结论:不可用!规范的库存管理:-在经理档,做商品的入库。而不是在商品编辑中每次修改库存量。-不但有入库,对于商品因损坏等原因造成的,退货,还应该有退库处理-调整库存,通常为盘点后的调整库存独特的时间段统计报表(日、周、月),个性化报表等。结论:不可用!这款机器。连折扣和这让统计都没有!超强软件上位机软件管理功能、轻松上传、下载数据。结论:只能用一半!1、传输方式:通常收款机的传输是通过RS232口,这样的话不但不安全,而且速度极慢2、收流水:配套的计算机软件不但要下传基本资料,而且更要上传流水。这样就可以在计算机上按选定日期看报表,而不是收款机中的非自然月和日的累计报表了。但是要保证收款机用充足的流水储存,至少应该在20万笔(不到一个月)的储存餐饮功能,200张桌结论:不可用!不是具有开桌暂结功能就是餐饮收款机-桌号不但可以1-200,而且应该可以按照客户的需求定义,比如“18,188,888”好桌。也可自己定义桌台和包房的名称-人数,要做就餐人数统计,这样在报表里的“就餐人数”和“人均消费”,才能准确-服务员统计,主要是服务员销售明细统计(而不是汇总),用于...

1、当您付费下载文档后,您只拥有了使用权限,并不意味着购买了版权,文档只能用于自身使用,不得用于其他商业用途(如 [转卖]进行直接盈利或[编辑后售卖]进行间接盈利)。
2、本站所有内容均由合作方或网友上传,本站不对文档的完整性、权威性及其观点立场正确性做任何保证或承诺!文档内容仅供研究参考,付费前请自行鉴别。
3、如文档内容存在违规,或者侵犯商业秘密、侵犯著作权等,请点击“违规举报”。

碎片内容

客户选择收款机的误区

确认删除?
VIP
微信客服
  • 扫码咨询
会员Q群
  • 会员专属群点击这里加入QQ群
客服邮箱
回到顶部