电脑桌面
添加小米粒文库到电脑桌面
安装后可以在桌面快捷访问

查看附件-台州市经济委员会(台州市中小企业局)VIP免费

查看附件-台州市经济委员会(台州市中小企业局)_第1页
1/19
查看附件-台州市经济委员会(台州市中小企业局)_第2页
2/19
查看附件-台州市经济委员会(台州市中小企业局)_第3页
3/19
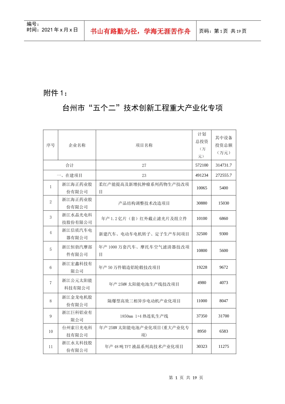
第1页共19页编号:时间:2021年x月x日书山有路勤为径,学海无涯苦作舟页码:第1页共19页附件1:台州市“五个二”技术创新工程重大产业化专项序号企业名称项目名称计划总投资(万元)其中设备投资总额(万元)合计27572100314731.7一、在建项目23491234272555.71浙江海正药业股份有限公司柔红产能提高及新增抗肿瘤系列药物生产技改项目1006554002浙江海正药业股份有限公司产品结构调整技术改造项目30880150303浙江水晶光电科技股份有限公司年产1.2亿片(套)红外截止滤光片及组立件1010068604浙江信质汽车电器有限公司新建汽车、电动车电机转子、定子生产车间项目3250093005浙江恒勃汽摩部件有限公司年产1000万套汽车、摩托车空气滤清器技改项目1080056006浙江宏鑫科技有限公司年产50万件锻造铝轮毂技改项目1922896727浙江公元太阳能科技有限公司年产25MW太阳能电池生产线技改项目498040738浙江金龙电机股份有限公司隔爆型高效三相异步电动机产业化项目1100080479浙江巨科铝业有限公司1850mm1+4热连轧生产线373503170010台州索日光电科技有限公司年产25MW太阳能电池产业化项目(重大产业化专项)8950658311浙江永太科技股份有限公司年产48吨TFT液晶系列高技术产业化项目3032311275第2页共19页第1页共19页编号:时间:2021年x月x日书山有路勤为径,学海无涯苦作舟页码:第2页共19页12浙江华海药业股份有限公司药物制剂国际认证攻关及年产200亿片/粒出口制剂产业化220001200013浙江伟星新型建材股份有限公司年产3.2万吨节能环保型PPR塑料管材、管件扩建项目265052263614浙江正特集团有限公司年产2万吨纳米木塑复合材料产业化建设项目136435642.515中马集团有限公司新增年产5000万套齿轮技改项目407502187316浙江利欧股份有限公司新增年产75万台新型高效水泵、68万台园林机械及20万台劈木机239001500017温岭市明华齿轮有限公司新增年产20万台行星减速机构技改项目110008220.1818浙江双环传动机械股份有限公司年产20万套高精度101轿车变速箱齿轮108401049019浙江银轮机械股份有限公司年产1.3万台车辆冷却模块总成8750398020浙江东亚药业有限公司年产200吨酮唑等12个产品结构调整技术改造项目25000642321大速有限公司新建400万千瓦电机生产基地项目620003400022浙江仙琚制药股份有限公司年产非那雄胺片剂7000万片、复方戊酸雌二醇片剂2000万片、米非司酮片剂(后定诺,紧急避孕药)2000万片、米非司酮胶丸2000万粒等281411375123浙江司太立制药有限公司碘海醇重大产业化专项工程125305000二、前期项目4项80866421761浙江摩尔舒卫生设备有限公司年产100万件节能环保新型高档卫生洁具和50万件保温抗菌水暖配件29800116862浙江宏鑫科技有限公司年产50万件铝镁合金精密零部件机加工生产线技改项目14100123883浙江精诚模具机械有限公司年产10000吨多功能PVB薄膜生产线22700120004浙江爱仕达电器股份有限公司年新增500万只不锈钢及其复合板炊具项目142666102第3页共19页第2页共19页编号:时间:2021年x月x日书山有路勤为径,学海无涯苦作舟页码:第3页共19页附件2:台州市“五个二”技术创新工程装备制造业专项序号企业名称项目名称计划总投资(万元)其中设备投资总额(万元)合计27987281432121一、在建项目194541512204731浙江新杰克缝纫机股份有限公司特种工业缝纫机生产线技术改造项目13228109372浙江杰克机床限公司年产4000台数控及精密型外圆磨床建设项目2750086773浙江台州利源金属制品有限公司新增年产2万套标准模架技改项目16000145104浙江银河变压器有限公司年产350万KVA高效、低损耗卷铁芯变压器建设项目1600070355浙江伟基模业有限公司年产120套精密车灯模具技改470543256黄岩星泰塑料模具有限公司年产200套精密汽配塑料模具技改项目488042687浙江豪情汽车制造有限公司第一汽车制造分公司扩大LG-3汽车车身生产能力技术改造项目16000150008台州中诚机电有限公司年产2万辆600和700系列沙滩车技改项目专项750064509浙江荣鹏气动工具有限公司年产20万台高压无气喷涂机技术改造79006916第4页共19页第3页共19页编号:时间:2021年x月x日书山有路勤为径,学海无涯苦作舟页码:第4页共19页10...

1、当您付费下载文档后,您只拥有了使用权限,并不意味着购买了版权,文档只能用于自身使用,不得用于其他商业用途(如 [转卖]进行直接盈利或[编辑后售卖]进行间接盈利)。
2、本站所有内容均由合作方或网友上传,本站不对文档的完整性、权威性及其观点立场正确性做任何保证或承诺!文档内容仅供研究参考,付费前请自行鉴别。
3、如文档内容存在违规,或者侵犯商业秘密、侵犯著作权等,请点击“违规举报”。

碎片内容

查看附件-台州市经济委员会(台州市中小企业局)

您可能关注的文档

确认删除?
VIP
微信客服
  • 扫码咨询
会员Q群
  • 会员专属群点击这里加入QQ群
客服邮箱
回到顶部