电脑桌面
添加小米粒文库到电脑桌面
安装后可以在桌面快捷访问

制造业ISO9000质量手册-doc74VIP免费

制造业ISO9000质量手册-doc74_第1页
1/130
制造业ISO9000质量手册-doc74_第2页
2/130
制造业ISO9000质量手册-doc74_第3页
3/130
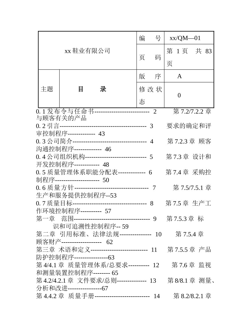
xx鞋业有限公司编号xx/QM—01页码第1页共83页主题目录版序A修改状态00.1发布令与任命书--------------------------2第7.2/7.2.2章与顾客有关的产品0.2引言-----------------------------------------3要求的确定和评审控制程序-------------430.3公司简介-----------------------------------4第7.2.3章顾客沟通控制程序-------------460.4公司组织机构-----------------------------5第7.3章设计和开发控制程序------------480.5质量管理体系职能分配表-------------6第7.4章采购控制程序---------------------500.6质量方针-----------------------------------7第7.5/7.5.1章生产和服务提供控制程序--530.7质量目标-----------------------------------8第7.5章生产工作环境控制程序----------57第一章范围------------------------------------9第7.5.3章标识和可追溯性控制程序--59第二章引用标准、法律法规---------------10第7.5.4章顾客财产-------------------62第三章术语和定义---------------------------11第7.5.5章产品防护控制程序----------------63第4/4.1章质量管理体系/总要求----------12第7.6章监视和测量装置控制程序--------65第4.2/4.2.1章文件要求/总则--------------13第8/8.1章测量、分析和改进----------------67第4.4.2章质量手册--------------------------14第8.2/8.2.1章监视和测量/顾客满意度第4.2.3章文件控制程序--------------------15监视和测量控制程序-----------------------68第4.2.4章质量记录控制程序--------------18第8.2.2章内部质量管理体系审核第5/5.1章管理职责/管理承诺-------------20控制程序---------------------------------------70第5.2章以顾客为中心----------------------21第8.2.3章过程的监视和测量-----------------73第5.3章质量方针----------------------------22第8.2.4章产品监视和测量控制程序--------74第5.4/5.4.1章策划/质量目标--------------23第8.3章不合格品控制程序-------------------76第5.4.2章质量管理体系策划-------------24第8.4章数据分析控制程序-------------------79第5.5/5.5.1章职责、权限和第8.5/8.5.1章改进/持续改进-----------------80沟通/职责和权限---------------------------26第8.5.2章纠正和预防措施控制程序-------81第5.5.2章管理者代表----------------------29附录程序文件目录-----------------------------83第5.5.3章内部沟通-------------------------30第5.6章管理评审控制程序---------------31第6/6.1章资源管理/资源的提供---------34第6.2章人力资源控制程序---------------35第6.3章基础设施---------------------------37第6.3.1章设备控制程序-------------------38第6.4章工作环境---------------------------40第7/7.1章产品实现的策划----------------41编制审核批准日期日期日期xx鞋业有限公司编号xx/QM—01页码第2页共83页主题发布令与任命书版序A修改状态0规范公司管理,保证产品质量,确保公司信誉,创造经济效益是公司发展的宗旨。为适应市场经济及世界贸易发展,公司依据GB/19001-2000idtISO9001:2000质量管理体系——要求标准,结合公司实际,建立起完整的公司质量管理体系,形成XX鞋业有限公司的《质量手册》,于2000年12月18日发布,12月18日实施。《质量手册》明确阐述了公司的质量方针和质量目标,是公司质量形成全过程中过程控制的工作准则和纲领性文件。在公司最高管理者——总经理领导下,本公司与质量相关的所有员工,应严格遵守执行《质量手册》,并持续、有效实施。以取得更好的经济效益和社会效益,为面对我国加入WTO后的市场机遇和挑战,提高公司实力与竞争力。经研究,由担任管理者代表,除原有工作职责外,还负责:1.确保质量管理体系所需的过程得到建立、实施、保持;2.向总经理汇报质量管理体系的运行情况和任何改进的需求;3.确保提高本公司员工满足顾客要求的意识;4.就本公司质量管理体系的有关事宜外部各方的联络工作;总经理:日期:编制审核批准日期日期日期xx鞋业有限公司编号xx/QM—01页码第3页共83页主题引言版序A修...

1、当您付费下载文档后,您只拥有了使用权限,并不意味着购买了版权,文档只能用于自身使用,不得用于其他商业用途(如 [转卖]进行直接盈利或[编辑后售卖]进行间接盈利)。
2、本站所有内容均由合作方或网友上传,本站不对文档的完整性、权威性及其观点立场正确性做任何保证或承诺!文档内容仅供研究参考,付费前请自行鉴别。
3、如文档内容存在违规,或者侵犯商业秘密、侵犯著作权等,请点击“违规举报”。

碎片内容

制造业ISO9000质量手册-doc74

您可能关注的文档

确认删除?
VIP
微信客服
  • 扫码咨询
会员Q群
  • 会员专属群点击这里加入QQ群
客服邮箱
回到顶部