电脑桌面
添加小米粒文库到电脑桌面
安装后可以在桌面快捷访问

某公司财务指标完成情况分析报告VIP免费

某公司财务指标完成情况分析报告_第1页
1/8
某公司财务指标完成情况分析报告_第2页
2/8
某公司财务指标完成情况分析报告_第3页
3/8
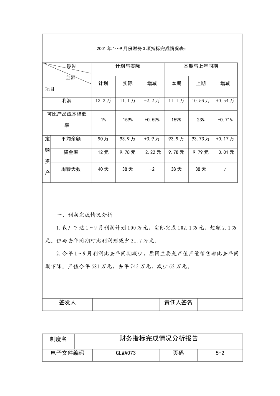
制度名财务指标完成情况分析报告电子文件编码GLWA073页码5-1××公司一至三季度财务三项指标完成情况分析报告财务科2001年1~9月份财务3项指标完成情况表期别金额项目计划与实际本期与上年同期计划实际增减本期上期增减利润100万102.1万+2.1万102.1万123.8万-21.7万可比产品成本降低率1%1.66%+0.66%1.66%-5.7%+7.36%定额资产平均余额90万88.8万-1.2万88.8万85.9万+2.9万资金率12元9.78元-2.22元9.78元8.67元+1.11元周转天数38天38天/38天34天+4天2001年1~9月份财务3项指标完成情况表:一、利润完成情况分析1.我厂下达1~9月利润计划100万元,实际完成102.1万元,超额2.1万元。但与去年同期对比利润则减少21.7万元。2.今年1~9月利润比去年同期减少,原因主要是产值产量销售都比去年同期下降。产值今年681万元,去年743万元,减少62万元。签发人责任人签名制度名财务指标完成情况分析报告电子文件编码GLWA073页码5-2期别金额项目计划与实际本期与上年同期计划实际增减本期上期增减利润13.3万11.1万-2.2万11.1万10.56万+0.54万可比产品成本降低率1%159%+0.59%159%23%-0.71%定额资产平均余额90万93.9万+3.9万93.9万93.73万+0.17万资金率12元9.78元-2.22元9.78元9.79元-0.01元周转天数40天38天-238天38天/销售今年618万,去年同期679万元,对比减少61万元。如按20%销售利润率计算减少利润达12万元以上。如按车间来分析,除铸工车间、综合车间比去年同期利润增加外,其他车间都不同程度地下降。铸工车间,由于调价因素,产品销售利润从去年15.2万元增加到18.1万元,增加了3万元;综合车间金属模收入增加,利润从去年3.1万元增加到今年3.9万元,增加8千元;锻工车间从去年42.1万元下降到36.4万元,减少5.7万元;铜铝车间从去年72.2万元下降到今年42.2万元,减少30万元;失腊车间从去年14.8万元下降到今年12.3万元,下降2.5万元;铸钢车间去年亏损12.8万元,今年亏损2.6万元,减少亏损10万元。如从今年品种产量变化来看影响利润较多的是铝铸件,去年铝铸件1~9月产量304吨,今年同期产量197.5吨,减少107吨。由于产量少,成本升高影响利润达20多万。铜铸件产量虽增加25吨,但是铜板产量增加较多,今年达70多吨。由于电解材料成本高影响利润5万多元。3.今年1~9月全厂职工人数771人,去年同期702人,今年全员劳动生产率9.279元,去年同期10.626元,减少1.347元/人。今年出勤率90.7%,工日利用率81.69%,去年出勤率88%,工日利用率81%,基本接近。工资总额今年1~9月支付47.6万,去年同期支付45万元,增加2.6万元。4.企业管理费今年1~9月支付33.7万,去年同期支付26.9万元,增加6.9万元。其中运输费支出比去年增加1.5万元,管理人员工资比去年增加7000元,劳动保护、营养餐、冷饮费用比去年同期多支付6000元,修理费支出也比去年同期增加3.1万元以上,保险费支出比去年多0.27万元,水电费支出比去年同期多支付0.3万元,废水罚款今年4个月支付0.22万元,比去年增加。办公费及利息支出比去年同期减少。5.营业外支出今年与去年基本上接近,1~9月支付10.3万元。但是技校费今年支出1.3万元,去年支付2.4万元,减少1.1万元;签发人责任人签名制度名财务指标完成情况分析报告电子文件编码GLWA073页码5-3退休劳保人员工资今年比去年多支0.7万元,今年退休职工人数98人,去年80人,比去年增加18人。二、成本完成情况分析今年可比产品成本降低率计划1%,实际1~9月份可比产品成本降低率是1.66%,超过原计划0.66%。分析可比产品降低因素如下:1.锻工车间四件可比产品,其中高炭、中炭、加工件三件都比去年平均单位成本降低,中炭比去年平均单位成本每吨下降24元,加工件成本下降30元。成本下降原因是今年锻钢件产量比去年同期增加80多吨。煤气改造后,节约煤气平均每吨耗用煤气从去年964m/吨下降到今年787m/吨。1~3季度节约煤气82.617m3/吨。2.铸工车间今年1~9月平均每吨单位成本434元,比去年平均单位成本每吨438元下降4元。主要有材料单位成本节约3元,车间经费节约12元,企管费、工资每吨成本比去年上升16元,废品损失比去年每吨减少4元。焦炭单耗三季度127kg/吨,三季度节约焦炭7.1吨。3....

1、当您付费下载文档后,您只拥有了使用权限,并不意味着购买了版权,文档只能用于自身使用,不得用于其他商业用途(如 [转卖]进行直接盈利或[编辑后售卖]进行间接盈利)。
2、本站所有内容均由合作方或网友上传,本站不对文档的完整性、权威性及其观点立场正确性做任何保证或承诺!文档内容仅供研究参考,付费前请自行鉴别。
3、如文档内容存在违规,或者侵犯商业秘密、侵犯著作权等,请点击“违规举报”。

碎片内容

某公司财务指标完成情况分析报告

确认删除?
VIP
微信客服
  • 扫码咨询
会员Q群
  • 会员专属群点击这里加入QQ群
客服邮箱
回到顶部