电脑桌面
添加小米粒文库到电脑桌面
安装后可以在桌面快捷访问

质量表格打印VIP免费

质量表格打印_第1页
1/49
质量表格打印_第2页
2/49
质量表格打印_第3页
3/49
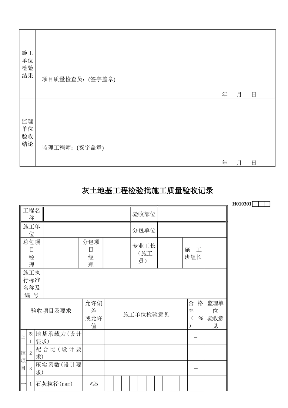
土方开挖工程检验批施工质量验收记录工程名称验收部位施工单位分包单位总包项目经理分包项目经理专业工长(施工员)施工班组长施工执行标准名称及编号验收项目及要求允许偏差或允许值施工单位检验意见合格率(%)监理单位验收意见桩基基坑基槽挖方场地平整管沟地、路面基层人工机械主控项目1标高-50±30±50-50-502基底土性(设计要求)-3边坡(设计要求)-4长度、宽度(由设计中心线向两边量)(mm)+200-50+300-100+500-150+100-一般项目1表面平整度(mm)2020502020H010101()施工单位检验结果项目质量检查员:(签字盖章)年月日监理单位验收结论监理工程师:(签字盖章)年月日灰土地基工程检验批施工质量验收记录工程名称验收部位施工单位分包单位总包项目经理分包项目经理专业工长(施工员)施工班组长施工执行标准名称及编号验收项目及要求允许偏差或允许值施工单位检验意见合格率(%)监理单位验收意见主控项目※1地基承载力(设计要求)-2配合比(设计要求)-3压实系数(设计要求)-一1石灰粒径(ram)≤5H010301般项目2土料有机质含量(%)≤53土颗粒粒径(㎜)≤154含水量(与要求最优含水量比较)(%)≤±25分层厚度(㎜)±506顶面标高(㎜)一507表面平整(㎜)≤20施工单位检验结果项目质量检查员:(签字盖章)年月日监理单位验收结论监理工程师:(签字盖章)年月日砂和砂石地基工程检验批施工质量验收记录工程名称验收部位施工单位分包单位总包项目经理分包项目经理专业工长(施工员)施工班组长施工执行标准名称及编号验收项目及要求允许偏差或允许施工单位检验意见合格率(%监理单位验收意H010302值)见主控项目※1地基承载力(设计要求)-2配合比(设计要求)-3压实系数(设计要求)-一般项目1砂石料有机质含量(%)≤52砂石料含泥量(%)≤53石料粒径(mm)≤1004含水量(%)≤±25分层厚度偏差(mm)±506顶面标高(mm)一507表面平整(㎜)≤20施工单位检验结果项目质量检查员:(签字盖章)年月日监理单位验收结论监理工程师:(签字盖章)年月日混凝土预制桩钢筋骨架工程检验批施工质量验收记录工程名称验收部位施工单位分包单位总包项目经分包项目经专业工长(施工员)施工班组长H010403A理理施工执行标准名称及编号验收项目及要求允许偏差或允许值施工单位检验意见合格率(%)监理单位验收意见主控项目1主筋距桩顶距离(mm)±52多节桩锚固钢筋位置(mm)±53多节桩预埋铁件(mm)±34主筋保护层厚度(mm)±55桩顶钢筋网片位置(mm)±lO6钢筋焊接接头质量(符合要求)-一般项目1主筋间距(mm)±52桩尖中心位移(mm)103箍筋间距(mm)±204多节桩锚固钢筋长度(mm)±10施工单位检验结果项目质量检查员:(签字盖章)年月日监理单位验收结论监理工程师:(签字盖章)年月日先张法预应力管桩工程检验批施工质量验收记录工程名称验收部位施工单位分包单位分包项目分包项专业工长施H010402经理目经理(施工员)工班组长施工执行标准名称及编号验收项目及要求允许偏差或允许值施工单位检验意见合格率(%)监理单位验收意见主控项目1桩体质量及强度检验(设计要求)-※2桩位偏差盖有基础梁的桩垂直基础梁的中心线(mm)100+0.0lH沿基础梁的中心线(mm)150+0.0lH桩数为1~3根桩基中的桩(mm)100桩数为4~16根桩基中的桩1/2桩径或边长桩数大于16根桩基中的桩最外边的桩1/3桩径或边长中间桩1/2桩径或边长※3承载力(设计要求)-一般项目1成品桩质量外观无蜂窝、露筋、裂缝、色感均匀、桩顶处无孔隙外形尺寸桩径(mm)±5管壁厚度(mm)±5桩尖中心线(mm)<2顶面平整度(mm)10桩体弯曲1.0上下节平面偏差(mm)<10节点弯曲矢高

1、当您付费下载文档后,您只拥有了使用权限,并不意味着购买了版权,文档只能用于自身使用,不得用于其他商业用途(如 [转卖]进行直接盈利或[编辑后售卖]进行间接盈利)。
2、本站所有内容均由合作方或网友上传,本站不对文档的完整性、权威性及其观点立场正确性做任何保证或承诺!文档内容仅供研究参考,付费前请自行鉴别。
3、如文档内容存在违规,或者侵犯商业秘密、侵犯著作权等,请点击“违规举报”。

碎片内容

质量表格打印

您可能关注的文档

确认删除?
微信客服
  • 扫码咨询
会员Q群
  • 会员专属群点击这里加入QQ群