电脑桌面
添加小米粒文库到电脑桌面
安装后可以在桌面快捷访问

外商直接投资对我国经济发展影响的分析VIP免费

外商直接投资对我国经济发展影响的分析_第1页
1/9
外商直接投资对我国经济发展影响的分析_第2页
2/9
外商直接投资对我国经济发展影响的分析_第3页
3/9
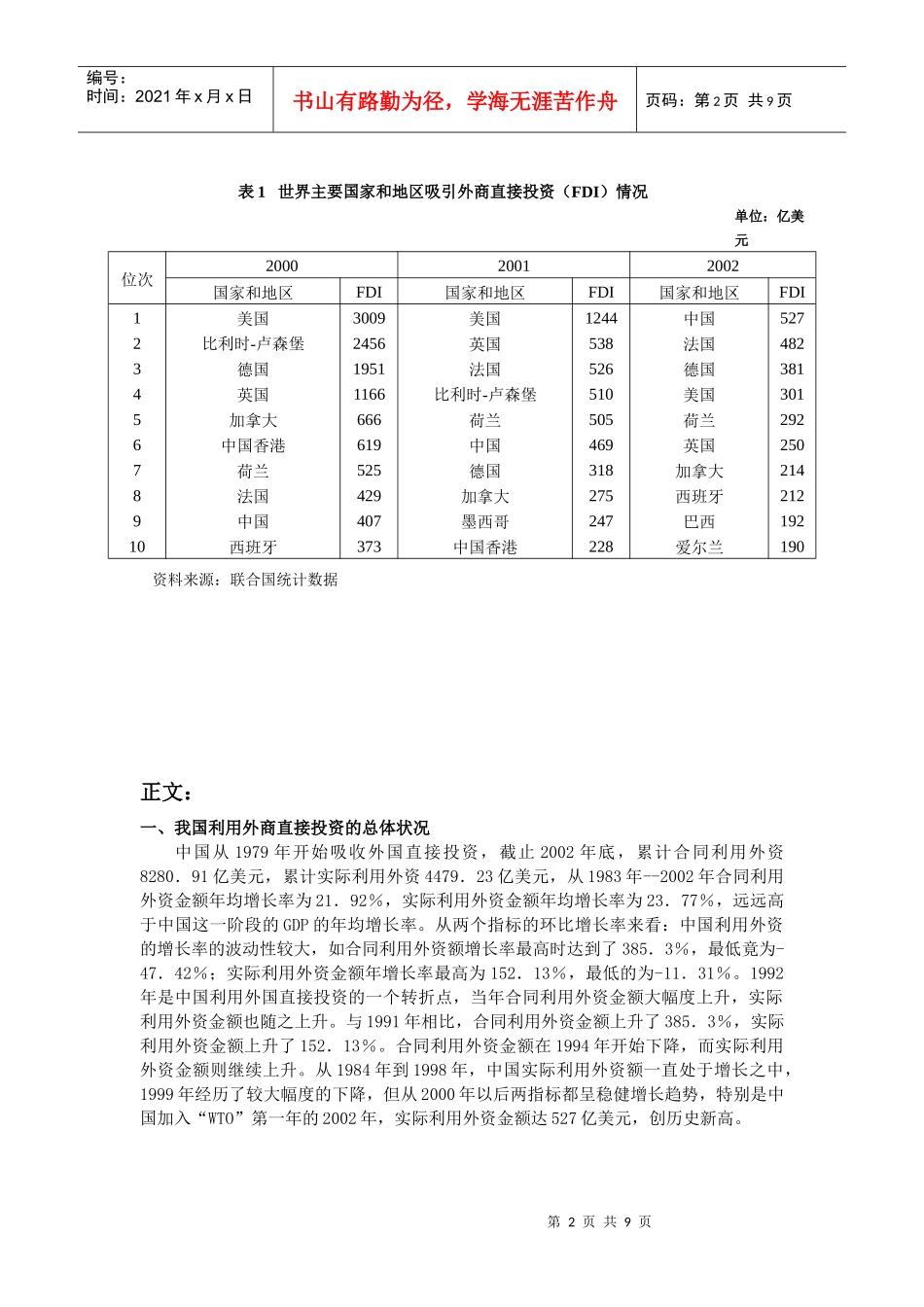
第1页共9页编号:时间:2021年x月x日书山有路勤为径,学海无涯苦作舟页码:第1页共9页外商直接投资对我国经济发展影响的分析金澍14502131摘要:近年来,中国利用外国直接投资的数额一直居于世界各国前列。2002年首次超过了美国成为全球吸引外资最多的国家。随着经济全球化步伐的加快,中国利用外资的规模将进一步增大。关于利用外资对我国经济的影响程度、利用外资的结构是否合理等问题,一直是各界关心的热点问题。本文从我国国际收支、经济增长、对外贸易三个方面着手,分析了外商直接投资对我国经济发展的影响。关键词:外商直接投资(FDI)、国际收支、经济增长、进出口(T)导语:第二次世界大战后,随着西欧和日本经济的恢复,尤其是60年代后第三次科技革命所带来的发达国家经济迅速发展,以及世界经济一体化进程的加快,国际经济活动日益频繁,资本国际流动开始加速,规模空前扩大。国际直接投资的发展,对世界各国的经济和政治关系产生了重要而深远的影响。美国经济学家H.钱纳里和A.斯特劳特1969年创立的两缺口模型认为,大多数发展中国家经济发展的历程表明,经济发展主要受三种因素约束:一是储蓄约束,即国内需求水平低,不足以支持国内投资需求的扩张,影响经济发展;二是外汇约束,有限的外汇收入不足以支付经济发展所需要的资本品和消费品进口,阻碍经济发展;三是吸收能力约束,即由于缺乏必需的技术和管理,无法有效的使用外资和各种资源,从而影响生产率的提高和经济发展。因此,如果发展中国家能成功利用外资便可以逐渐克服储蓄、外汇和技术的约束,增加国民总储蓄和总投资,进而促进经济增长。而另一方面,外商直接投资对东道国(主要是发展中国家)的对外贸易也有显著的拉动效应,这主要表现在三个方面:一是使东道国迅速进入全球分工体系,利用东道国的资源优势促进出口增长,以换取本国发展所需的外汇;二是提升东道国的出口结构,由初级产品出口向工业制成品出口转变;三是提升进口商品结构,由消费型进口转变为生产型进口。改革开放以来,我国利用外资从零起步,实现了快速发展,取得了长足的进步,外资已逐渐成为发展经济和推动中外经贸交流的重要手段。表1的数据显示,中国吸引外商直接投资在世界的排名逐年提升,直至2002年的第一名。由此,本文将从我国国际收支、经济增长、对外贸易三个方面着手,分析外商直接投资对我国经济发展的影响。第2页共9页第1页共9页编号:时间:2021年x月x日书山有路勤为径,学海无涯苦作舟页码:第2页共9页表1世界主要国家和地区吸引外商直接投资(FDI)情况单位:亿美元位次200020012002国家和地区FDI国家和地区FDI国家和地区FDI1美国3009美国1244中国5272比利时-卢森堡2456英国538法国4823德国1951法国526德国3814英国1166比利时-卢森堡510美国3015加拿大666荷兰505荷兰2926中国香港619中国469英国2507荷兰525德国318加拿大2148法国429加拿大275西班牙2129中国407墨西哥247巴西19210西班牙373中国香港228爱尔兰190资料来源:联合国统计数据正文:一、我国利用外商直接投资的总体状况中国从1979年开始吸收外国直接投资,截止2002年底,累计合同利用外资8280.91亿美元,累计实际利用外资4479.23亿美元,从1983年--2002年合同利用外资金额年均增长率为21.92%,实际利用外资金额年均增长率为23.77%,远远高于中国这一阶段的GDP的年均增长率。从两个指标的环比增长率来看:中国利用外资的增长率的波动性较大,如合同利用外资额增长率最高时达到了385.3%,最低竟为-47.42%;实际利用外资金额年增长率最高为152.13%,最低的为-11.31%。1992年是中国利用外国直接投资的一个转折点,当年合同利用外资金额大幅度上升,实际利用外资金额也随之上升。与1991年相比,合同利用外资金额上升了385.3%,实际利用外资金额上升了152.13%。合同利用外资金额在1994年开始下降,而实际利用外资金额则继续上升。从1984年到1998年,中国实际利用外资额一直处于增长之中,1999年经历了较大幅度的下降,但从2000年以后两指标都呈稳健增长趋势,特别是中国加入“WTO”第一年的2002年,实际利用外资金额达527亿美元,创历史新高。第3...

1、当您付费下载文档后,您只拥有了使用权限,并不意味着购买了版权,文档只能用于自身使用,不得用于其他商业用途(如 [转卖]进行直接盈利或[编辑后售卖]进行间接盈利)。
2、本站所有内容均由合作方或网友上传,本站不对文档的完整性、权威性及其观点立场正确性做任何保证或承诺!文档内容仅供研究参考,付费前请自行鉴别。
3、如文档内容存在违规,或者侵犯商业秘密、侵犯著作权等,请点击“违规举报”。

碎片内容

外商直接投资对我国经济发展影响的分析

中小学资料+ 关注
实名认证
内容提供者

精美课件,值得下载

确认删除?
VIP
微信客服
  • 扫码咨询
会员Q群
  • 会员专属群点击这里加入QQ群
客服邮箱
回到顶部