电脑桌面
添加小米粒文库到电脑桌面
安装后可以在桌面快捷访问

桥梁施工过程控制-改I-IVIP免费

桥梁施工过程控制-改I-I_第1页
1/12
桥梁施工过程控制-改I-I_第2页
2/12
桥梁施工过程控制-改I-I_第3页
3/12
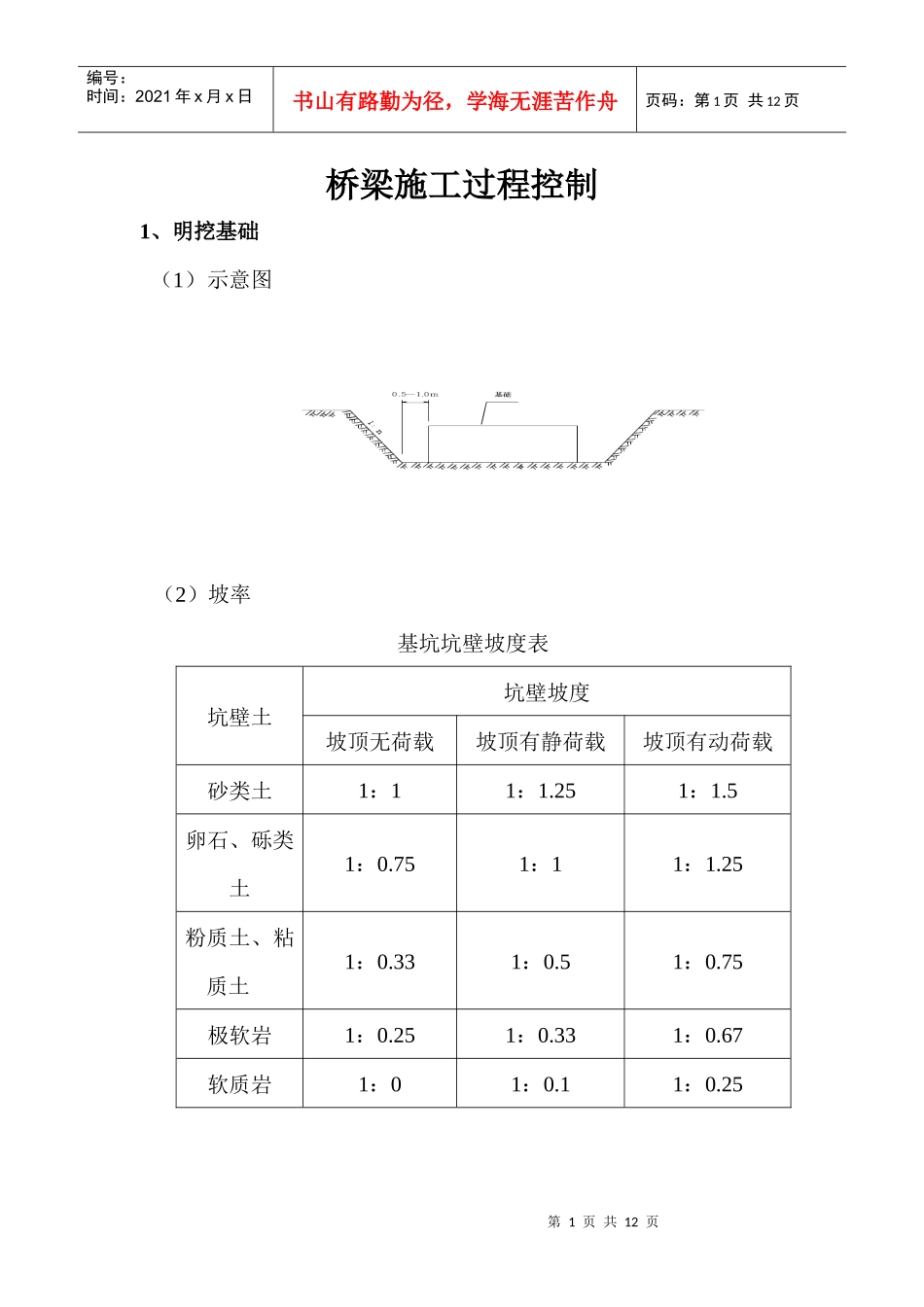
第1页共12页编号:时间:2021年x月x日书山有路勤为径,学海无涯苦作舟页码:第1页共12页桥梁施工过程控制1、明挖基础(1)示意图(2)坡率基坑坑壁坡度表坑壁土坑壁坡度坡顶无荷载坡顶有静荷载坡顶有动荷载砂类土1:11:1.251:1.5卵石、砾类土1:0.751:11:1.25粉质土、粘质土1:0.331:0.51:0.75极软岩1:0.251:0.331:0.67软质岩1:01:0.11:0.25第2页共12页第1页共12页编号:时间:2021年x月x日书山有路勤为径,学海无涯苦作舟页码:第2页共12页硬质岩1:01:01:0(3)施工方法①工艺流程②施工方法A.土质基坑;采用挖掘机开挖人工配合、配备自卸车弃土,挖第3页共12页第2页共12页编号:时间:2021年x月x日书山有路勤为径,学海无涯苦作舟页码:第3页共12页至距基底20~30厘米时采用人工清基,严禁超挖。有水基坑设集水井排水或井点排水。B.石质基坑;采用风稿及松动爆破,挖掘机开挖人工配合、配备自卸车弃土,挖至距基底20~30厘米时采用人工清基。2、钻孔灌注桩基础(1)工艺流程第4页共12页第3页共12页编号:时间:2021年x月x日书山有路勤为径,学海无涯苦作舟页码:第4页共12页第5页共12页第4页共12页编号:时间:2021年x月x日书山有路勤为径,学海无涯苦作舟页码:第5页共12页(2)施工方法①护筒加工护筒采用A3钢材5mm厚钢板制作,为增加刚度防止变形,在护筒上、下端和中部用φ16的钢筋设固筋,护筒高度根据地质情况确定,护筒内径应比桩径大20~30厘米,并在护筒顶部设20×20厘米孔,循环泥浆。②护筒埋设护筒埋置深度应根据设计要求或桩位的水文地质情况确定。埋设时,护筒中心与桩位中心偏差不能大于5cm。护筒埋设示意图(3)钻孔①冲击钻冲击钻适用于各种土层。开孔时先在孔内灌注泥浆,在土层中钻进采用100cm高冲程,在砂、砂砾石或卵石土层中采用75cm中第6页共12页第5页共12页编号:时间:2021年x月x日书山有路勤为径,学海无涯苦作舟页码:第6页共12页冲程,在易坍塌或流沙地段采用小冲程,并提高泥浆黏度和比重。②正、反循环钻适用于粘性土、砂性土、含量少于20%的卵石土、软岩。开钻时要低档慢速钻进,在粘土中选用尖底钻锥,稀泥浆,中速钻进,在砂土或软土中选用平底钻锥,稠泥浆,轻压,抵挡慢速钻进。(4)泥浆钻孔泥浆是用水、黏土(或膨润土)和填加剂按适当配合比,使用泥浆搅拌机、人工搅拌或钻锥搅拌的方法配置而成。一般地层选用泥浆比重1.0~1.25,易坍塌地层选用泥浆比重1.2~1.6。(5)清孔①用泥浆泵吸渣5~15min,清除孔底钻渣。②提起钻锥10~20cm空转4~8h,以中速压入比重1.1~1.25的泥浆把孔内含渣泥浆换出。③使用掏渣筒掏渣,用手摸泥浆中无2~3mm颗粒为止。④在灌注砼前,对孔底进行高压射水或高压射风3~5min,沉渣浮起后,立即灌注水下砼。(6)灌注水下混凝土a、施工工艺第7页共12页第6页共12页编号:时间:2021年x月x日书山有路勤为径,学海无涯苦作舟页码:第7页共12页b、灌注水下混凝土浇注之前,先用高压风管射水(或射风)冲射底孔3~5min,(柱桩沉淀厚度小于5厘米、縻擦桩沉淀厚度小于30~50厘米)然后剪球(或拔栓、开阀)浇注首批水下混凝土。首批混凝土的数量应满足导管首次埋置深度(≥1.0m)和填充导管底部的需要。第8页共12页第7页共12页编号:时间:2021年x月x日书山有路勤为径,学海无涯苦作舟页码:第8页共12页V≥πD2(H1+H2)÷4+πd2h1÷4式中:V——灌注首批混凝土所需数量(m3);D——桩孔直径(m);d——导管内径(m)。混凝土浇注工作要连续进行。浇注过程中要经常测量导管埋入深度,导管埋入深度控制在2~6米。浇注混凝土面高出桩顶设计标高0.5~1.0m,确保桩头质量。3、墩台身施工(1)工艺流程第9页共12页第8页共12页编号:时间:2021年x月x日书山有路勤为径,学海无涯苦作舟页码:第9页共12页(2)桥墩施工脚手架a井字型脚手架距结构外缘50~80cm,脚手架安置在密实的地基第10页共12页第9页共12页编号:时间:2021年x月x日书山有路勤为径,学海无涯苦作舟页码:第10页共12页上。b高度大于20米设置双排、小于20米设置单排,高度10米在四角设置揽风绳一道。c间距:立杆间距1.2米,横杆间距1.2~1.8米,设剪刀撑。...

1、当您付费下载文档后,您只拥有了使用权限,并不意味着购买了版权,文档只能用于自身使用,不得用于其他商业用途(如 [转卖]进行直接盈利或[编辑后售卖]进行间接盈利)。
2、本站所有内容均由合作方或网友上传,本站不对文档的完整性、权威性及其观点立场正确性做任何保证或承诺!文档内容仅供研究参考,付费前请自行鉴别。
3、如文档内容存在违规,或者侵犯商业秘密、侵犯著作权等,请点击“违规举报”。

碎片内容

桥梁施工过程控制-改I-I

您可能关注的文档

确认删除?
VIP
微信客服
  • 扫码咨询
会员Q群
  • 会员专属群点击这里加入QQ群
客服邮箱
回到顶部