电脑桌面
添加小米粒文库到电脑桌面
安装后可以在桌面快捷访问

会计核算案例VIP免费

会计核算案例_第1页
1/36
会计核算案例_第2页
2/36
会计核算案例_第3页
3/36
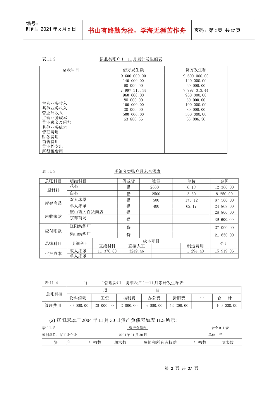
第1页共37页编号:时间:2021年x月x日书山有路勤为径,学海无涯苦作舟页码:第1页共37页会计核算案例教学目的:通过本章的会计核算案例教学,使学生全面实训设置账户、复式记账、填制和审核会计凭证、登记账簿、成本计算、财产清查和编制财务会计报告等会计核算方法,让学生掌握分析、处理和核算典型经济业务的技能。教师在进行教学过程中,要充分发挥学生的能动作用,以学生为主体,尽量让学生独立操作,但教师要随时监控,对做错的学生进行及时的指导,保证学生操作结果的正确性,进而达到本章案例教学的目的。会计核算案例,就是将一个企业的实际会计核算业务仿真模拟下来,制作成会计核算典型案例,让学生进行操作。通过案例操作,一方面可以让学生全面掌握会计核算方法的操作技术,提高会计核算技能;另一方面也可以检验本书前述各章的学习成果是否达到了规定的学习效果。想知道自己学习的怎么样吗?那就进行本章的案例操作吧。案例资料:辽阳床罩厂,开户银行:中国工商银行白塔支行,帐号:560718,税务登记号:311001687904258,生产单人床罩和双人床罩两种产品,设置一个生产车间,2004年12月份的有关会计核算资料如下:(1)辽阳床罩厂2004年11月30日有关总分类账户和部分明细分类账户的发生额及余额等资料如表11.1、表11.2、表11.3和表11.4所示。表11.1总分类账户月末余额表总账科目借方余额总账科目贷方余额固定资产431440.00实收资本441516.00原材料20610.00资本公积10416.28库存现金615.56盈余公积11168.60银行存款65218.46本年利润68800.00库存商品112428.00短期借款50000.00应收账款68400.00应付账款58650.00待摊费用3513.00应交税费6140.00生产成本15919.86应付职工薪酬40854.00累计折旧24600.00应付利息6000.00合计718144.88合计718144.88第2页共37页第1页共37页编号:时间:2021年x月x日书山有路勤为径,学海无涯苦作舟页码:第2页共37页表11.4白“管理费用”明细账户1—11月累计发生额表总账科目项目物料消耗工资福利费办公费折旧费…合计管理费用30000.0020000.002800.005000.0042200.00100000.00(2)辽阳床罩厂2004年11月30日资产负债表如表11.5所示:表11.5资产负债表会企01表编制单位:某工业企业2004年11月30日单位:元资产年初数期末数负债和所有者权益年初数期末数表11.2损益类账户1—11月累计发生额表总账科目借方发生额贷方发生额主营业务收入其他业务收入营业外收入主营业务成本营业税金及附加其他业务成本管理费用财务费用销售费用营业外支出所得税费用9600000.00140000.0060000.007997313.44960000.0080000.00100000.0030000.00500000.0063886.56——9600000.00140000.0060000.007997313.44960000.0080000.00100000.0030000.00500000.0063886.56——表11.3明细分类账户月末余额表总账科目明细科目借或贷数量单价金额原材料花布借20006.1812360.00白布借25003.308250.00库存商品双人床罩借500175.1287560.00单人床罩借40062.1724868.00应收账款鞍山西关百货商店借28800.00京都商场借39600.00应付账款辽阳纺织厂贷37000.00梁山纺织厂贷21650.00总账科目明细科目成本项目合计直接材料直接人工制造费用生产成本双人床罩11376.003249.461294.4015919.86单人床罩第3页共37页第2页共37页编号:时间:2021年x月x日书山有路勤为径,学海无涯苦作舟页码:第3页共37页(或股东权益)流动资产:流动负债:货币资金70100.0065834.02短期借款50000.0050000.00交易性金融资产交易性金融负债应收票据应付票据应收账款58600.0068400.00应付账款38265.1258650.00预付款项3513.00预收款项应收利息应付职工薪酬37664.0040854.00应收股利应交税费3110.006140.00其他应收款应付利息2000.006000.00存货54000.00148957.86应付股利一年内到期的非流动资产其他应付款其他流动资产一年内到期的非流动负债流动资产合计182700.00286704.88其他流动负债非流动资产:流动负债合计131039.12161644.00可供出售金融资产非流动负债:持有至到期投资长期借款100000.00100000.00长期应收款应付债券长期股权投资100000.00100000.00长期应付款投资性房地产专项应付款固定资产411440.004068...

1、当您付费下载文档后,您只拥有了使用权限,并不意味着购买了版权,文档只能用于自身使用,不得用于其他商业用途(如 [转卖]进行直接盈利或[编辑后售卖]进行间接盈利)。
2、本站所有内容均由合作方或网友上传,本站不对文档的完整性、权威性及其观点立场正确性做任何保证或承诺!文档内容仅供研究参考,付费前请自行鉴别。
3、如文档内容存在违规,或者侵犯商业秘密、侵犯著作权等,请点击“违规举报”。

碎片内容

会计核算案例

中小学资料+ 关注
实名认证
内容提供者

精美课件,值得下载

确认删除?
VIP
微信客服
  • 扫码咨询
会员Q群
  • 会员专属群点击这里加入QQ群
客服邮箱
回到顶部