电脑桌面
添加小米粒文库到电脑桌面
安装后可以在桌面快捷访问

液压系统运转维护及保养说明VIP免费

液压系统运转维护及保养说明_第1页
1/5
液压系统运转维护及保养说明_第2页
2/5
液压系统运转维护及保养说明_第3页
3/5
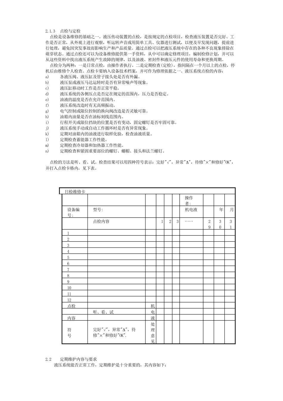
液压系统运转维护及保养说明1.液压系统的试车运行1.1调试前的准备1.1.1液压系统的清洁在灌入液压油之前,要彻底检查油箱、油缸及管道,确保它们是干净的。若发现管系不洁净需对整个系统再次彻底冲洗。可利用本设备上的液压泵作为供油泵,临时增加一些必要的管件,就可进行。清洗的方法如下:1.1.2先应将环境和场地清洁干净。1.1.3先应将液压油加热到50C~70C。(最好用低粘度的专用清洗油,有溶解橡胶能力)。管道流速尽可能达到5~7m/s。溢流阀原理调至5.0MPa以下。回油管路中须有回油过滤器。1.1.4清洗工作以主管道系统为主,可分区分段进行。对其它液压阀的排油回路要在阀的入口处临时切断,而将急需冲洗的回路连接临时管路,并将换向阀换到某一阀位使油路循环。1.1.5清洗过程中要经常轻轻地敲击管子,这样可收到除去水垢和尘埃的效果。清洗约15min后,要拆卸滤油器,检查污染物的情况,并将滤网清洗干净。再次冲洗,反复多次,直至使滤油器上无明显的污染物出现为止。一个清洗回路一般需要2~3h。1.1.6在清洗前,须将油箱先冲洗干净。若用液压油清洗,若清洗后液压油的理化指标仍合格,则此液压油仍可为液压系统留用。若用低粘度的专用清洗油清洗,则需将此清洗油彻底排净。1.1.7清洗结束,管路复原,准备调试液压系统。1.2液压系统的调试不管是新制造的液压设备还是经过大修理后液压设备,都要对液压系统进行各项技术指标和工作性能或按实际使用的各项技术参数进行调试。1.2.1调试目的通过运转调试可以了解和掌握液压系统的工作性能与技术状况。在调试过程中出现的缺陷和故障应及时排除和改善,从而使液压系统工作达到稳定可靠。1.2.2调试主要内容1液压系统各个动作的各项参数,如力、速度、行程的始点、各动作的时间和整个工作循环的总时间等,均应调整到原设计所要求的技术指标。2调整全线或整个液压系统,使工作性能达到稳定可靠。3在调试过程中要判别整个液压系统的功率损失和工作油液温升变化状况。4检查各可调元件的可靠程度。5检查各操作结构灵敏性和可靠性。6凡是不符合设计要求和有缺陷的元件,都要进行修复和更换。1.2.3调试方法与注意事项液压设备靠液体的原理来传递能量,所以合理调整液压是保证液压系统正常工作的重要因素。1.2.3.1熟悉液压系统及其技术性能a)调压前对液压系统中所用的各调压元件及整个系统必须有充分的了解。同时要了解被调试设备的加工对象或工作特性;了解设备结构及其加工精度和使用范围;并了解机械、电气、液压的相互关系。b)根据液压系统图认真分析所有元件的结构、作用、性能和调试范围,以及搞清楚每个液压元件在设备上的实际位置。c)要制定出调压方案和工作步骤,以及调压操作规程,避免设备和人身事故的发生。1.2.3.2调压方法液压传动中所用的压力是指液体的静压力。液压系统的工作压力是液体表面受到外力作用而产生的,所以系统的调压实际就是阻止液体的自由流动,其方法入下:a)调压前,先把所要调节的调压阀的调节螺钉放松(其压力值能推动执行机构就可)。同时,要调整好执行机构的极限位置(停止限位位置)。b)把执行结构移到终点或停止在限位处,或利用有关液压元件切断液流通道,使系统建立压力。c)按设计要求的工作压力或按实际工作对象所需的压力(不能超过设计规定的工作压力)进行调节,以便降低动能消耗和避免温升过高,以及油温过高而引起的漏油。d)调压时,要逐渐升压,直到所需压力值为止,并将调节螺钉的背帽紧固牢靠,以免松动。1.2.3.3调压范围合理地调整系统中各个调压元件的压力值,是保证系统工作正常、稳定和控制温升的一个重要措施。因为系统压力值调整不当既会造成液能损耗,油温升高,又会影响动作不协调,甚至会产生故障。所以调节压力值要按使用技术规定或按实际使用条件,同时要结合实际使用的各类液压元件的结构、数量和管路情况具体分析和确定。a)溢流阀的最高压力b)以使用说明书中规定的最高压力为准。c)装有压力继电器的系统,压力继电器的调定压力应比它所控制的执行机构的工作压力或高或低(0.3~0.5)MPa。d)装有蓄能器的液压系统,蓄能器的工作压力调定值应同它所控制的执行机构的工作压力值一致。当蓄能...

1、当您付费下载文档后,您只拥有了使用权限,并不意味着购买了版权,文档只能用于自身使用,不得用于其他商业用途(如 [转卖]进行直接盈利或[编辑后售卖]进行间接盈利)。
2、本站所有内容均由合作方或网友上传,本站不对文档的完整性、权威性及其观点立场正确性做任何保证或承诺!文档内容仅供研究参考,付费前请自行鉴别。
3、如文档内容存在违规,或者侵犯商业秘密、侵犯著作权等,请点击“违规举报”。

碎片内容

液压系统运转维护及保养说明

确认删除?
VIP
微信客服
  • 扫码咨询
会员Q群
  • 会员专属群点击这里加入QQ群
客服邮箱
回到顶部