电脑桌面
添加小米粒文库到电脑桌面
安装后可以在桌面快捷访问

质量管理体制VIP免费

质量管理体制_第1页
1/56
质量管理体制_第2页
2/56
质量管理体制_第3页
3/56
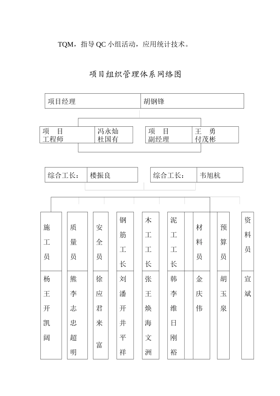
项目部质量管理制度一.质量管理1.前言为贯彻落实ISO9001-2000标准管理、局质量手册、程序文件和分公司质量管理体系文件要求,确保工程质量符合设计图纸要求,满足规范规定,保证使用功能,实现合同目标的需要,提高质量管理水平,使项目部质量管理有序、有效、受控,创建优质工程、名牌工程,树立企业良好的社会形象。2.目的实现本公司“科学管理,每建必优”的质量方针和一次交验合格率达100%,满足业主合同要求的质量目标。3.范围适用于项目经理部、分承包方及联营合作单位所承接的工程项目。4.相关文件公司质量手册、程序文件;分公司质量体系文件;工程项目质量保证计划;国家现行建筑工程施工及验收规范;国家建筑工程质量检验评定标准;工程合同或协议。二.质量管理系统图(图一)三.质量管理职责1.项目经理部级(1)项目经理1)领导本项目经理部职能部门(人员)行使其质量职责与职权,防止工程质量出现不合格,对项目工程质量负全面责任。2)负责建立健全本项目经理部的质量保证体系,组织制订与实施工程项目质量保证计划,贯彻实施局质量体系文件,防止质量体系运行无效。3)合理配备和有效使用各种资源,精心组织施工,搞好全面、全过程、全员的质量管理。4)严格执行国家规范及本工程项目合同的规定和要求。(2)技术主办(主任工程师)1)负责组织图纸会审,编制、审核施工组织设计、施工方案、作业指导书等技术策划。2)负责主持隐蔽工程、分部工程、特殊分项工程的质量检查、核验、评定,对工程质量不合格品进行评审、处置及采取纠正和预防措施,监督质量改进。3)参加单位工程竣工验收,做到交付前资料完善、齐全、整洁、符合规定及达到归档要求。控制工程质量,并具有否决权。4)负责施工过程中的技术服务和上岗人员的技术培训,推行TQM,指导QC小组活动,应用统计技术。项目组织管理体系网络图项目经理胡钢锋综合工长:楼振良综合工长:韦旭杭施工员质量员安全员钢筋工长木工工长泥工工长材料员预算员资料员杨王开凯阔熊李志忠超明徐应君来富刘潘开井平祥张王焕海文洲韩李维日刚裕金庆伟胡玉泉宣斌项目工程师冯永灿杜国有项目副经理王勇付茂彬(3)施工员1)贯彻实施设计图、施工组织设计及质量策划的要求。2)参与编制施工组织设计、作业指导书、施工技术交底文件,并认真实施,确保工程质量。3)保证施工过程处于受控状态,工程质量满足国家规范、规定及合同要求。(4)技术员1)做好图纸会审、技术核定、设计更改管理工作,参加编制施工组织设计、施工方案或作业指导书。2)负责工程图纸、建筑工程文件、资料、质量记录的管理,完成单位工程竣工交付资料的整理、归档。3)负责工程的放线定位、水平标高控制工作。4)负责指导工程及材料的检验和试验工作,负责日常技术管理工作。5)指导QC小组活动,应用统计技术。(5)质检员1)完成分部、分项单位工程质量评定的核定工作,对工程质量行使内部监督权。2)负责贯彻质量保证计划的实施及开展QC小组的工作。3)负责对材料、半成品的质量检查和鉴定,收集、整理质量检验资料。4)负责对质量事故的调查和处理工作。5)参与工程交工验收工作。(6)试验员1)负责材料、力学试验工作,保证试验报告数据可靠、准确、及时。2)负责检验、测量和试验设备的控制、管理,作好定期校检及保养工作。3)负责现场材料进场取样试验,及时将试验结果通报有关部门,防止不合格品用于工程上,并作好试验台帐。4)负责现场试样的制取工作,按规定要求及时送样检验,作好送样试验记录,并及时向有关部门通报试验结果。四.质量控制1.施工准备(1)文件的编制1)工程项目质量保证计划A.根据质量手册、程序文件、设计图纸、施工验收规范的要求,编制工程项目质量保证计划。B.工程项目质量保证计划阐述在工程项目中进行质量管理和质量保证活动的内容、职责和方法,落实局质量方针、质量目标与质量体系文件的要求。C.工程项目质量保证计划由项目经理或主任工程师主持编制,在开工前分公司审批后实施,每个工程项目都应单独编制。2)施工组织设计A.编制施工组织设计应满足工程设计图纸、施工规范的规定,合理地将人、材料、...

1、当您付费下载文档后,您只拥有了使用权限,并不意味着购买了版权,文档只能用于自身使用,不得用于其他商业用途(如 [转卖]进行直接盈利或[编辑后售卖]进行间接盈利)。
2、本站所有内容均由合作方或网友上传,本站不对文档的完整性、权威性及其观点立场正确性做任何保证或承诺!文档内容仅供研究参考,付费前请自行鉴别。
3、如文档内容存在违规,或者侵犯商业秘密、侵犯著作权等,请点击“违规举报”。

碎片内容

质量管理体制

您可能关注的文档

书海行舟+ 关注
实名认证
内容提供者

热爱教学事业,对互联网知识分享很感兴趣

相关文档

确认删除?
VIP
微信客服
  • 扫码咨询
会员Q群
  • 会员专属群点击这里加入QQ群
客服邮箱
回到顶部