电脑桌面
添加小米粒文库到电脑桌面
安装后可以在桌面快捷访问

李台乡供水工程经济评价VIP免费

李台乡供水工程经济评价_第1页
1/14
李台乡供水工程经济评价_第2页
2/14
李台乡供水工程经济评价_第3页
3/14
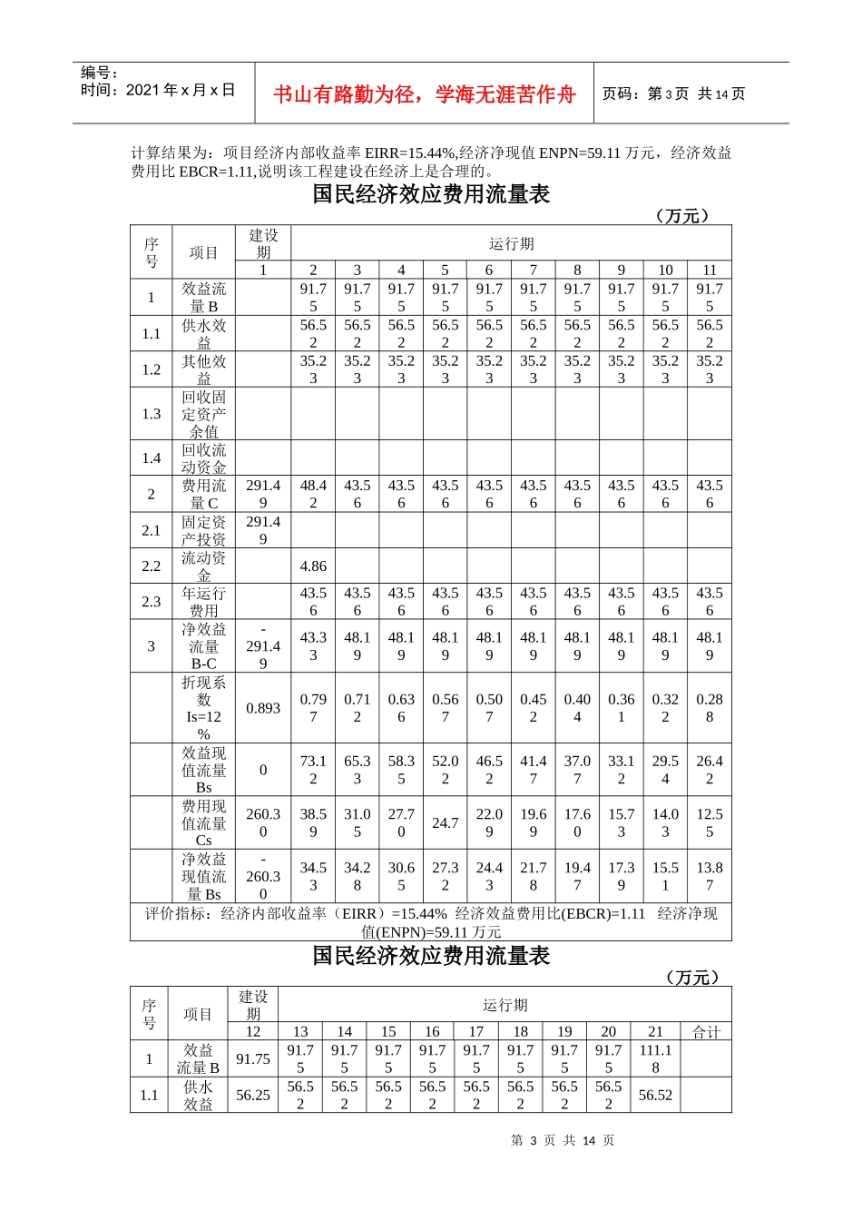
第1页共14页编号:时间:2021年x月x日书山有路勤为径,学海无涯苦作舟页码:第1页共14页李台乡供水工程经济评价1.概况李台乡位于杨陵区东南部,地处北纬34º16´,东经108º07´,总面积21平方公里,北与城区相邻,东与武功县大庄乡接壤,南与渭河与周至哑柏镇相望,西接扶风县揉谷乡。据地形、居民分布及用水现状及规划,本次设计供水区域为李台、西桥、徐东湾、淡家堡、杜家坡、陈小寨6个行政村和李台乡政府,涉及农户2709户,人口9482人、大牲畜810头,家禽20450只。粮食作物以小麦、玉米为主,经济作物有蔬菜、杂果等。近年来,区委、区政府号召全区调整产业结构,农、林、牧业全面发展,农民生活水平提高较快。1.1工程概况李台乡集中供水工程由水源井、管理房、清水池、输配水管网等组成。该项工程建成后,可解决10066人,810头大牲畜及20450只家禽的饮水困难问题,村民从此可用上干净卫生的自来水,改善水环境和生态环境,提高农民的生活生存条件,有利于农业的发展和农民的增收。工程概算总投资323.88万元,其中:建筑工程费用252.65万元,机电设备及安装费用21.8万元,其他费用34.01万元,预备费用15.42万元。概工程完成主要过程量:水泥砂浆砌砖共计866.3米3,594.54米3,安装管道长度39.73公里。消耗主要材料量:水泥142.69吨,石子179.76方,沙子313.91方钢筋31.34吨,砖433.15千块。1.3设计概算工程设计概算总投资323.88万元。静态总投资323.88万元,详见工程概算表。1.4工程资金筹措方案工程概算总投资323.88万元,其中中央投资210.0万元,地方配套及自筹113.88万元。2经济评价2.1经济评价的依据和基本原则2.1.1评价依据本项目经济评价主要依据《水利建设项目经济评价规范(SL72-94)以下简称评价规范》及国家计委和建设部颁发的《建设项目经济评价方法与参数》进行编制。2.1.2主要参数依据《评价规范》和本工程实际所确定的主要参数为:1、社会折现率为IS=12%;2、经济计算期为21年,其中建设期1年,正常运行期20年;3、工程静态总投资323.88万元,总投资323.88万元。2.2制水成本计算出总成本费用后除以全年制水量,即为单位制水成本。计算详见总成本费用计算表,据年供水量36万m3计算,得单位制水成本为1.57元/m3.总成本费用计算表序号费用名称计算依据金额(万元)一年运行费1水资源费36万m3×0.3元/m310.82供水电费36万m3×0.35kwh/m3×0.5元/kwh6.33药剂费36万m3×0.1元/m33.64工资及福利费6人×600元/人·月×12月4.325维修费291.49×1%2.926材料费291.49×1%2.927其他费用291.49×1.5%4.378管理费(1+2+3+4)×10%2.039大修费291.49×2%5.83二折旧费291.49×4.5%13.12第2页共14页第1页共14页编号:时间:2021年x月x日书山有路勤为径,学海无涯苦作舟页码:第2页共14页合计56.682.3国民经济评价2.3.1固定资产投资计算本工程共需投资323.88万元,按总投资的90%计算固定资产,则固定资产投资为291.49万元。2.3.2流动资金按工程实际,流动资金按总投资的1.5%计取,即为4.86万元,从项目运行的第一年开始,按工程规模分析确定,并于运行期末一次收回。2.3.3固定资产余值固定资产余值按固定资产投资的5%计算,即为14.57万元,运行期末一次收回。2.3.4年运行费用计算年运行费用经分析计算,本工程年运行费用为43.56万元。(详见工程运行费用计算表)工程运行费用计算表序号费用名称计算依据金额(万元)1水资源费36万m3×0.3元/m310.82供水电费36万m3×0.35kwh/m3×0.5元/kwh6.33药剂费36万m3×0.1元/m33.64工资及福利费6人×600元/人·月×12月4.325维修费291.49×1%2.926材料费291.49×1%2.927其他费用291.49×1.5%4.378管理费(1+2+3+4)×10%2.59大修费291.49×2%5.83合计43.562.3.5效益分析2.3.5.1社会效益分析该工程实施后,将为村民们提供方便足量、优质的生活生产用水,从而提高了农民的生活质量和健康水平,解放农村劳动力,并因改善水质而减少疾病所需支付的医疗费用和由于体力增强、劳动效率提高而增加的国民经济效益,促进农村精神文明建设和社会稳定。2.3.5.2经济效益分析(1)供水效益供水效益主要是指售水效益。年供水量为∑Q=365×Q,计算得36万m3,...

1、当您付费下载文档后,您只拥有了使用权限,并不意味着购买了版权,文档只能用于自身使用,不得用于其他商业用途(如 [转卖]进行直接盈利或[编辑后售卖]进行间接盈利)。
2、本站所有内容均由合作方或网友上传,本站不对文档的完整性、权威性及其观点立场正确性做任何保证或承诺!文档内容仅供研究参考,付费前请自行鉴别。
3、如文档内容存在违规,或者侵犯商业秘密、侵犯著作权等,请点击“违规举报”。

碎片内容

李台乡供水工程经济评价

中小学资料+ 关注
实名认证
内容提供者

精美课件,值得下载

确认删除?
VIP
微信客服
  • 扫码咨询
会员Q群
  • 会员专属群点击这里加入QQ群
客服邮箱
回到顶部