电脑桌面
添加小米粒文库到电脑桌面
安装后可以在桌面快捷访问

11.2滑轮(1)教学案(魅力)VIP免费

11.2滑轮(1)教学案(魅力)_第1页
1/2
11.2滑轮(1)教学案(魅力)_第2页
2/2
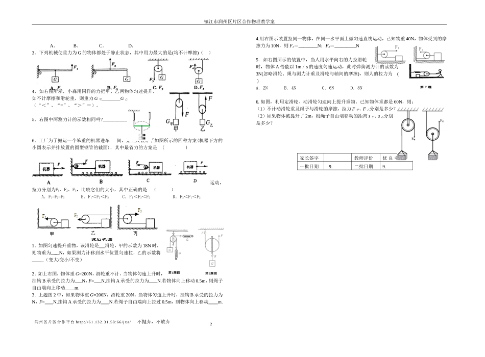
镇江市润州区片区合作物理教学案课题:滑轮(1)主备:姚恒萍课型:新授审核:九年级物理备课组班级姓名学号【学习目标】1、了解滑轮的结构,并能区分定滑轮和动滑轮;2、知道定、动滑轮的特点和实质;3、知道定、动滑轮的距离关系;4、会对动滑轮进行受力分析。【自主学习】1.如图所示为我们升国旗时的情景,旗杆顶部的装置是一滑轮,,当我们向______(上/下)用力,国旗就会上升,此时滑轮的轴是______(固定不动/不固定)我们把像这样的装置:轴的位置是_______(固定不动/不固定)的滑轮称为定滑轮。2.若用右图所示的装置把一重为G的物体用力F向上提,滑轮的轴______(会/不会)随被拉物体一起上升,我们把这样的滑轮称为动滑轮。【课堂助学】一、认识滑轮1、什么是滑轮?滑轮是一个周边有________,并可以绕________转动的轮子。2、滑轮的分类:定滑轮:使用时______的位置固定不动的滑轮动滑轮:使用时______的位置随被拉物体一起运动的滑轮二、特点1、定滑轮的特点:(1)实验1:用如下图四种方法匀速提升物体时,F1、F2、F3、F4的关系是:F1_____F2____F3_____F4(2)结论:定滑轮的特点是:使用定滑轮不_______,但能______________________。2、动滑轮的特点:(1)实验2:用下图两种方法匀速提升物体时,F1、F2的关系是:F1_____F2(不计绳重和摩擦)(2)结论:使用动滑轮能__________,但不能____________________。三、实质1、定滑轮的实质:(1)画出定滑轮的杠杆示意图(2)结论:定滑轮实质是一个__________杠杆2、动滑轮的实质:(1)画出动滑轮的杠杆示意图(2)结论:动滑轮实质是_____________________的杠杆。四、距离关系:1、定滑轮:S绳=______S物(S绳表示绳子(拉力作用点)移动的距离,S物表示物体移动的距离。)v绳=_______v物2、动滑轮:S绳=_______S动v绳=_______v动五、受力分析:关系:(1)_________________(2)_________________(3)_________________________________________________________________________________________________________________【板书设计】11.2滑轮(1)一、滑轮的分类三、滑轮的实质二、滑轮的特点1.定滑轮:1.定滑轮:2.动滑轮:2.动滑轮:四、距离关系课堂检测1.如图所示的滑轮是________滑轮,观察图中弹簧测力计的示数,可以知道使用这种滑轮可以改变_________________,不能________________.2.如图所示,下列各装置中利用了动滑轮的是()润州区片区合作平台http://61.132.31.58:66/jxa/不抛弃,不放弃家长签字教师评价优良中差一批日期9.二批日期9.1镇江市润州区片区合作物理教学案A.B.C.D.3.下列机械使重力为G的物体都处于静止状态,其中用力最大的是(均不计摩擦)()4.如右图所示,小森用同样的力把甲、乙两物体匀速提升,如不计摩檫和滑轮重,则重力G甲____G乙(“<”、“=”、“>”=)。5.右图中两测力计的示数相同吗?___________。6.工厂为了搬运一个笨重的机器进车间,某工人设计了如图所示的四种方案(机器下方的小圆表示并排放置的圆型钢管的截面),其中最省力的方案是()★7.如图所示,用滑轮按甲、乙、丙三种方式拉同一重物在相同的水平面上做匀速直线运动,拉力分别为F1、F2、F3,比较它们的大小,其中正确的是()A.F1=F2=F3B.F1<F2<F3C.F1<F3<F2D.F3<F1<F2课后巩固1.如图匀速提升重物,该滑轮是滑轮,甲的示数为18N时,则物重为_N,如果测力计移到水平位置匀速拉,乙的示数将____(变大/变小/不变)2.如上右图,物体重G=200N,滑轮重不计。当物体匀速上升时,挂钩B承受的拉力为N,F=N,挂钩A承受的拉力为N.若物体向上移动0.5m,则绳子自由端向上移动m.3.上题图2中,如果物体重G=200N,滑轮重20N。当物体匀速上升时,挂钩B承受的拉力为N,F=N,挂钩A承受的拉力为N.若绳子自由端向上拉过0.5m,则物体向上移动m.4.用右图示装置拉同一物体,在同一水平面上做匀速直线运动,已知物重40N,物体受到的摩擦力为10N,则F1=________N;F2=_________N5.如右图所示的装置中,当人用水平向右的力拉滑轮时,物体A恰能以1m/s的速度匀速运动,此时弹簧测力计的读数为3N(忽略...

1、当您付费下载文档后,您只拥有了使用权限,并不意味着购买了版权,文档只能用于自身使用,不得用于其他商业用途(如 [转卖]进行直接盈利或[编辑后售卖]进行间接盈利)。
2、本站所有内容均由合作方或网友上传,本站不对文档的完整性、权威性及其观点立场正确性做任何保证或承诺!文档内容仅供研究参考,付费前请自行鉴别。
3、如文档内容存在违规,或者侵犯商业秘密、侵犯著作权等,请点击“违规举报”。

碎片内容

11.2滑轮(1)教学案(魅力)

您可能关注的文档

确认删除?
VIP
微信客服
  • 扫码咨询
会员Q群
  • 会员专属群点击这里加入QQ群
客服邮箱
回到顶部