电脑桌面
添加小米粒文库到电脑桌面
安装后可以在桌面快捷访问

一种无线语音传输系统设计方案VIP免费

一种无线语音传输系统设计方案_第1页
1/6
一种无线语音传输系统设计方案_第2页
2/6
一种无线语音传输系统设计方案_第3页
3/6
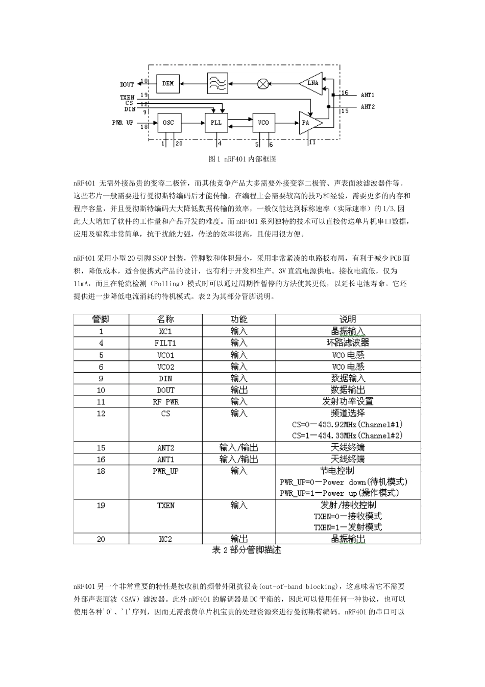
一种无线语音传输系统设计方案西安电子科技大学通信工程学院(710071)陈红梅陈健摘要:本文提出了一种将其应用于无线集群语音传输系统中的设计思路及实现方案。关键词:nRF401;MSP430F1121;TLV320AIC10以往设计无线数传产品往往需要相当的无线电专业知识和价格高昂的专业设备,传统的电路方案不是电路繁琐就是调试困难,因而影响了用户的使用和新产品的开发,nRF401系列高速单片无线收发芯片为短距离无线数传应用提供了较好的解决办法,由于采用了低发射功率和高接收灵敏度的设计,因而可满足无线管制要求,使用无需许可证,是目前低功率无线数传的理想选择,可广泛用于遥控装置、工业控制、无线通信、电信终端、车辆安全、自动测试、家庭自动化、报警和安全系统等。本文即提出了一种将其应用于无线语音传输系统的设计方案。1射频收发芯片nRF401nRF401是挪威NordicVLSI公司最新推出的单芯片RF收发机,专为在433MHzISM(工业、科研和医疗)频段工作而设计。它是目前集成度最高的无线数传产品。该芯片集成了高频发射、高频接收、PLL合成、FSK调制、FSK解调、双频道切换等功能,具有性能优异、功耗低、使用方便等特点。nRF401的外围元件很少,仅10个左右。只包括一个4MHz基准晶振(可与MCU共享)、一个PLL环路滤波器和一个VCO电感,收发天线合一,没有调试部件,这给研制及生产带来了极大的方便。主要技术特性见表1所示,其内部结构如图1所示。nRF401接收机使用具有较强抗干扰能力的FSK频移键控(Frequency-ShiftKeying)调制方式,改善了噪声环境下的系统性能;采用DSS+PLL频率合成技术,工作频率稳定可靠。与ASK幅移键控(Amplitude-ShiftKeying)和OOK开关键控(On-OffKeying)方式相比,这种方式的通信范围更广,特别是在附近有类似设备工作的场合。图1nRF401内部框图nRF401无需外接昂贵的变容二极管,而其他竞争产品大多需要外接变容二极管、声表面波滤波器件等。这些芯片一般需要进行曼彻斯特编码后才能传输,在编程上会需要较高的技巧和经验,需要更多的内存和程序容量,并且曼彻斯特编码大大降低数据传输的效率,一般仅能达到标称速率(实际速率)的1/3,因此大大增加了软件的工作量和产品开发的难度。而nRF401系列独特的技术可以直接传送单片机串口数据,应用及编程非常简单,抗干扰能力强,传送的效率很高,且使用很方便。nRF401采用小型20引脚SSOP封装,管脚数和体积最小,采用非常紧凑的电路板布局,有利于减少PCB面积,降低成本,适合便携式产品的设计,也有利于开发和生产。3V直流电源供电。接收电流低,仅为11mA,而且在轮流检测(Polling)模式时可以通过周期性暂停的方法使其更低,以延长电池寿命。它还提供进一步降低电流消耗的待机模式。表2为其部分管脚说明。nRF401另一个非常重要的特性是接收机的频带外阻抗很高(out-of-bandblocking),这意味着它不需要外部声表面波(SAW)滤波器。此外nRF401的解调器是DC平衡的,因此可以使用任何一种协议,也可以使用各种'0'、'1'序列,因而无需浪费单片机宝贵的处理资源来进行曼彻斯特编码。nRF401的串口可以与任何单片机接口,也不需要进行设置,应用及编程非常简单,可直接传输串口数据,传送的效率很高,是一种能方便地与各种单片机配合使用的方案。2音频接口芯片TLV320AIC10TLV320AIC10是TI公司近年新推出的低功耗∑-Δ型16位A/D、D/A音频接口(AIC)芯片。模拟接口芯片(AIC)又称调制解调编解码器(modemCodec)以其高度可编程性,高性能,低功耗,较少的外围器件,成为当前语音处理的主流产品。适用于音频处理,语音增强,语音安全,回声抵消,VoIP(Voice-over-InternetProtocol)等广泛的电话或语音应用中。其功能强大的串行接口和应用支持以及低功耗的特性使得TLV320AIC10成为音频应用的最好的模拟接口。TLV320AIC10为一通用,3-5.5VCodec,内部集成了16位A/D和D/A转换器。有两路模拟输入通道,一路模拟输出通道和一对数字I/O口。使用片内FIR滤波器时采样速率最高可达22ksps,采用片外FIR滤波器时其采样速率最高可达88ksps,工作方式和采样速率均可由单片机编程设置。其内部ADC之前有抗混叠滤波器,之后有抽样滤波器,DAC之...

1、当您付费下载文档后,您只拥有了使用权限,并不意味着购买了版权,文档只能用于自身使用,不得用于其他商业用途(如 [转卖]进行直接盈利或[编辑后售卖]进行间接盈利)。
2、本站所有内容均由合作方或网友上传,本站不对文档的完整性、权威性及其观点立场正确性做任何保证或承诺!文档内容仅供研究参考,付费前请自行鉴别。
3、如文档内容存在违规,或者侵犯商业秘密、侵犯著作权等,请点击“违规举报”。

碎片内容

一种无线语音传输系统设计方案

确认删除?
VIP
微信客服
  • 扫码咨询
会员Q群
  • 会员专属群点击这里加入QQ群
客服邮箱
回到顶部