电脑桌面
添加小米粒文库到电脑桌面
安装后可以在桌面快捷访问

质量管理体系与措施(DOC6页)VIP免费

质量管理体系与措施(DOC6页)_第1页
1/6
质量管理体系与措施(DOC6页)_第2页
2/6
质量管理体系与措施(DOC6页)_第3页
3/6
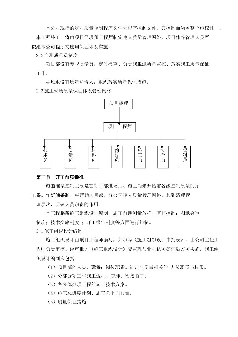
南京市建发西善桥一期项目基坑支护工程(质量管理体系与措施)施工组织设计南京弘瑞建设实业有限公司2011年2月13日质量管理体系与措施第一节质量目标管理网络图第二节质量保证体系2.1项目部质量控制本工程施工质量保证体系将根据我司质量控制程序文件,采取逐级控制,规范操作,发挥本公司在质量管理方面的优势。质量目标确保达到优良工程质量控制点1.加强项目管理2.落实岗位责任制3.各分项按工种书面交底4.各分项质量验收工作质量1.合理设置岗位指定专项控制点2.跟踪管理检查制度1.加强自检互检专检2.落实整改措施3.评定及奖罚.质量控制点1.指定质量控制点2.跟踪管理3.分析改进管理职责质量体系原则回访与保修工程质量的检验和试验施工准备质量采购质量施工过程控制不合格的控制和管理半成品和成品的保护工序管理与控制工程(产品)安全与责任测量和试验设备的控制质量文件和记录人员统计技术的应用本公司现行的我司质量控制程序文件为程序控制文件,其控制面涵盖整个施工过程。本工程施工,将由项目经理和项目工程师制定建立质量管理网络,项目体各管理人员严格按照本公司程序文件和质量保证体系实施。2.2专职质量员制度项目部设有专职质量员,定时检查、负责施工过程中质量监控、落实施工质量保证工作。各班组设有质量负责人,组织落实质量保证措施。2.3施工现场质量保证体系管理网络第三节开工前质量准备工作施工准备中的质量控制主要是在项目部进场后、施工尚未开始前各级控制质量的预备工作。作好施工准备的控制,将帮助项目部、分公司建立质量管理网络,起到清理管理层次,明确人员职责的作用。本工程施工准备将从施工组织设计编制;施工前期测量放样、复核控制;图纸会审制度;技术交底制度;开工报告制度等方面进行控制。3.1施工组织设计编制施工组织设计由项目工程师编写,并填写《施工组织设计申批表》,由公司主任工程师负责审核。经审批的《施工组织设计》交监理与业主认可签证后方可实施,施工组织设计编制应包括:(1)项目部的人员、设备配置;岗位职责。制定与质量相关的人员职责与权限。(2)分部分项工程施工流程、安排、衔接顺序。(3)各分部分项工程的施工技术方案。(4)施工总进度计划、施工总平面布置。(5)质量保证措施项目经理项目工程师技术员质量员材料员预算员施工员安全员资料员(6)安全生产保证措施(7)文明施工保证措施3.2测量放样、复核控制建立放样及复核制度,由项目部测量员组织测量放样,由项目技术员进行复核。根据施工现场情况,布置好控制点及水准点的控制体系。建立相应的临时水准点、临时控制点、基准线。待复合完成后,由项目部测量员填写《临时水准点复核记录表》、《工程基准线放样复合记录》、《工程控制点放样复合记录》,交监理工程师认可签证后方能使用。3.3图纸会审开工前组织项目部技术人员对施工图纸、地质报告及有关文件进行认真地研究,了解设计意图和要求,并根据这些资料进行现场勘测和调查。在自查的基础上进行设计图纸会审,并做好《图纸会审记录》。3.4技术交底当项目部接到设计图纸后,项目经理必须组织项目体全部人员对图纸进行认真学习,并督促建设单位组织设计交底会。施工组织设计编制完毕并送审确认后,组织全体人员认真学习施工方案,并进行技术、质量、安全书面交底。列出控制部位及监控要点。本着“谁负责施工谁负责质量、安全”的原则,各工种分管负责人在安排施工任务的同时,必须对施工班组进行书面技术、质量、安全交底,必须做到“交底不明确不上岗、不签证不上岗”。3.5人员、材料、设备、设施准备根据施工组织设计要求配备足够的施工人员、材料、设备、设施,保证施工顺利进行。3.6开工报告在提交开工报告前,应做好以下几个方面工作:(1)施工合同、安全协议等。(2)水准点、基准点、控制点测设完毕(3)主要施工设备、必要施工材料、人员及计量设备等配备(4)必要的施工组织设计批复(5)施工登记卡、管线绿卡(业主提供)(6)质量报监手续(业主)、安全报监手续待完成以上工作,填写工程开竣工报告,并交监理工程师认可签证后方能正式进行施工。第四节施工过程质量控制4.1原材料、半成品...

1、当您付费下载文档后,您只拥有了使用权限,并不意味着购买了版权,文档只能用于自身使用,不得用于其他商业用途(如 [转卖]进行直接盈利或[编辑后售卖]进行间接盈利)。
2、本站所有内容均由合作方或网友上传,本站不对文档的完整性、权威性及其观点立场正确性做任何保证或承诺!文档内容仅供研究参考,付费前请自行鉴别。
3、如文档内容存在违规,或者侵犯商业秘密、侵犯著作权等,请点击“违规举报”。

碎片内容

质量管理体系与措施(DOC6页)

书海行舟+ 关注
实名认证
内容提供者

热爱教学事业,对互联网知识分享很感兴趣

确认删除?
VIP
微信客服
  • 扫码咨询
会员Q群
  • 会员专属群点击这里加入QQ群
客服邮箱
回到顶部