电脑桌面
添加小米粒文库到电脑桌面
安装后可以在桌面快捷访问

网络固定资产命名管理规范VIP免费

网络固定资产命名管理规范_第1页
1/38
网络固定资产命名管理规范_第2页
2/38
网络固定资产命名管理规范_第3页
3/38
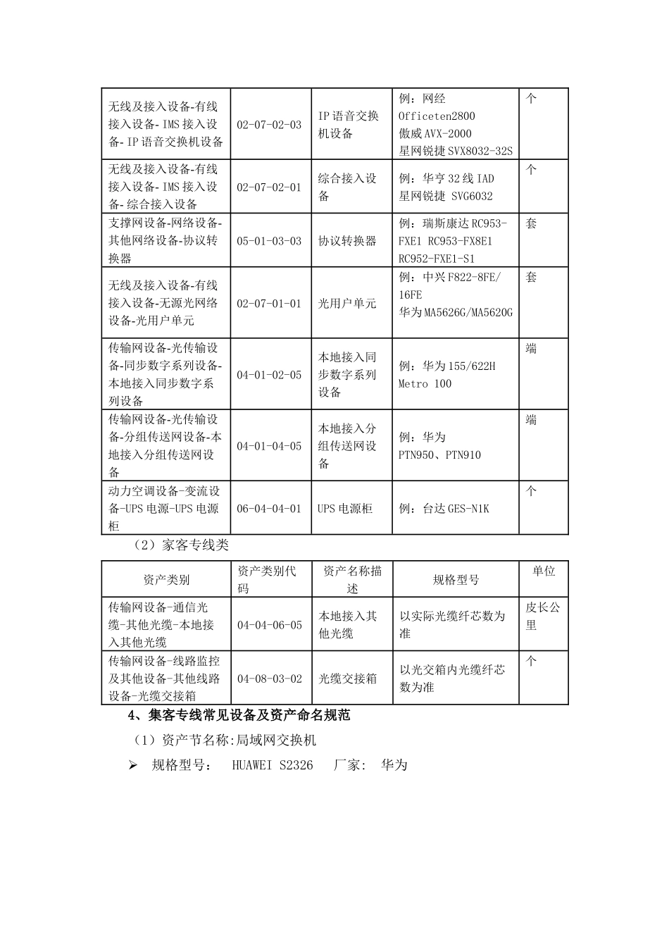
保定网络固定资产命名管理规范(2016版)为加强网络固定资产转资和维护使用管理,网络部根据固定资产目录(2011修订版)和保定实际情况,对网络固定资产命名进行了统一规范,包括集客、家客、无线、动力、传输、交换、数据、wlan专业,具体内容如下:一、集客/家客专业1、资产范围(1)集客专线类包括局域网交换机、路由器、语音交换机、IAD、协议转换器、光电转换器、SDH光端机、PDH光端机、PTN本地接入分组传送网设备、ONU等。(2)家庭宽带类包括小区内驻地网光缆、光缆交接箱、分光器(分光器及分光器箱不单独形成资产,而是作为明细物料将其价值追加到相关主设备)。2、转资地点规范(1)集客专线和家客宽带客户侧设备转资地点编码应统一以3026KH********编码为准。家庭宽带小区内的光缆转资地点应位于小区内,不得转资到线路中继段内。(2)集客专线安装于基站侧的设备如光电转换器、协议转换器等转资地点应对应此基站的基站地点编码,基站地点编码应为3026JZ********。3、转资类别、名称规范(1)集客专线类资产类别资产类别代码资产名称描述规格型号单位互联网及业务平台-互联网设备-CMNET网络设备-局域网交换机03-01-01-01局域网交换机例:华为S2326烽火S2000迈普3024B个互联网及业务平台-互联网设备-CMNET网络设备-路由器03-01-01-05路由器例:中兴1822E华为SRG1220烽火R2640-220V个传输网设备-其他传输及配套设备-其他传输设备-光电转换器04-02-07-02光电转换器例:瑞斯康达RC512-FE-S-S1RC551B-4FEITN123-4FE台无线及接入设备-有线接入设备-IMS接入设备-IP语音交换机设备02-07-02-03IP语音交换机设备例:网经Officeten2800傲威AVX-2000星网锐捷SVX8032-32S个无线及接入设备-有线接入设备-IMS接入设备-综合接入设备02-07-02-01综合接入设备例:华亨32线IAD星网锐捷SVG6032个支撑网设备-网络设备-其他网络设备-协议转换器05-01-03-03协议转换器例:瑞斯康达RC953-FXE1RC953-FX8E1RC952-FXE1-S1套无线及接入设备-有线接入设备-无源光网络设备-光用户单元02-07-01-01光用户单元例:中兴F822-8FE/16FE华为MA5626G/MA5620G套传输网设备-光传输设备-同步数字系列设备-本地接入同步数字系列设备04-01-02-05本地接入同步数字系列设备例:华为155/622HMetro100端传输网设备-光传输设备-分组传送网设备-本地接入分组传送网设备04-01-04-05本地接入分组传送网设备例:华为PTN950、PTN910端动力空调设备-变流设备-UPS电源-UPS电源柜06-04-04-01UPS电源柜例:台达GES-N1K个(2)家客专线类资产类别资产类别代码资产名称描述规格型号单位传输网设备-通信光缆-其他光缆-本地接入其他光缆04-04-06-05本地接入其他光缆以实际光缆纤芯数为准皮长公里传输网设备-线路监控及其他设备-其他线路设备-光缆交接箱04-08-03-02光缆交接箱以光交箱内光缆纤芯数为准个4、集客专线常见设备及资产命名规范(1)资产节名称:局域网交换机规格型号:HUAWEIS2326厂家:华为规格型号:MAIPUS3024B厂家:迈普规格型号:S2000厂家:烽火(2)资产节名称:路由器规格型号:中兴1822E厂家:中兴规格型号:SRG1200厂家:华为(3)资产节名称:光电转换器规格型号:RC512-FE-S-S1厂家:瑞斯康达规格型号:RC551B-4FE厂家:瑞斯康达(4)资产节名称:协议转换器规格型号:RC953-FX8E1厂家:瑞斯康达规格型号:RC952-FEE1厂家:瑞斯康达规格型号:RC952-FXE1-S1厂家:瑞斯康达(5)资产节名称:光用户单元规格型号:ZXA10F822-8FE厂家:中兴(6)资产节名称:本地接入同步数字系列设备规格型号:Metro100厂家:华为(7)资产节名称:IP语音交换机设备规格型号:AVX-2000厂家:傲威规格型号:Officeten2800厂家:网经(8)资产节名称:综合接入设备规格型号:32线IAD厂家:华亨(9)资产节名称:UPS电源柜,含UPS电源主机和电源模块(按一体进行转资)规格型号:GES-N1K厂家:台达二、无线/动力专业1、资产范围(1)基站/机房内无线/动力专业资产包括基站BTS、基站NODEB、基站ENODEB、载频、UPS电源柜、铁塔、基站专用空调、交流配电箱、组合开关电源、低压避雷设备、蓄电池、动力及环境监控设...

1、当您付费下载文档后,您只拥有了使用权限,并不意味着购买了版权,文档只能用于自身使用,不得用于其他商业用途(如 [转卖]进行直接盈利或[编辑后售卖]进行间接盈利)。
2、本站所有内容均由合作方或网友上传,本站不对文档的完整性、权威性及其观点立场正确性做任何保证或承诺!文档内容仅供研究参考,付费前请自行鉴别。
3、如文档内容存在违规,或者侵犯商业秘密、侵犯著作权等,请点击“违规举报”。

碎片内容

网络固定资产命名管理规范

您可能关注的文档

确认删除?
VIP
微信客服
  • 扫码咨询
会员Q群
  • 会员专属群点击这里加入QQ群
客服邮箱
回到顶部