电脑桌面
添加小米粒文库到电脑桌面
安装后可以在桌面快捷访问

弱电设计、采购各系统具体要求VIP免费

弱电设计、采购各系统具体要求_第1页
1/15
弱电设计、采购各系统具体要求_第2页
2/15
弱电设计、采购各系统具体要求_第3页
3/15
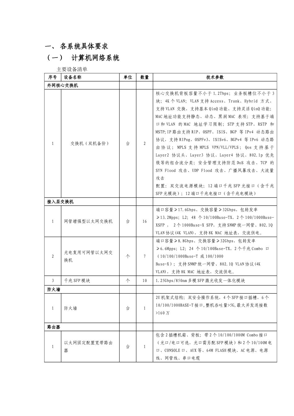
一、各系统具体要求(一)计算机网络系统主要设备清单序号设备名称单位数量技术参数外网核心交换机1交换机(双机备份)台2核心交换机背板容量不小于1.2Tbps;业务板槽位不小于3块;4K个VLAN;VLAN支持Access、Trunk、Hybrid方式,支持VLAN交换,支持基本QinQ功能、支持灵活QinQ功能;MAC地址功能支持静态、动态、黑洞MAC表项;支持基于端口和VLAN的MAC地址学习限制;STP支持STP,RSTP和MSTP;IP路由支持RIP、OSPF、ISIS、BGP等IPv4动态路由协议,支持RIPng、OSPFv3、ISISv6、BGPv4等IPv6动态路由协议;MPLS支持MPLSVPN/VLL/VPLS;Qos支持基于Layer2协议头、Layer3协议、Layer4协议、802.1p优先级等的组合流分类;安全管理支持防范DoS攻击、TCP的SYNFlood攻击、UDPFlood攻击、广播风暴攻击、大流量攻击配置:双交流电源模块;12端口千兆SFP光接口(含千兆SFP光模块);12端口千兆电接口(含千兆电模块)接入层交换机1网管增强型以太网交换机台16端口容量≥17.6Gbps、交换容量≥32Gbps,包转发率≥13.2Mpps;L2;48个10/100Base-TX,2个100/1000Base-XSFP,2个1000Base-XSFP,支持SNMP统一网管、802.1QVLAN协议(4KVLAN),支持8KMAC地址表,交流供电。2光电复用可网管以太网交换机个7端口容量≥8.8Gbps、交换容量≥32Gbps,包转发率≥6.6Mpps;L2;24个10/100Base-TX,2个千兆Combo口(10/100/1000Base-T或100/1000Base-X);支持SNMP统一网管、802.1QVLAN协议(4KVLAN),支持8KMAC地址表,交流供电。3千兆SFP模块个101.25Gbps/850nm多模SFP激光收发一体化模块防火墙1防火墙台12U机架式结构;双安全操作系统,4个SFP接口插槽,6个10/100/1000BASE-T接口,整机吞吐量>5G,最大并发连接数>160万路由器1以太网固定配置宽带路由器台1包含2插槽机箱、背板;带2个10/100/1000MCombo接口(光口/电口可选,光口需另配SFP模块)和2个10/100M电口、CONSOLE口、AUX等、64MFLASH模块、AC电源、电源线、网管线、串口电缆2网管系统软件套1网管基本软件,含配置管理、性能管理、故障管理、安全管理、Web网管等管理功能网络服务器存储部分1应用服务器台3XeonMPE7310*1/2GB内存/SAS146GB*5/windowsserver2008/双网卡/DVD*1/鼠标键盘一套/冗余电源/三年质保,含正版WINDOW2008软件光盘。2磁盘阵列台1系统磁盘容量不小于2TB,可扩充到16TB;64位专用存储操作系统,64位存储处理器,内存≥4GB,可扩展至8GB,高速缓存≥128GB。2个千兆以太网接口,最大可支持10个,支持SATAII/SAS磁盘,可以扩展3个JBOD(3U16盘位),支持RAID0、1、5、6、10、50、60,NAS客户端支持:Windows、Linux、Solaris、IBMAIX,iSCSI客户端支持:Windows、Linux、IBMAIX。3网络机柜个匹配2000*600*600,板材厚度不低于1.5mm,带支架、万向轮、散热风扇,隔板、电源插板。机柜颜色和款式中标后需送样,由业主确定,造价不调整。UPS供电(所有网络设备)1UPS电源10KVA套1含免维护电池(满负荷2小时供电)及电池柜;含输出配电箱柜(回路满足功能需求。)2供电管线米自测推荐品牌:交换机、路由器(思科、华为、H3C、中兴等),防火墙(网御、网神、天融信等),服务器(戴尔、惠普、联想等).UPS(山特、艾默生、APC等)(二)综合布线系统通信及综合布线系统由工作区子系统,水平布线子系统,楼层配线间,干线系统,设备管理间及建筑群子系统组成。本次采用非屏蔽综合布线系统,水平采用六类非屏蔽电缆,穿薄壁电线管暗敷;垂直干线采用多模光纤,电话垂直干线选择三类大对数铜缆,配线架在竖井内明装。工作区子系统信息点位统一采用RJ45型,可以任意转换成数据点或语音点。语音点模块要求8芯线缆全部接驳。光纤熔接包含在此次报价中。信息发布以及查询系统的预留管线接口均含在本系统内一并报价。主要设备清单:序号产品描述单位数量技术参数工作区子系统1数据面板(单孔)个自测所有塑料材料符合UL94-V0;白色;盖板可选择墙装和屏风安装;兼容所有屏蔽非屏蔽模块;长宽高86×86×8.4;有机玻璃标签框;可更换彩色防尘盖,标示不同类型信息点。2数据面板(双孔)个自测所有塑料材料符合UL94-V0;白色;盖板可选择墙装和屏风安装;兼容所有...

1、当您付费下载文档后,您只拥有了使用权限,并不意味着购买了版权,文档只能用于自身使用,不得用于其他商业用途(如 [转卖]进行直接盈利或[编辑后售卖]进行间接盈利)。
2、本站所有内容均由合作方或网友上传,本站不对文档的完整性、权威性及其观点立场正确性做任何保证或承诺!文档内容仅供研究参考,付费前请自行鉴别。
3、如文档内容存在违规,或者侵犯商业秘密、侵犯著作权等,请点击“违规举报”。

碎片内容

弱电设计、采购各系统具体要求

文泉书屋+ 关注
实名认证
内容提供者

热爱教学事业,对互联网知识分享很感兴趣

相关文档

确认删除?
VIP
微信客服
  • 扫码咨询
会员Q群
  • 会员专属群点击这里加入QQ群
客服邮箱
回到顶部