电脑桌面
添加小米粒文库到电脑桌面
安装后可以在桌面快捷访问

新版市政工程施工与质量验收规范表格(管道工程)VIP免费

新版市政工程施工与质量验收规范表格(管道工程)_第1页
1/47
新版市政工程施工与质量验收规范表格(管道工程)_第2页
2/47
新版市政工程施工与质量验收规范表格(管道工程)_第3页
3/47
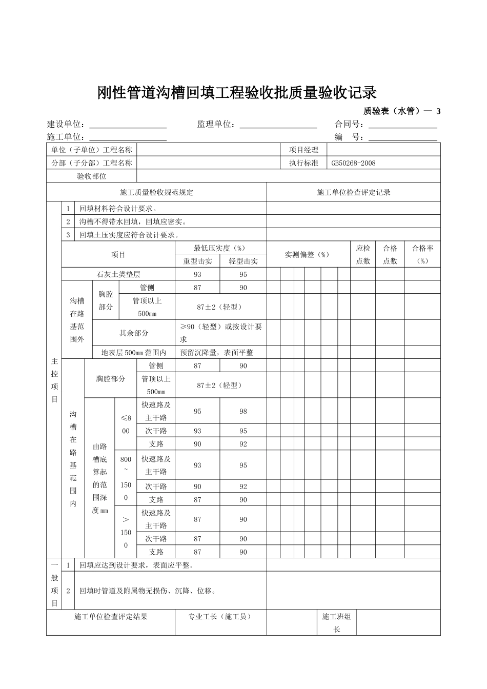
沟槽开挖与地基处理工程验收批质量验收记录质验表(水管)—1建设单位:监理单位:合同号:施工单位:编号:单位(子单位)工程名称项目经理分部(子分部)工程名称执行标准GB50268-2008验收部位施工质量验收规范规定施工单位检查评定记录主控项目1原状地基土不得扰动、受水浸泡或受冻。2地基承载力应满足设计要求。3地基处理时,压实度、厚度应满足设计要求。一般项目沟槽开挖的允许偏差项目允许偏差(mm)实测偏差(mm)应检点数合格点数合格率(%)槽底高程土方±20石方+20,-200槽底中线每侧宽度不小于规定沟槽边坡不陡于规定施工单位检查评定结果专业工长(施工员)施工班组长质量检查员:年月日监理单位验收结论专业监理工程师:年月日南通市建设工程质量监督站监制撑板、钢板桩支撑工程验收批质量验收记录质验表(水管)—2建设单位:监理单位:合同号:施工单位:编号:单位(子单位)工程名称项目经理分部(子分部)工程名称执行标准GB50268-2008、GB50202-2002验收部位施工质量验收规范规定施工单位检查评定记录主控项目1支撑方式、支撑材料应符合设计要求。2支撑结构强度、刚度、稳定性应符合设计要求。一般项目1横撑不得妨碍下管和稳管。2支撑构件安装应牢固、安全可靠,位置正确。3支撑后,沟槽中心线每侧的净宽不应小于施工方案设计要求4钢板桩的轴线位移不得大于50mm,垂直度不得大于1.5%。施工单位检查评定结果专业工长(施工员)施工班组长质量检查员:年月日监理单位验收结论专业监理工程师:年月日南通市建设工程质量监督站监制刚性管道沟槽回填工程验收批质量验收记录质验表(水管)—3建设单位:监理单位:合同号:施工单位:编号:单位(子单位)工程名称项目经理分部(子分部)工程名称执行标准GB50268-2008验收部位施工质量验收规范规定施工单位检查评定记录主控项目1回填材料符合设计要求。2沟槽不得带水回填,回填应密实。3回填土压实度应符合设计要求。项目最低压实度(%)实测偏差(%)应检点数合格点数合格率(%)重型击实轻型击实石灰土类垫层9395沟槽在路基范围外胸腔部分管侧8790管顶以上500mm87±2(轻型)其余部分≥90(轻型)或按设计要求地表层500mm范围内预留沉降量,表面平整沟槽在路基范围内胸腔部分管侧8790管顶以上500mm87±2(轻型)由路槽底算起的范围深度mm≤800快速路及主干路9598次干路9395支路9092800~1500快速路及主干路9395次干路9092支路8790>1500快速路及主干路8790次干路8790支路8790一般项目1回填应达到设计要求,表面应平整。2回填时管道及附属物无损伤、沉降、位移。施工单位检查评定结果专业工长(施工员)施工班组长质量检查员:年月日监理单位验收结论专业监理工程师:年月日南通市建设工程质量监督站监制柔性管道沟槽回填工程验收批质量验收记录质验表(水管)—4建设单位:监理单位:合同号:施工单位:编号:单位(子单位)工程名称项目经理分部(子分部)工程名称执行标准GB50268-2008验收部位施工质量验收规范规定施工单位检查评定记录主控项目1回填材料符合设计要求。2沟槽不得带水回填,分层回填密实。3柔性管道的变形率不得超出设计要求或回填至设计高程时,应在12~24h内测量并记录管道变形率,管道变形率应符合设计要求;设计无要求时,变形率应不超过3%;变形率超过5%须返工。4回填土压实度应符合设计要求。柔性管道沟槽回填土压实度槽内部位压实度(%)实测偏差(%)应检点数合格点数合格率(%)管道基础管底基础≥90管道有效支撑角范围≥95管道两侧≥95管顶以上500mm管道两侧≥90管道上部85±2管顶500~1000mm≥90一般项目1回填符合设计高程,表面平整。2回填时管道及附属物无损伤、沉降、位移。施工单位检查评定结果专业工长(施工员)施工班组长质量检查员:年月日监理单位验收结论专业监理工程师:年月日南通市建设工程质量监督站监制管道基础工程验收批质量验收记录质验表(水管)—5建设单位:监理单位:合同号:施工单位:编号:单位(子单位)工程名称项目经理分部(子分部)工程名称执行标准GB50268-2008验收部位施工质量验收规范规定施工单位检查评定记录主控项目1原状地基的承载力符合设计要求。2混...

1、当您付费下载文档后,您只拥有了使用权限,并不意味着购买了版权,文档只能用于自身使用,不得用于其他商业用途(如 [转卖]进行直接盈利或[编辑后售卖]进行间接盈利)。
2、本站所有内容均由合作方或网友上传,本站不对文档的完整性、权威性及其观点立场正确性做任何保证或承诺!文档内容仅供研究参考,付费前请自行鉴别。
3、如文档内容存在违规,或者侵犯商业秘密、侵犯著作权等,请点击“违规举报”。

碎片内容

新版市政工程施工与质量验收规范表格(管道工程)

文泉书屋+ 关注
实名认证
内容提供者

热爱教学事业,对互联网知识分享很感兴趣

确认删除?
VIP
微信客服
  • 扫码咨询
会员Q群
  • 会员专属群点击这里加入QQ群
客服邮箱
回到顶部