电脑桌面
添加小米粒文库到电脑桌面
安装后可以在桌面快捷访问

247广州地区建筑遮阳与夜间通风系统模拟分析与经济性评价VIP免费

247广州地区建筑遮阳与夜间通风系统模拟分析与经济性评价_第1页
1/9
247广州地区建筑遮阳与夜间通风系统模拟分析与经济性评价_第2页
2/9
247广州地区建筑遮阳与夜间通风系统模拟分析与经济性评价_第3页
3/9
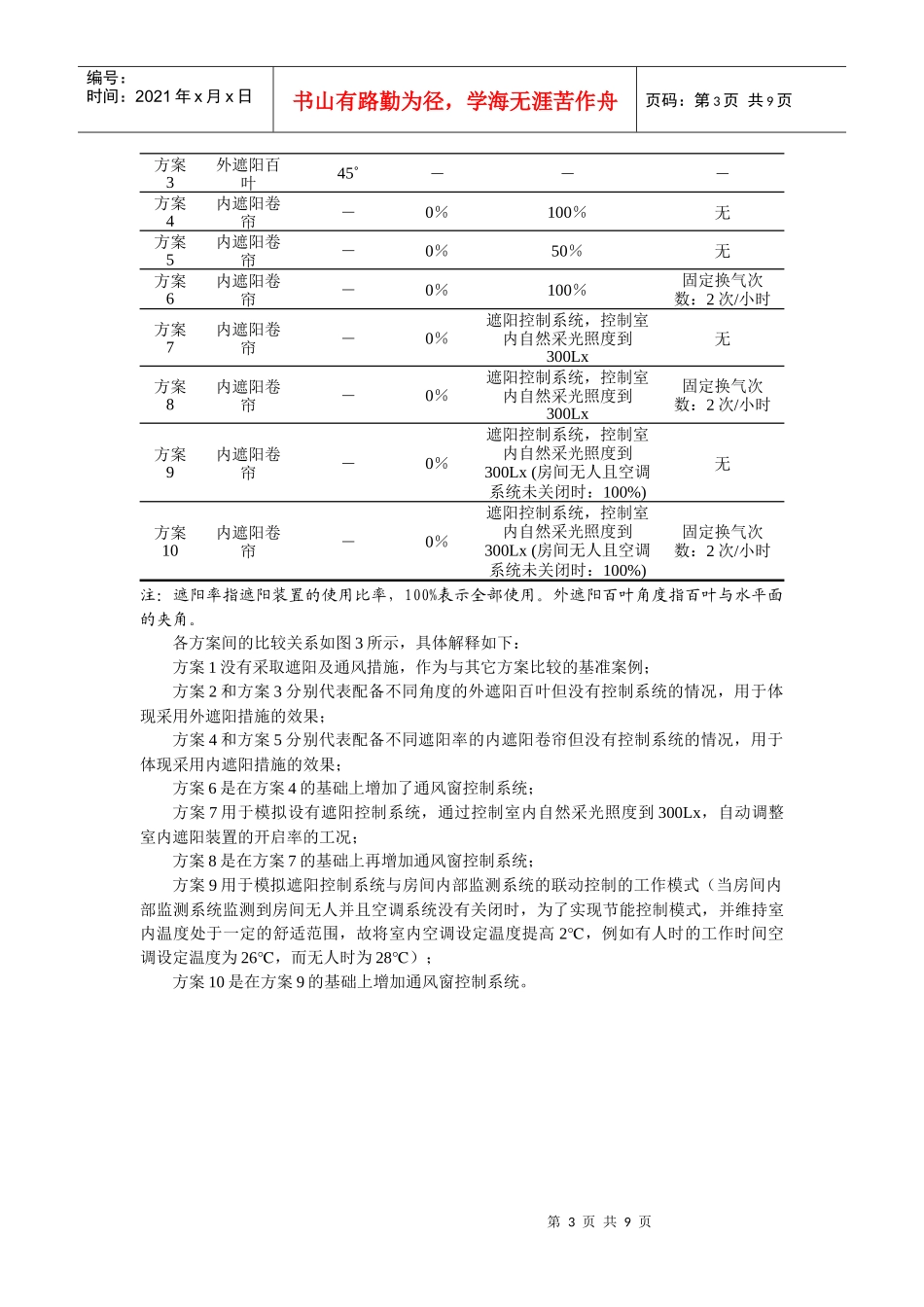
第1页共9页编号:时间:2021年x月x日书山有路勤为径,学海无涯苦作舟页码:第1页共9页广州地区建筑遮阳与夜间通风系统模拟分析与经济性评价清华大学建筑技术科学系王旭辉高岩吴彦廷秦蓉吴如宏燕达摘要针对一栋位于广州的典型商业建筑模型,用能耗模拟软件DeST对其遮阳系统与夜间通风系统的不同配备情况与运行模式进行模拟分析,从节能性及经济性方面分析比较10种方案。结果表明:遮阳和夜间通风能有效减小建筑负荷,减少空调系统初投资和运行费;在10种方案中,综合应用带控制的内遮阳和夜间通风的方案具有最佳经济性。关键词遮阳夜间通风经济性1引言随着我国经济的飞速发展和人们对建筑环境要求的不断提高,用于实现建筑室内环境调控的空调能耗不断提高,降低空调能耗、实现健康可持续的发展,成为了建筑物与空调系统设计中亟待解决的重要问题。与窗户结合的遮阳系统可以有效的减少进入室内的太阳辐射得热量,降低空调能耗;而夜间通风能够有效利用夜间室外冷量,通过建筑物蓄冷降低白天空调负荷峰值。如能针对以上两者采用适当的控制方案,它们都是非常有效的节能措施,将能在降低空调能耗方面发挥巨大功效。为考察遮阳系统与夜间通风的不同运行模式对建筑能耗的影响,本文将利用计算机模拟分析工具,针对采用了法国尚飞(SOMFY)公司的遮阳控制系统和夜间通风窗控制系统的广州地区典型商用建筑,从节能性及经济性方面分析比较不同的遮阳与夜间通风方案,以提出节能而经济的运行方案。2模拟方案利用模拟软件对建筑进行动态模拟,能够准确地再现建筑物复杂的热过程,对辅助建筑设计具有重要的意义。本文应用的模拟软件为清华大学建筑技术科学系开发的DeST软件[1],该软件支持各种建筑物与环境控制系统的动态模拟分析,其计算准确性已得到全面验证[2]。为更好地考察建筑遮阳与夜间通风的不同方案的节能效果和经济性,本文选择广州作为建筑所在地,采用广州典型气象年逐时数据[3]对一典型商用建筑模型进行模拟。针对不同遮阳方式、夜间通风方式,本文设计了10种典型组合方案进行模拟分析。2.1建筑模型本文采用的建筑模型是一栋位于广州的典型商业建筑,其立体图和平面图如图1、2所示,该建筑长40m,宽35m,南北朝向,共有8层,总建筑面积11200m2。整个建筑包括电梯间、走廊、卫生间等构成的建筑核心筒区域以及周边办公室区域,建筑中的每个房间都可以设置遮阳控制装置和夜间通风控制装置。第2页共9页第1页共9页编号:时间:2021年x月x日书山有路勤为径,学海无涯苦作舟页码:第2页共9页图1建筑模型三维立体图图2建筑模型平面图建筑的围护结构参数见表1和表2:表1建筑墙体、屋面和楼板参数围护结构名称围护结构材料传热系数W/(m2K)外墙24砖墙+聚苯板内保温0.564内墙陶粒混凝土+水泥砂浆1.515屋面加气混凝土保温屋面0.812楼板钢筋混凝土楼板3.055表2建筑外窗参数外窗结构6mm玻璃+9mm空气层+6mm玻璃中空双层玻璃窗传热系数W/(m2K)3.1遮阳系数SC0.67太阳得热系数SHGC0.583建筑室内设计参数如表3:表3建筑室内设计参数房间类型夏季冬季温度(℃)相对湿度(%)温度(℃)相对湿度(%)办公室24~26≤6020~22≥50空房间18~26≤6018~26≥35走廊20~28≤6520~28≥552.2遮阳与夜间通风方案本文所模拟的10种遮阳与夜间通风组合方案如表4所示:表4遮阳与夜间通风的10种组合方案方案遮阳装置外遮阳百叶角度内遮阳卷帘夜间通风冬季遮阳率夏季遮阳率方案1无----方案2外遮阳百叶90˚---第3页共9页第2页共9页编号:时间:2021年x月x日书山有路勤为径,学海无涯苦作舟页码:第3页共9页方案3外遮阳百叶45˚---方案4内遮阳卷帘-0%100%无方案5内遮阳卷帘-0%50%无方案6内遮阳卷帘-0%100%固定换气次数:2次/小时方案7内遮阳卷帘-0%遮阳控制系统,控制室内自然采光照度到300Lx无方案8内遮阳卷帘-0%遮阳控制系统,控制室内自然采光照度到300Lx固定换气次数:2次/小时方案9内遮阳卷帘-0%遮阳控制系统,控制室内自然采光照度到300Lx(房间无人且空调系统未关闭时:100%)无方案10内遮阳卷帘-0%遮阳控制系统,控制室内自然采光照度到300Lx(房间无人且空调系统未关闭时:100%)固定...

1、当您付费下载文档后,您只拥有了使用权限,并不意味着购买了版权,文档只能用于自身使用,不得用于其他商业用途(如 [转卖]进行直接盈利或[编辑后售卖]进行间接盈利)。
2、本站所有内容均由合作方或网友上传,本站不对文档的完整性、权威性及其观点立场正确性做任何保证或承诺!文档内容仅供研究参考,付费前请自行鉴别。
3、如文档内容存在违规,或者侵犯商业秘密、侵犯著作权等,请点击“违规举报”。

碎片内容

247广州地区建筑遮阳与夜间通风系统模拟分析与经济性评价

您可能关注的文档

精华资料店+ 关注
实名认证
内容提供者

大量教育教学资料

确认删除?
VIP
微信客服
  • 扫码咨询
会员Q群
  • 会员专属群点击这里加入QQ群
客服邮箱
回到顶部