电脑桌面
添加小米粒文库到电脑桌面
安装后可以在桌面快捷访问

西安京龙工程机械有限公司SC型施工升降机安装、拆卸方案VIP免费

西安京龙工程机械有限公司SC型施工升降机安装、拆卸方案_第1页
1/19
西安京龙工程机械有限公司SC型施工升降机安装、拆卸方案_第2页
2/19
西安京龙工程机械有限公司SC型施工升降机安装、拆卸方案_第3页
3/19
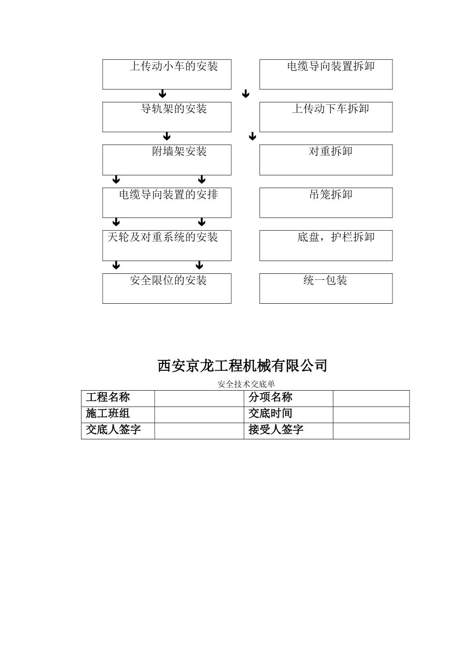
SC型施工升降机安装、拆卸方案工程名称:__________________________工程地点:__________________________安装单位:西安京龙工程机械有限公司施工单位:_______________(项目经理签字盖章)施工监理:________________(监理负责人签字盖章)编制单位:西安京龙工程机械有限公司技术负责人:编制人:编制日期:2010年月日本工地使用施工升降机技术性能参数表型号:SC200/200TD运行速度:_________36__________m/min额定载重量:________2000_______kg安装高度:_____________________m总自重:_____________________kg基础承载:_____________________MPa附墙间距:最大10.50m,最小3m工地电箱配置160A冲击波无动作型漏电保护开关安装顺序图拆卸顺序图(※带对重升降机专用)(※带对重升降机专用)备件,熟悉安装安全要求备件,熟悉拆卸安全要求升降机基础制作上限位拆卸底盘、护栏的安装天轮及对重系统的拆卸吊笼的安装导轨架拆卸对重的安装附墙架拆卸上传动小车的安装电缆导向装置拆卸导轨架的安装上传动下车拆卸附墙架安装对重拆卸电缆导向装置的安排吊笼拆卸天轮及对重系统的安装底盘,护栏拆卸安全限位的安装统一包装西安京龙工程机械有限公司安全技术交底单工程名称分项名称施工班组交底时间交底人签字接受人签字交底内容和工作要求综合交底内容:1、遵守本岗位安全技术操作规程,遵守项目部各项安全规章制度及劳动纪律。2、未经本工种专业技术培训,不得上岗。每日班前,作好各项预检工作,确保岗位施工安全。3、进入施工现场必须带好安全帽,高空作业必须系好安全带,正确使用防护用品。4、严禁酒后登高作业,严禁高空抛物,严禁穿高跟鞋、拖鞋或赤脚进入施工现场。5、爱护工地公共设施,保证设施的安全性。不得随意拆除、挪动或破坏各种防护装置、防护设施、安全标志、消防器材及机械电器设备。6、严禁违章指挥、违章作业、违反劳动纪律,发生安全事故应立即向项目部汇报解决。安全交底内容:1、安装人员应严格遵守施工现场安全生产的六大纪律,正确使用个人劳动保护用品。2、作业时,必须带好安全帽,超过2米作业,必须系好安全带,并由专业安全员监控。3、参加安装作业人员,必须持有大型机械安装操作上岗证,方可上岗。4、吊笼区域内严禁无关人员进入,设置操作安全隔离带有专人监控。5、严禁拆卸、改动施工现场的任何安全设施,如需改动需经项目部同意,方可施工。6、安装人员中应配有专职电工、机修工合专职安全员、专职指挥,并持证上岗。7、安装人员应严格按照升降机的安装方案和操作规程中的有关规定,程序进行安装。8、安装前应检查机械结构的外观情况,各传动机构应能正常工作。9、各齿轮箱、液压油箱的油位应符合标准。10、主要部位连接螺栓应无松动,接电电缆应无破损。11、钢丝绳磨损情况及穿绕滑轮应符合规定。12、第一次安装高度20米。SC型施工升降机安装、拆卸方案安装,拆卸前,请仔细阅读《使用说明书》及《零件图册》。为确保安装拆卸安全,顺利,应特别注意以下事项。一、熟记安装、拆卸安全要求1、安装、拆卸场地应清理干净,并有标志杆围起来,禁止非工作人员入内。2、防止安装地点上方掉落物体,必须施加安全网。3、安装拆卸过程中必须有专人负责统一指挥。4、升降机运作时,人员的头、手绝不能露出安全栏5、如果有人在导轨上或附墙架上工作时,绝对不允许开动升降机,当吊笼运行时严禁进入外笼内。6、吊笼上的零部件必须放置平稳。7、利用吊杆进行安装拆卸时,不允许超载,吊杆只用来安装和拆卸升降机零部件,不得用于其他途径。8、吊杆上有悬挂物时,不得开动吊笼。9、安装拆卸作业人员应按空中作业的安全要求,包括必须戴安全帽、系安全带、穿防滑鞋等,不要穿过于宽松的衣物,应穿工作服,以免被卷入运行部件中,发生安全事故。10、安装拆卸过程中,必须笼顶操作,不允许笼内操作。11、吊笼启动前应先进行全面检查,确保升降机运行通道无障碍,消除所有不安全隐患。12、安装拆卸时,绝对不允许超过额定安装载重量。13、雷雨天、雪天或风速超过13m/s的恶劣天气下不能进行安装作业。14、升降机运行时,...

1、当您付费下载文档后,您只拥有了使用权限,并不意味着购买了版权,文档只能用于自身使用,不得用于其他商业用途(如 [转卖]进行直接盈利或[编辑后售卖]进行间接盈利)。
2、本站所有内容均由合作方或网友上传,本站不对文档的完整性、权威性及其观点立场正确性做任何保证或承诺!文档内容仅供研究参考,付费前请自行鉴别。
3、如文档内容存在违规,或者侵犯商业秘密、侵犯著作权等,请点击“违规举报”。

碎片内容

西安京龙工程机械有限公司SC型施工升降机安装、拆卸方案

您可能关注的文档

确认删除?
VIP
微信客服
  • 扫码咨询
会员Q群
  • 会员专属群点击这里加入QQ群
客服邮箱
回到顶部