电脑桌面
添加小米粒文库到电脑桌面
安装后可以在桌面快捷访问

特种设备重点监控单位安全管理自查表-龙岩市质量技术监督局VIP免费

特种设备重点监控单位安全管理自查表-龙岩市质量技术监督局_第1页
1/2
特种设备重点监控单位安全管理自查表-龙岩市质量技术监督局_第2页
2/2
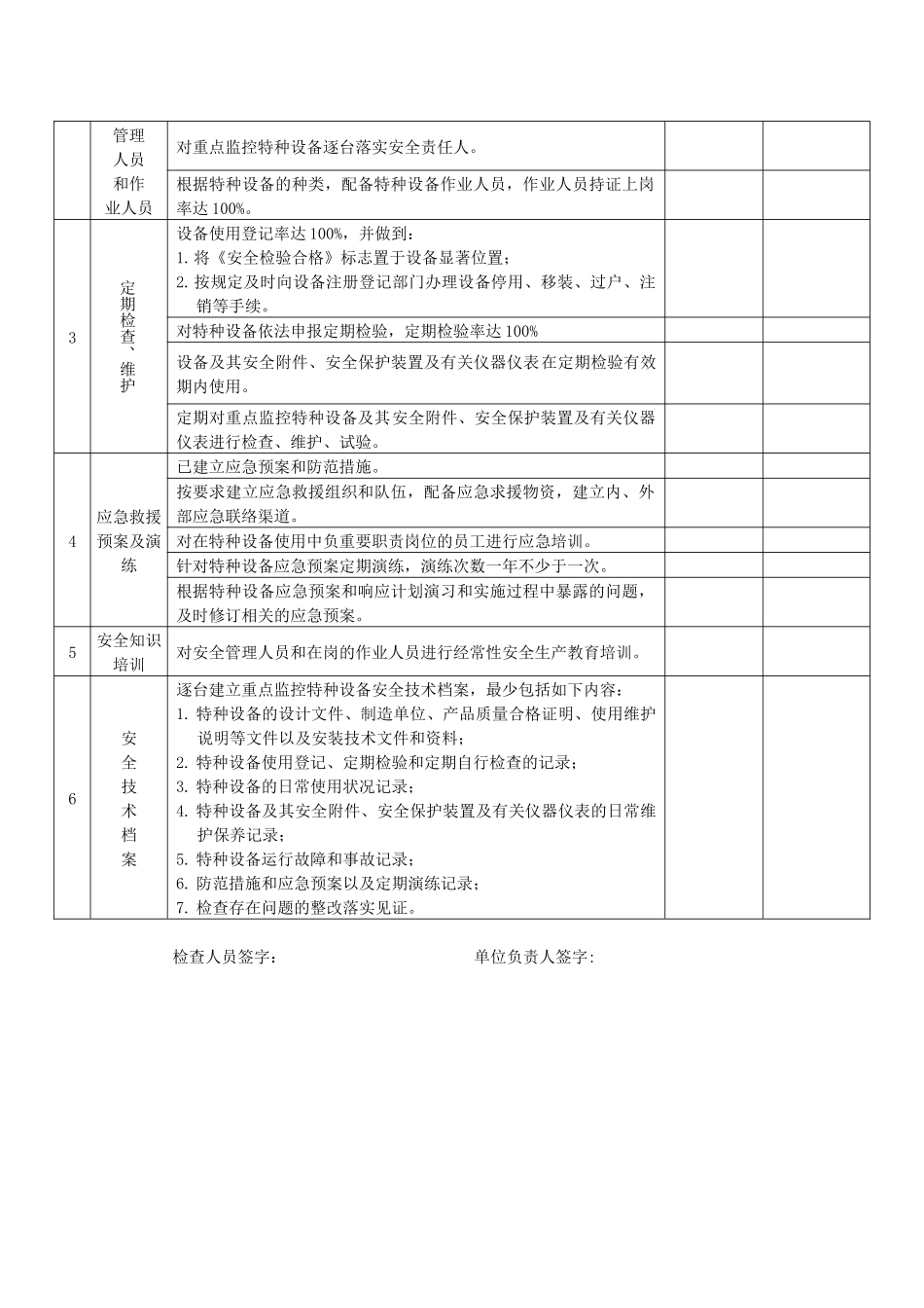
福建省特种设备重点监控单位安全管理自查表检查日期:年月日重点监控单位情况单位名称机构代码单位地址监控级别法定代表人设备负责人联系电话传真重点监控设备基本情况设备名称设备数量设备参数使用地点设备注册号下次检验日期检查情况记录序号检查项目检查要求检查记录及存在问题整改期限和责任人1各项安全管理制度及落实情况根据单位实际制定以下各级人员的安全责任制,并有效落实:1.安全生产负责人岗位职责;2.特种设备安全管理机构专职/兼职管理人员岗位职责;3.特种设备作业人员岗位职责;4.特种设备安全技术档案管理人员岗位职责。根据单位实际制定以下各职能部门的安全责任制,并有效落实:1.特种设备安全管理部门职责;2.岗位培训教育部门安全职责;3.档案管理部门安全管理职责;4.其他有关部门安全职责。根据单位实际制定以下特种设备规章制度,并有效落实:1.安全生产责任制度;2.安全教育、培训制度;3.特种设备维护保养管理制度;4.特种设备安全生产会议制度;5.特种设备相关文件和记录的管理制度;6.特种设备应急救援制度;7.特种设备事故处理制度;8.特种设备定期检验申报制度;9.重点监控特种设备定期自查及隐患整改制度。2管理机构、根据《特种设备安全监察条例》设置特种设备安全管理机构,配备专职、兼职的安全管理人员,安全管理人员须持证上岗。管理人员和作业人员对重点监控特种设备逐台落实安全责任人。根据特种设备的种类,配备特种设备作业人员,作业人员持证上岗率达100%。3定期检查、维护设备使用登记率达100%,并做到:1.将《安全检验合格》标志置于设备显著位置;2.按规定及时向设备注册登记部门办理设备停用、移装、过户、注销等手续。对特种设备依法申报定期检验,定期检验率达100%设备及其安全附件、安全保护装置及有关仪器仪表在定期检验有效期内使用。定期对重点监控特种设备及其安全附件、安全保护装置及有关仪器仪表进行检查、维护、试验。4应急救援预案及演练已建立应急预案和防范措施。按要求建立应急救援组织和队伍,配备应急求援物资,建立内、外部应急联络渠道。对在特种设备使用中负重要职责岗位的员工进行应急培训。针对特种设备应急预案定期演练,演练次数一年不少于一次。根据特种设备应急预案和响应计划演习和实施过程中暴露的问题,及时修订相关的应急预案。5安全知识培训对安全管理人员和在岗的作业人员进行经常性安全生产教育培训。6安全技术档案逐台建立重点监控特种设备安全技术档案,最少包括如下内容:1.特种设备的设计文件、制造单位、产品质量合格证明、使用维护说明等文件以及安装技术文件和资料;2.特种设备使用登记、定期检验和定期自行检查的记录;3.特种设备的日常使用状况记录;4.特种设备及其安全附件、安全保护装置及有关仪器仪表的日常维护保养记录;5.特种设备运行故障和事故记录;6.防范措施和应急预案以及定期演练记录;7.检查存在问题的整改落实见证。检查人员签字:单位负责人签字:

1、当您付费下载文档后,您只拥有了使用权限,并不意味着购买了版权,文档只能用于自身使用,不得用于其他商业用途(如 [转卖]进行直接盈利或[编辑后售卖]进行间接盈利)。
2、本站所有内容均由合作方或网友上传,本站不对文档的完整性、权威性及其观点立场正确性做任何保证或承诺!文档内容仅供研究参考,付费前请自行鉴别。
3、如文档内容存在违规,或者侵犯商业秘密、侵犯著作权等,请点击“违规举报”。

碎片内容

特种设备重点监控单位安全管理自查表-龙岩市质量技术监督局

您可能关注的文档

确认删除?
VIP
微信客服
  • 扫码咨询
会员Q群
  • 会员专属群点击这里加入QQ群
客服邮箱
回到顶部