电脑桌面
添加小米粒文库到电脑桌面
安装后可以在桌面快捷访问

全国造价员工程预算入门学习小案例VIP专享VIP免费

全国造价员工程预算入门学习小案例_第1页
1/54
全国造价员工程预算入门学习小案例_第2页
2/54
全国造价员工程预算入门学习小案例_第3页
3/54
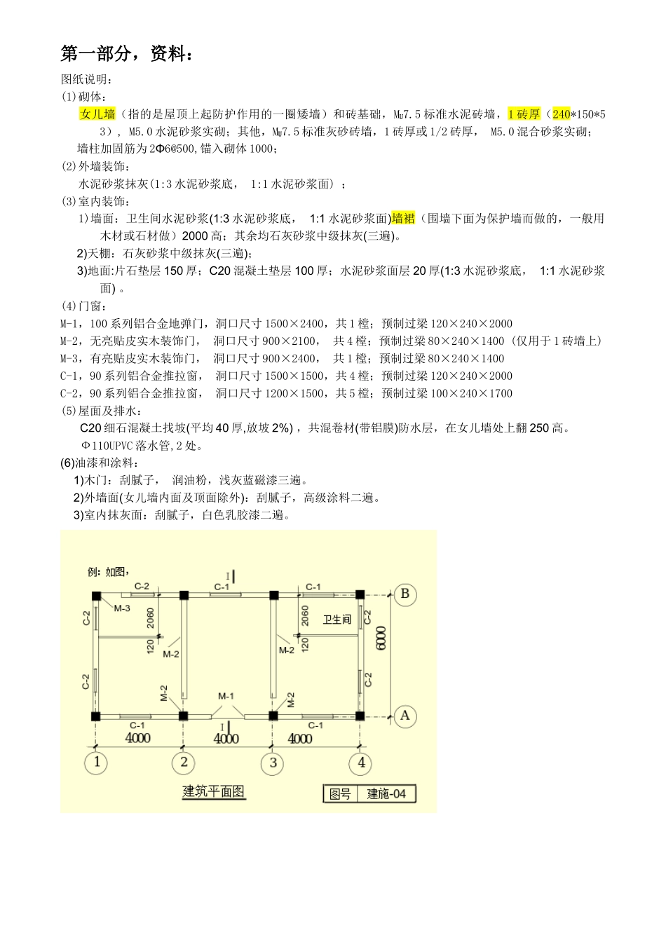
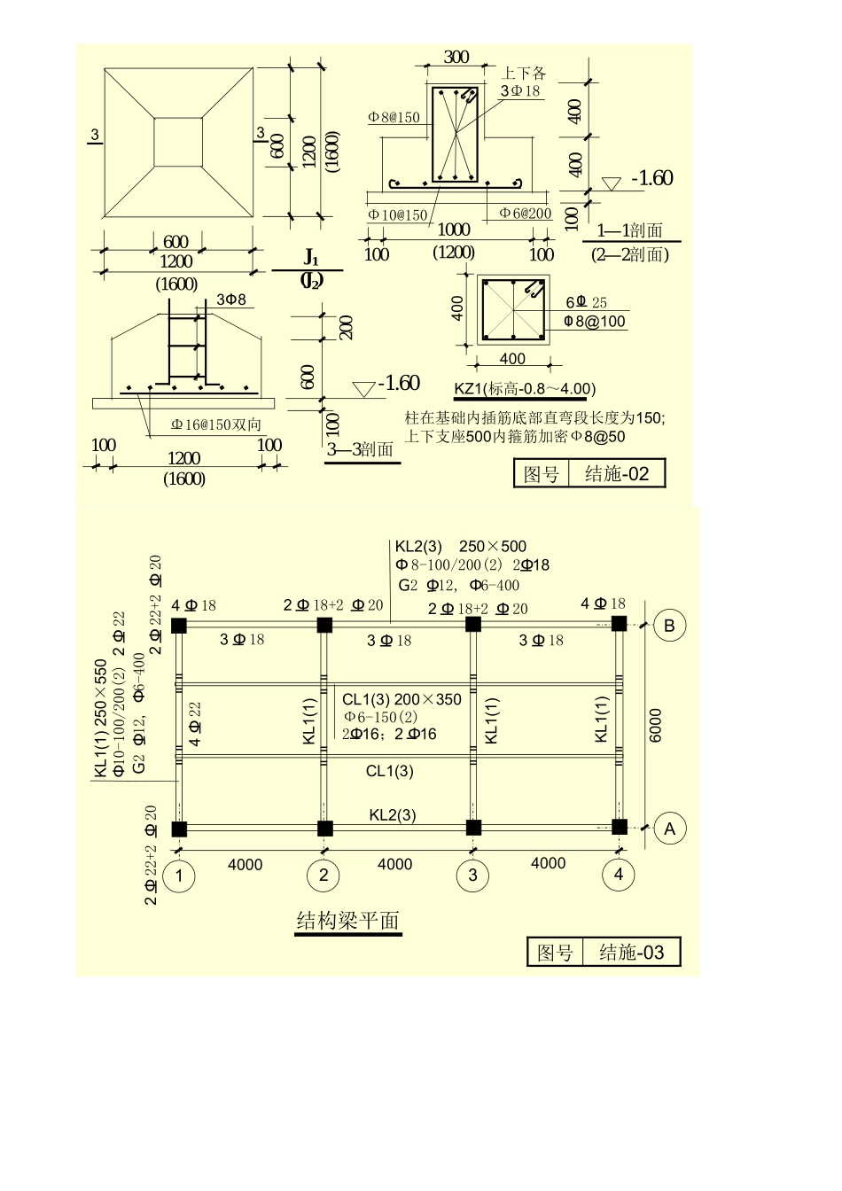
第一部分,资料:图纸说明:(1)砌体:女儿墙(指的是屋顶上起防护作用的一圈矮墙)和砖基础,MU7.5标准水泥砖墙,1砖厚(240*150*53),M5.0水泥砂浆实砌;其他,MU7.5标准灰砂砖墙,1砖厚或1/2砖厚,M5.0混合砂浆实砌;墙柱加固筋为2Φ6@500,锚入砌体1000;(2)外墙装饰:水泥砂浆抹灰(1:3水泥砂浆底,1:1水泥砂浆面);(3)室内装饰:1)墙面:卫生间水泥砂浆(1:3水泥砂浆底,1:1水泥砂浆面)墙裙(围墙下面为保护墙而做的,一般用木材或石材做)2000高;其余均石灰砂浆中级抹灰(三遍)。2)天棚:石灰砂浆中级抹灰(三遍);3)地面:片石垫层150厚;C20混凝土垫层100厚;水泥砂浆面层20厚(1:3水泥砂浆底,1:1水泥砂浆面)。(4)门窗:M-1,100系列铝合金地弹门,洞口尺寸1500×2400,共1樘;预制过梁120×240×2000M-2,无亮贴皮实木装饰门,洞口尺寸900×2100,共4樘;预制过梁80×240×1400(仅用于1砖墙上)M-3,有亮贴皮实木装饰门,洞口尺寸900×2400,共1樘;预制过梁80×240×1400C-1,90系列铝合金推拉窗,洞口尺寸1500×1500,共4樘;预制过梁120×240×2000C-2,90系列铝合金推拉窗,洞口尺寸1200×1500,共5樘;预制过梁100×240×1700(5)屋面及排水:C20细石混凝土找坡(平均40厚,放坡2%),共混卷材(带铝膜)防水层,在女儿墙处上翻250高。Ф110UPVC落水管,2处。(6)油漆和涂料:1)木门:刮腻子,润油粉,浅灰蓝磁漆三遍。2)外墙面(女儿墙内面及顶面除外):刮腻子,高级涂料二遍。3)室内抹灰面:刮腻子,白色乳胶漆二遍。例:如下图,基础混凝土C20,垫层混凝土C10,1砖厚标准砖墙,±0.00以下用M5.0水泥砂浆实砌,砖基础顶做防水砂浆基础防潮层20厚,基础墙身抹防水砂浆一遍,防水砂浆配合比1:2加5%防水剂,三类土,交付施工标高-0.50。试计算土方、基础、防潮层工程量,并编制分部分项工程量清单。111111112222J1J1J2J2J2J2J1J1AB60001234600600600600800800800800400040004000柱截面400×400(余同)结-01结施-02图号1—1剖面(2—2剖面)1000(1200)100100300-1.60100400400Φ8@150上下各3Φ18Φ10@150Φ6@2001200(1600)6001200(1600)600J1(J2)200100600-1.603—3剖面1200(1600)100100Φ16@150双向333Φ8KZ1(标高-0.8~4.00)Ф8@100400400625Ф柱在基础内插筋底部直弯段长度为150;上下支座500内箍筋加密Ф8@50结施-03图号结构梁平面4Ф182Ф18+2Ф20KL2(3)250×500Ф8-100/200(2)2Ф18G2Ф12,Ф6-4002Ф18+2Ф204Ф181234400040004000BA6000KL1(1)250×550Ф10-100/200(2)G2Ф12,Ф6-4002Ф222Ф22+2Ф202Ф22+2Ф204Ф223Ф183Ф183Ф18KL2(3)KL1(1)KL1(1)KL1(1)CL1(3)CL1(3)200×350Ф6-150(2)2Ф16;2Ф16要求:编制一份工程量清单第二部分,计算工程量一、计算基础和土方工程量(见第七讲PPT)注:1、未注明的分布筋Ф6@200;2、板厚h=100结构板平面1234400040004000BA60001500Ф10@100①①15001500Ф10@100②②Ф12@150Ф12@150Ф10@1503.50h=100结施-04图号解:第一步,统计:独立基础(按个统计):J1,共4个;J2,共4个;带型基础(按m计):1-1基础底净长线长(12+6)×2-1.2×4(个)-1.6×4(个)=24.8m1-1垫层底净长线长24.8-0.2×8(段)=23.2m2-2基础底净长线长(6-1.6)×2(段)=8.8m2-2垫层底净长线长8.8-0.2×2(段)=8.4m第二步,计算土方工程量(回填土以后计算):1、平整场地(码:010101001001),三类土S=12.24×6.24=76.38(m2)2、挖独立基础土方J1(码:010101003001),底1.4×1.4,挖土深=1.7-0.5=1.2m,三类土V=(1.4×1.4×1.2)×4=9.41(m3)3、挖独立基础土方J2(码:010101003002),底1.8×1.8,挖土深=1.2m,三类土V=(1.8×1.8×1.2)×4=15.55(m3)4、挖带型基础土方1-1(码:010101003003),宽1.2m,挖土深=1.2m,长23.2m,三类土V=1.2×1.2×23.2=33.41(m3)5、挖带型基础土方2—2(码:010101003004),宽1.4m,挖土深=1.2m,长8.4m,三类土V=1.4×1.2×8.4=14.11(m3)第三步,计算混凝土基础工程量:1、C20独立基础,(码:010401002001),C10垫层100厚①J1,共4个:V1={A×B×H+[A×B+a×b+(A+a)×(B+b)]×h/6}×4(个)={1.2×1.2×0.6+[1.2×1.2+0.6×0.6+(1.2+0.6)...

1、当您付费下载文档后,您只拥有了使用权限,并不意味着购买了版权,文档只能用于自身使用,不得用于其他商业用途(如 [转卖]进行直接盈利或[编辑后售卖]进行间接盈利)。
2、本站所有内容均由合作方或网友上传,本站不对文档的完整性、权威性及其观点立场正确性做任何保证或承诺!文档内容仅供研究参考,付费前请自行鉴别。
3、如文档内容存在违规,或者侵犯商业秘密、侵犯著作权等,请点击“违规举报”。

碎片内容

全国造价员工程预算入门学习小案例

确认删除?
VIP
微信客服
  • 扫码咨询
会员Q群
  • 会员专属群点击这里加入QQ群
客服邮箱
回到顶部