电脑桌面
添加小米粒文库到电脑桌面
安装后可以在桌面快捷访问

ISO-TS16949质量手册VIP免费

ISO-TS16949质量手册_第1页
1/59
ISO-TS16949质量手册_第2页
2/59
ISO-TS16949质量手册_第3页
3/59
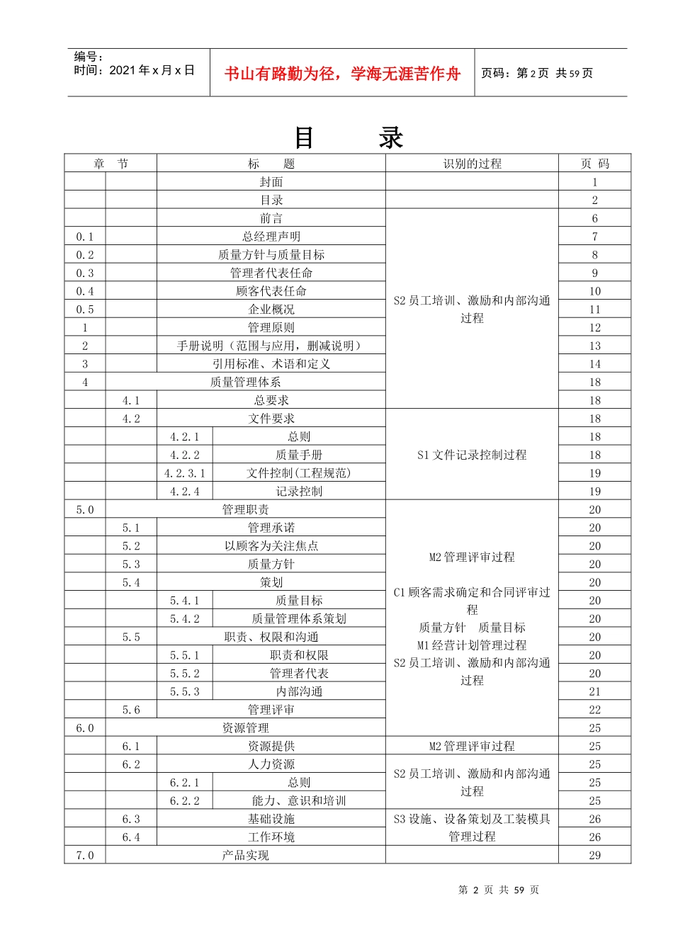
浙江兆隆金属制品有限公司发放编号:状态标识:质量手册文件编号:ZL/A001-2011版本/版次:A/1编制/日期:审核/日期:批准/日期:发布日期:2011年04月10日实施日期:2011年04月20日浙江兆隆金属制品有限公司颁布第2页共59页编号:时间:2021年x月x日书山有路勤为径,学海无涯苦作舟页码:第2页共59页目录章节标题识别的过程页码封面1目录2前言S2员工培训、激励和内部沟通过程60.1总经理声明70.2质量方针与质量目标80.3管理者代表任命90.4顾客代表任命100.5企业概况111管理原则122手册说明(范围与应用,删减说明)133引用标准、术语和定义144质量管理体系184.1总要求184.2文件要求S1文件记录控制过程184.2.1总则184.2.2质量手册184.2.3.1文件控制(工程规范)194.2.4记录控制195.0管理职责M2管理评审过程C1顾客需求确定和合同评审过程质量方针质量目标M1经营计划管理过程S2员工培训、激励和内部沟通过程205.1管理承诺205.2以顾客为关注焦点205.3质量方针205.4策划205.4.1质量目标205.4.2质量管理体系策划205.5职责、权限和沟通205.5.1职责和权限205.5.2管理者代表205.5.3内部沟通215.6管理评审226.0资源管理256.1资源提供M2管理评审过程256.2人力资源S2员工培训、激励和内部沟通过程256.2.1总则256.2.2能力、意识和培训256.3基础设施S3设施、设备策划及工装模具管理过程266.4工作环境267.0产品实现29第3页共59页第2页共59页编号:时间:2021年x月x日书山有路勤为径,学海无涯苦作舟页码:第3页共59页7.1实现过程的策划C2过程设计开发及工程更改过程297.1.1实现过程的策划的—补充297.1.2接收准则297.1.3保密297.1.4更改控制297.2与顾客有关的过程C1顾客要求确定和合同评审过程29297.2.1与顾客有关要求的确定297.2.1.1顾客指定的特殊特性C2过程设计开发及工程更改过程297.2.2与产品有关要求的评审C1顾客需求确定和合同评审过程297.2.2.1与产品有关要求的评审—补充297.2.2.2组织制造的可行性C2过程设计开发及工程更改过程297.2.3顾客沟通M1经营计划管理过程297.2.3.1顾客沟通—补充297.3设计和开发C2过程设计开发及工程更改过程307.3.1设计和开发策划7.3.1.1多方论证7.3.2设计和开发输入7.3.2.1产品设计输入(删减)7.3.2.2制造过程设计输入7.3.2.3特殊特性7.3.3设计和开发输出7.3.3.1产品设计输出—补充(删减)7.3.3.2制造过程设计输出7.3.4设计和开发评审7.3.4.1监视7.3.5设计和开发验证7.3.6设计和开发确认7.3.6.1设计和开发确认—补充7.3.6.2样件计划7.3.6.3产品批准过程7.3.7设计和开发更改的控制7.4采购327.4.1采购控制S4供应商及采购管理过程327.4.1.1法规符合性7.4.1.2供方质量管理体系的开发7.4.1.3顾客批准的供货来源7.4.2采购信息7.4.3采购产品的验证S6产品/过程监视测量及不合32第4页共59页第3页共59页编号:时间:2021年x月x日书山有路勤为径,学海无涯苦作舟页码:第4页共59页格品控制过程7.4.3.1进货产品质量S4供应商及采购管理过程7.4.3.2对供方的监视7.5生产和服务提供337.5.1生产和服务提供的控制C3生产控制过程337.5.1.1控制计划337.5.1.2作业指导书337.5.1.3作业准备的验证7.5.1.4预防性和预见性维护C3生产控制过程S3设施、设备策划及工装模具管理过程33267.5.1.5生产工装的管理C3生产控制过程S3设施、设备策划及工装模具管理过程26267.5.1.6生产计划C3生产控制过程337.5.1.7服务信息反馈C5顾客信息反馈及满意度过程367.5.1.8与顾客的服务协议7.5.2生产和服务提供过程的确认C3生产控制过程C5顾客信息反馈及满意度过程337.5.2.1生产和服务提供过程的确认—补充337.5.3标识和可追溯性C3生产控制过程337.5.3.1标识和可追溯性—补充7.5.4.顾客财产C1顾客需求确定和合同评审过程337.5.4.1顾客所有的生产工装7.5.5产品防护C4产品防护和交付过程367.5.5.1贮存和库存7.6监视和测量设备的控制C3生产控制过程S5监视和测量设备控制过程实验室手册377.6.1测量系统分析7.6.2校准/验证记录7.6.3实验室要求7.6.3.1内部实验室7.6.3.2外部实验室8.0测量、分析和改进398.1总则398.1.1统计工具的确定M4数据分析改进、纠正和预防措施过程398.1.2基础统计概念知识398.2监视和测量368....

1、当您付费下载文档后,您只拥有了使用权限,并不意味着购买了版权,文档只能用于自身使用,不得用于其他商业用途(如 [转卖]进行直接盈利或[编辑后售卖]进行间接盈利)。
2、本站所有内容均由合作方或网友上传,本站不对文档的完整性、权威性及其观点立场正确性做任何保证或承诺!文档内容仅供研究参考,付费前请自行鉴别。
3、如文档内容存在违规,或者侵犯商业秘密、侵犯著作权等,请点击“违规举报”。

碎片内容

ISO-TS16949质量手册

您可能关注的文档

确认删除?
VIP
微信客服
  • 扫码咨询
会员Q群
  • 会员专属群点击这里加入QQ群
客服邮箱
回到顶部