电脑桌面
添加小米粒文库到电脑桌面
安装后可以在桌面快捷访问

公路工程交工验收质量检测明细表VIP免费

公路工程交工验收质量检测明细表_第1页
1/15
公路工程交工验收质量检测明细表_第2页
2/15
公路工程交工验收质量检测明细表_第3页
3/15
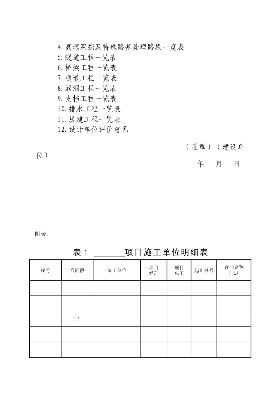
更多资料请访问.(.....)更多企业学院:...../Shop/《中小企业管理全能版》183套讲座+89700份资料...../Shop/40.shtml《总经理、高层管理》49套讲座+16388份资料...../Shop/38.shtml《中层管理学院》46套讲座+6020份资料...../Shop/39.shtml《国学智慧、易经》46套讲座...../Shop/41.shtml《人力资源学院》56套讲座+27123份资料...../Shop/44.shtml《各阶段员工培训学院》77套讲座+324份资料...../Shop/49.shtml《员工管理企业学院》67套讲座+8720份资料...../Shop/42.shtml《工厂生产管理学院》52套讲座+13920份资料...../Shop/43.shtml《财务管理学院》53套讲座+17945份资料...../Shop/45.shtml《销售经理学院》56套讲座+14350份资料...../Shop/46.shtml《销售人员培训学院》72套讲座+4879份资料...../Shop/47.shtml公路工程交工验收质量检测申请书质量监督站:工程合同段按合同约定的各项内容已全部完成。经施工单位自检合格,监理评定合格。按照交通部《公路工程竣(交)工验收办法》(交通部令2004年第3号)的要求,现向你站申请交工质量检测。附表:1.施工单位明细表2.监理单位明细表3.主要工程数量表4.高填深挖及特殊路基处理路段一览表5.隧道工程一览表6.桥梁工程一览表7.通道工程一览表8.涵洞工程一览表9.支档工程一览表10.排水工程一览表11.房建工程一览表12.设计单位评价意见(盖章)(建设单位)年月日表1项目施工单位明细表序号合同段施工单位项目经理项目总工起止桩号合同金额(元)……附表:……………………复核:填表:年月日(公章)表2监理单位明细表序号监理机构及负责人监理单位监理起止桩号所辖合同段合同段监理负责人复核:填表:年月日(公章)表3主要工程数量表名称工程数量造价第1合同段第2合同段第3合同段…合计路基土石方(万m3/km)桥梁工程特大桥(m/座)大桥(m/座)中桥(m/座)小桥(m/座)隧道工程(m/座)涵洞工程(道)防护工程(万m3)排水工程(万m3)路面工程(千m2/km)交通安全设施防撞护栏(km)波型护栏(km)隔离栅(km)标线(km)标志(块)里程碑(块)通讯管道(km)房建工程收费站(m2/幢)服务区(m2/幢)其它(m2/幢)复核:填表:年月日(公章)表4高填深挖及特殊路基处理路段一览表起讫桩号合同段路段地质情况描述处理方法填(挖)深度或长度复核:填表:年月日(公章)表5隧道工程一览表合同段名称中心桩号长度(m)净宽(m)主要围岩类别备注复核:填表:年月日(公章)表6桥梁工程一览表类型合同段桥名中心桩号孔数╳孔径(孔╳m)全长(m)净宽(m)净空(m)结构类型地质情况上部下部墩及基础台及基础特大桥大桥中桥小桥复核:填表:年月日(公章)表7盖板涵、通道工程一览表合同段填土高度中心桩号交角结构类型孔数╳孔径(孔╳m)净宽╳净高(m)长度(m)上部下部基础复核:填表:年月日(公章)表8圆管涵工程一览表合同段中心桩号结构类型长度(m)交角涵顶填土高度复核:填表:年月日(公章)表9支档工程一览表合同段起迄桩号结构类型长度(m)高度(m)厚度(cm)最高最低注:支档工程结构类型是指(砼或砌筑)挡土墙、抗滑桩、铺砌式坡面防护、喷锚等防护工程。复核:填表:年月日(公章)第12页共15页编号:时间:2021年x月x日书山有路勤为径,学海无涯苦作舟页码:第12页共15页表10排水工程一览表合同段起讫桩号结构类型和名称长度(m)宽(cm)×深(cm)厚度(cm)复核:填表:年月日第12页共15页第13页共15页编号:时间:2021年x月x日书山有路勤为径,学海无涯苦作舟页码:第13页共15页(公章)表11房建工程一览表序号合同段施工单位地点位置房屋名称建筑面积(m2/幢)占地面积(m2)复核:填表:年月日第14页共15页第13页共15页编号:时间:2021年x月x日书山有路勤为径,学海无涯苦作舟页码:第14页共15页(公章)表12设计单位评价意见设计单位合同段施工单位(设计单位对各合同段已完成工程是否与设计相符,是否满足设计要求的评价意见)年月日(设计单位盖章)复核:填表:年月第15页共15页第14页共15页编号:时间:2021年x月x日书山有路勤为径,学海无涯苦作舟页码:第15页共15页日(公章)

1、当您付费下载文档后,您只拥有了使用权限,并不意味着购买了版权,文档只能用于自身使用,不得用于其他商业用途(如 [转卖]进行直接盈利或[编辑后售卖]进行间接盈利)。
2、本站所有内容均由合作方或网友上传,本站不对文档的完整性、权威性及其观点立场正确性做任何保证或承诺!文档内容仅供研究参考,付费前请自行鉴别。
3、如文档内容存在违规,或者侵犯商业秘密、侵犯著作权等,请点击“违规举报”。

碎片内容

公路工程交工验收质量检测明细表

您可能关注的文档

确认删除?
VIP
微信客服
  • 扫码咨询
会员Q群
  • 会员专属群点击这里加入QQ群
客服邮箱
回到顶部