电脑桌面
添加小米粒文库到电脑桌面
安装后可以在桌面快捷访问

碳纤维复合材料加固技术在实际工程中的应用VIP免费

碳纤维复合材料加固技术在实际工程中的应用_第1页
1/9
碳纤维复合材料加固技术在实际工程中的应用_第2页
2/9
碳纤维复合材料加固技术在实际工程中的应用_第3页
3/9
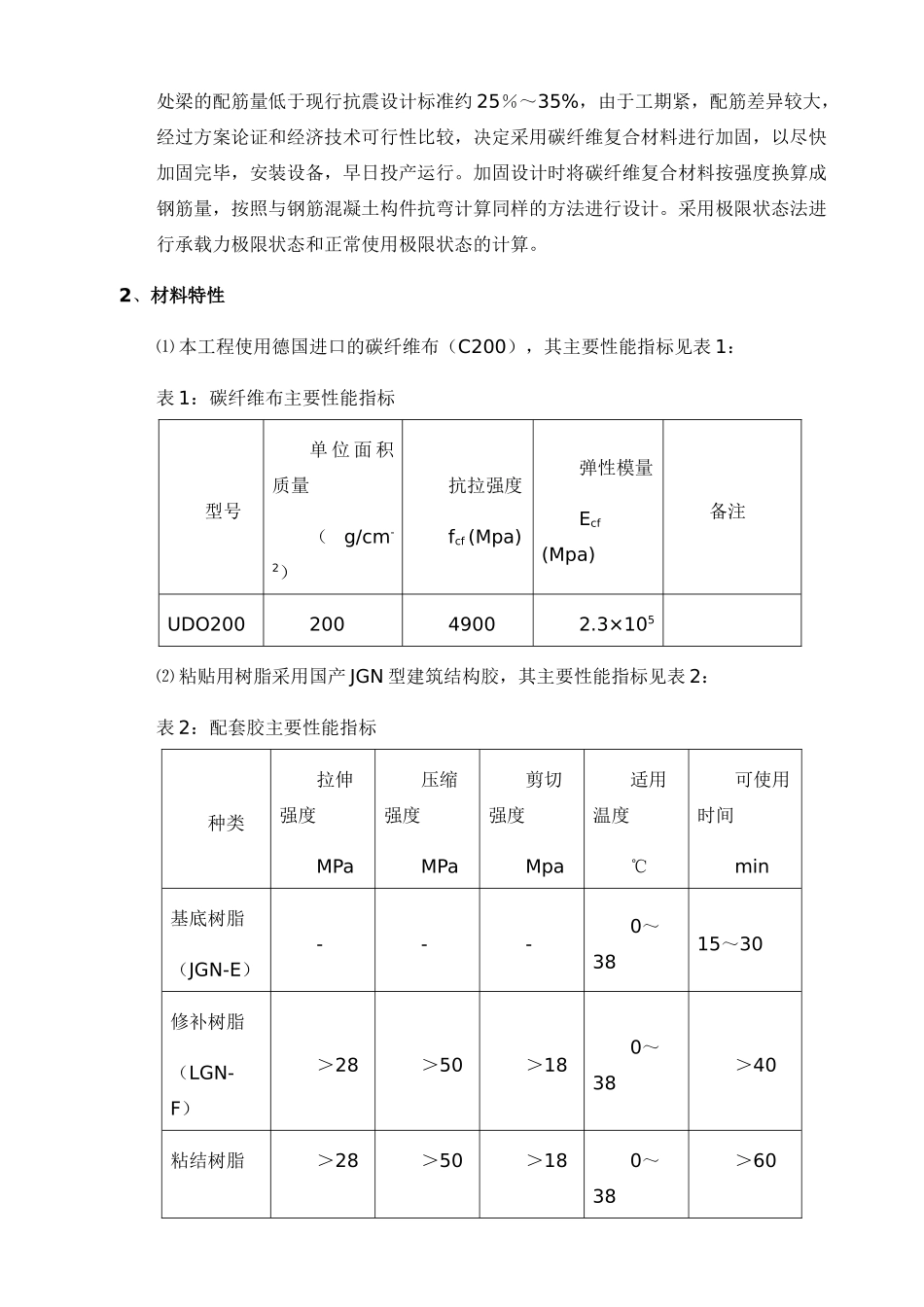
碳纤维复合材料(CFRP)加固技术在实际工程中的应用摘要:碳纤维具有强度高、自重轻、施工方便、快捷、应用广泛等优良性能,因而利用碳纤维布加固钢筋混凝土构件以提高承载力及延长寿命是目前比较流行的方法,在建筑业中有着广泛的发展前景。本文以一个石化行业的钢筋混凝土框架改造工程应用为例介绍了碳纤维复合材料在因功能改变引起荷载变化的结构构件加固中的计算方法和施工工艺。关键词:碳纤维复合材料混凝土结构加固技术一、概述碳纤维复合材料(CarbonFiberPeinforcePlastic)加固技术是利用树脂类粘接剂(建筑结构胶)将碳纤维粘贴到结构或构件的表面,形成复合材料体,通过碳纤维与构件的协同工作,来提高结构或构件的承载力和延性的一种加固技术方法。采用碳纤维布加固具有以下几个优点:1、抗拉强度高,是普通钢材的10倍,并具有比钢材更好的抗疲劳性能;2、加固后能大大提高结构的耐腐蚀性及耐久性;3、自重轻(约200g/m2),密度只有普通钢材的1/4;基本不增加结构自重及截面尺寸;柔性好,易于裁剪,适用范围广,适合任何形状;4、施工简便(不需大型施工机构及周转材料),没有湿作业,易于操作,经济性好;5、适用范围广,施工工期短。碳纤维材料(CFRP)用于混凝土结构加固修补的研究始于80年代美、日等发达国家,我国起步很晚,近年来发展十分迅速,在航空、航天、汽车、环境工程、化工、能源、交通、建筑、电子、运动器材等众多领域得到了广泛的应用。国家也于2003年编制了《碳纤维片材加固混凝土结构技术规程》(CECS146:2003)。本文结合具体的石化行业一钢筋混凝土构架加固工程,介绍了碳纤维加固技术实例。二、结构概况和加固设计1、工程概况本工程中需加固的构架为齐鲁石化公司催化剂厂浆液贮存钢筋混凝土框架,结构为一层平台,平台高5.200米,跨度7.3米,五榀框架,框架总长22.25米,平面尺寸见下图所示。平台上放置四台浆液贮存罐,正常工作状态下,每个罐体总重850kN,无振动,现要在平台上再增加两台各重85kN的剥片机。原有构架设计及施工结束于2001年,由于新的混凝土规范、荷载规范及抗震规范实施于2002年,新旧规范的差异及新上设备荷载的增加,造成原有构架明显不能满足使用要求,多处梁的配筋量低于现行抗震设计标准约25%~35%,由于工期紧,配筋差异较大,经过方案论证和经济技术可行性比较,决定采用碳纤维复合材料进行加固,以尽快加固完毕,安装设备,早日投产运行。加固设计时将碳纤维复合材料按强度换算成钢筋量,按照与钢筋混凝土构件抗弯计算同样的方法进行设计。采用极限状态法进行承载力极限状态和正常使用极限状态的计算。2、材料特性⑴本工程使用德国进口的碳纤维布(C200),其主要性能指标见表1:表1:碳纤维布主要性能指标型号单位面积质量(g/cm-2)抗拉强度fcf(Mpa)弹性模量Ecf(Mpa)备注UDO20020049002.3×105⑵粘贴用树脂采用国产JGN型建筑结构胶,其主要性能指标见表2:表2:配套胶主要性能指标种类拉伸强度MPa压缩强度MPa剪切强度Mpa适用温度℃可使用时间min基底树脂(JGN-E)---0~3815~30修补树脂(LGN-F)>28>50>180~38>40粘结树脂>28>50>180~38>60(JGN-D)3、加固设计3.1基本假定碳纤维材料加固后混凝土梁的极限承载力计算采用如下基本假定:受拉区混凝土的作用忽略不计;梁受弯后,混凝土、钢筋及碳纤维应变符合平截面假定;(3)碳纤维材料采用线弹性应力-应变关系:σcf=Ecf×εcf且εcf<0.01。3.2加固设计根据《碳纤维片材加固修复混凝土结构技术规程》(CECS146:2003)的规定,采用以概率理论为基础的极限设计法进行计算。考虑到作用在加固结构上的活荷载基本卸除,故不考虑二次受力的影响。取图中梁L-1为例,梁全长7.3m,截面350x1000mm,原配受拉钢筋7Φ25+2Φ22(4196mm2),受压钢筋5Φ20mm(1571mm2),箍筋φ8@100~200。梁截面:b×h=350mm×1000mm,C30混凝土,原梁配有As0=4196mm2As0'=1571mm2按原设计计算最大弯矩设计值:x=(fyAs-fy'As')/fcb=157mmMu=fcbx(h0-x/2)+fy'As'(h0-a’)=14.3x350x157x(930-78.5)+300x1571x(930-40)=1088.6kN·m本设计梁底粘贴一层碳纤维板,厚1.0mm,幅宽...

1、当您付费下载文档后,您只拥有了使用权限,并不意味着购买了版权,文档只能用于自身使用,不得用于其他商业用途(如 [转卖]进行直接盈利或[编辑后售卖]进行间接盈利)。
2、本站所有内容均由合作方或网友上传,本站不对文档的完整性、权威性及其观点立场正确性做任何保证或承诺!文档内容仅供研究参考,付费前请自行鉴别。
3、如文档内容存在违规,或者侵犯商业秘密、侵犯著作权等,请点击“违规举报”。

碎片内容

碳纤维复合材料加固技术在实际工程中的应用

确认删除?
VIP
微信客服
  • 扫码咨询
会员Q群
  • 会员专属群点击这里加入QQ群
客服邮箱
回到顶部