电脑桌面
添加小米粒文库到电脑桌面
安装后可以在桌面快捷访问

房建施工质量保证措施VIP免费

房建施工质量保证措施_第1页
1/37
房建施工质量保证措施_第2页
2/37
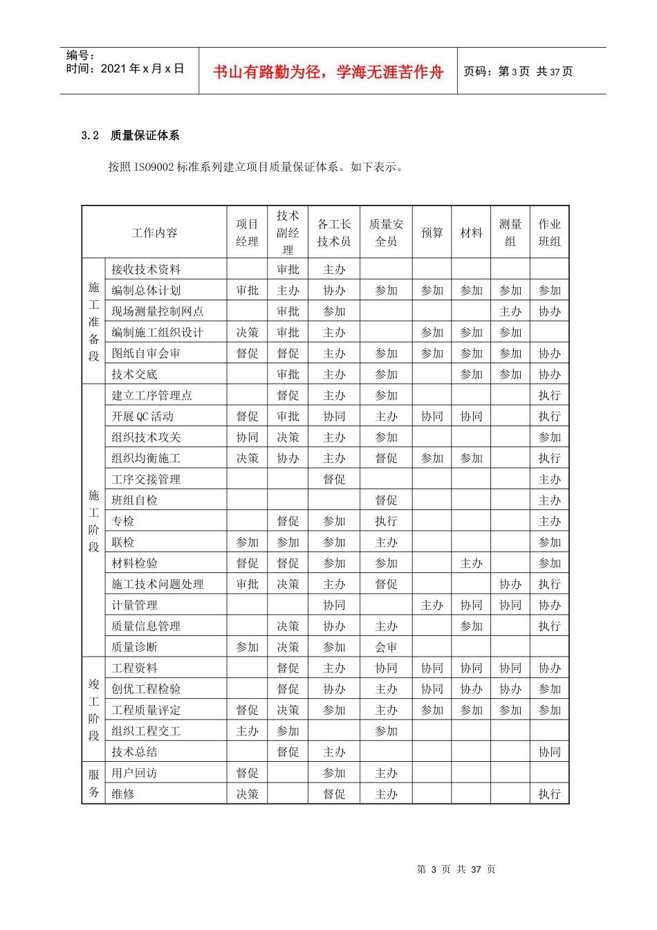
房建施工质量保证措施_第3页
3/37
第1页共37页编号:时间:2021年x月x日书山有路勤为径,学海无涯苦作舟页码:第1页共37页质量保障措施一、房建工程施工管理质量保证措施1质量管理目标2质量管理方法3质量控制体系4为确保质量所采取的检测试验手段及措施5技术保证措施6原材料质量保证措施二施工过程中的质量控制1基础工程施工质量保障2主体工程施工质量保障3装饰工程施工质量保障4门窗工程施工质量保障5安装工程施工质量保障6主要分项工程防止质量通病的措施7质量控制环节及职能分工8施工期间对隐蔽工程的质量保证措施质量保障措施一、房建工程施工管理质量保证措施1质量管理目标本工程的质量目标:严格执行国家有关现行质量标准。第2页共37页第1页共37页编号:时间:2021年x月x日书山有路勤为径,学海无涯苦作舟页码:第2页共37页2质量管理方法2.1质量检查验收方法实行自检、互检、专检制以及特殊工序过程监控与跟班检制;分部分项工程验评制和隐蔽工程验收制。2.2施工前技术质量交底和施工中的复核工程开工前,技术部门要对整个工程的技术质量要点的关键问题向施工管理人员、班组长等作一个全面的交底。在分部分项工程施工前,由工长负责向班组长、班组长负责向各班组成员进行技术质量交底工作。交底工作以书面形式为主,未经交底不得施工。对关键工序、关键部位,工长要负责现场确定核实,技术部门对每个关键环节和重要工序要进行复核、监督,发现问题及时解决。2.3生产会议和质量会议制度在定期或不定期的生产会议上,在安排生产计划的同时,坚持质量工作安排。定期召开专题质量会议,由施工技术副经理和专职质检人员提出质量动态报告,研究制定质量工作计划和对策。2.4对专业工程施工人员的技术资质审核对进入施工现场作业的所有特殊专业工种的管理人员和技术工人的技术等级,必须进行事前审核。对经技术培训考核不合格者,不予安排相应工作。对所有专业分包单位,其专业工种的管理人员和技术工人均必须提交名单和技术资质材料。2.5坚持样板引路,先确认再大面积施工的方法对质量要求较高、采用新工艺新材料的部分,应先做样板和试验,经检查确认可行后,再进行大面积施工。3质量控制体系3.1质量管理领导体系项目经理为工程质量的第一责任人,在项目部自项目经理至施工班组建立质量管理领导体系。如下图示。项目质量领导小组组长:项目经理副组长:项目常务副经理项目生产副经理技术负责人钢筋工长木工工长混凝土工工长项目专职质量员项目试验员测量放线员资料内业材料采购员作业班组长第3页共37页第2页共37页编号:时间:2021年x月x日书山有路勤为径,学海无涯苦作舟页码:第3页共37页3.2质量保证体系按照ISO9002标准系列建立项目质量保证体系。如下表示。工作内容项目经理技术副经理各工长技术员质量安全员预算材料测量组作业班组施工准备段接收技术资料审批主办编制总体计划审批主办协办参加参加参加参加参加现场测量控制网点审批参加主办协办编制施工组织设计决策审批主办参加参加参加图纸自审会审督促督促主办参加参加参加参加协办技术交底审批主办参加参加参加协办施工阶段建立工序管理点督促主办参加执行开展QC活动督促审批协同主办协同协同执行组织技术攻关协同决策主办参加参加组织均衡施工决策协办主办督促参加参加执行工序交接管理督促主办班组自检督促主办专检督促参加执行主办联检参加参加参加主办参加材料检验督促督促参加参加主办参加施工技术问题处理审批决策主办督促协办执行计量管理协同主办协同协同协办质量信息管理决策协办主办参加执行质量诊断参加决策参加会审竣工阶段工程资料督促主办协同协同协同协同协办创优工程检验督促协办主办协同协办协办参加工程质量评定督促决策参加主办参加参加参加参加组织工程交工主办参加参加技术总结督促主办协同服务用户回访督促参加主办维修决策督促主办执行第4页共37页第3页共37页编号:时间:2021年x月x日书山有路勤为径,学海无涯苦作舟页码:第4页共37页4为确保质量所采取的检测试验手段及措施4.1检测试验组织机构1.本工程的所有材料的检测试验均委托成都建委认证具备试验资质的试验室进行检测。确定后,报地盘监理、业主认可。2.项目部设专职试验...

1、当您付费下载文档后,您只拥有了使用权限,并不意味着购买了版权,文档只能用于自身使用,不得用于其他商业用途(如 [转卖]进行直接盈利或[编辑后售卖]进行间接盈利)。
2、本站所有内容均由合作方或网友上传,本站不对文档的完整性、权威性及其观点立场正确性做任何保证或承诺!文档内容仅供研究参考,付费前请自行鉴别。
3、如文档内容存在违规,或者侵犯商业秘密、侵犯著作权等,请点击“违规举报”。

碎片内容

房建施工质量保证措施

确认删除?
VIP
微信客服
  • 扫码咨询
会员Q群
  • 会员专属群点击这里加入QQ群
客服邮箱
回到顶部