电脑桌面
添加小米粒文库到电脑桌面
安装后可以在桌面快捷访问

《建筑工程施工质量评价标准》表格VIP免费

《建筑工程施工质量评价标准》表格_第1页
1/52
《建筑工程施工质量评价标准》表格_第2页
2/52
《建筑工程施工质量评价标准》表格_第3页
3/52
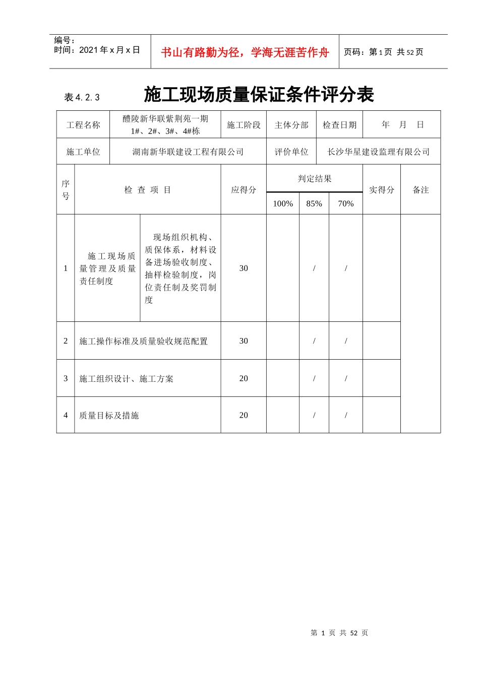
第1页共52页编号:时间:2021年x月x日书山有路勤为径,学海无涯苦作舟页码:第1页共52页表4.2.3施工现场质量保证条件评分表工程名称醴陵新华联紫荆苑一期1#、2#、3#、4#栋施工阶段主体分部检查日期年月日施工单位湖南新华联建设工程有限公司评价单位长沙华星建设监理有限公司序号检查项目应得分判定结果实得分备注100%85%70%1施工现场质量管理及质量责任制度现场组织机构、质保体系,材料设备进场验收制度、抽样检验制度,岗位责任制及奖罚制度30//2施工操作标准及质量验收规范配置30//3施工组织设计、施工方案20//4质量目标及措施20//第2页共52页第1页共52页编号:时间:2021年x月x日书山有路勤为径,学海无涯苦作舟页码:第2页共52页检查结果权重值10分。应得分合计:实得分合计:施工现场质量保证条件评分=———×10=评价人员:年月日表5.1.3地基及桩基工程性能检测评分表工程名称醴陵新华联紫荆苑一期1#、2#、3#、4#栋施工阶段基础分部检查日期年月日施工单位湖南新华联建设工程有限公司评价单位长沙华星建设监理有限公司序号检查项目应得分判定结果实得分备注100%85%70%1地基地基强度、压实系数、注浆体强度50/地基承载力50/2复合地基桩体强度、桩体干密度(50)///复合地基承载力(50)//3桩基单桩竖向抗压承载力(50)///桩身完整性(50)//实得分应得分第3页共52页第2页共52页编号:时间:2021年x月x日书山有路勤为径,学海无涯苦作舟页码:第3页共52页检查结果权重值35分。应得分合计:实得分合计:地基及桩基工程质量记录评分=———×35=评价人员:年月日表5.2.3地基及桩基工程质量记录评分表工程名称醴陵新华联紫荆苑一期1#、2#、3#、4#栋施工阶段基础分部检查日期年月日施工单位湖南新华联建设工程有限公司评价单位长沙华星建设监理有限公司序号检查项目应得分判定结果实得分备注100%85%70%1材料、预制桩合格证(出厂试验报告)及进场验收记录材料合格证(出厂试验报告)及进场验收记录及钢筋、水泥复试报告30//预制桩合格证(出厂试验报告)及进场验收记录(30)//2施工记录地基处理、验槽、钎探施工记录30//预制桩接头施工记录(10)//打(压)桩试桩记录及施工记录(20)//灌注桩成孔、钢筋笼、混凝土灌注检查记录及施工记录(30)//检验批、分项、分部(子分部)工程质量验10//应得分实得分第4页共52页第3页共52页编号:时间:2021年x月x日书山有路勤为径,学海无涯苦作舟页码:第4页共52页收记录3施工试验灰土、砂石、注浆桩及水泥、粉煤灰、碎石桩配合比试验报告30//钢筋连接试验报告(15)//混凝土试件强度试验报告(15)//预制桩龄期及试件强度试验报告(30)//检查结果权重值35分。应得分合计:实得分合计:地基及桩基工程质量记录评分=———×35=评价人员:年月日表5.3.3地基及桩基工程尺寸偏差及限值实测评分表工程名称醴陵新华联紫荆苑一期1#、2#、3#、4#栋施工阶段基础分部检查日期年月日施工单位湖南新华联建设工程有限公司评价单位长沙华星建设监理有限公司序号检查项目应得分判定结果实得分备注100%85%70%1天然地基标高及基槽宽度偏差100//实得分应得分第5页共52页第4页共52页编号:时间:2021年x月x日书山有路勤为径,学海无涯苦作舟页码:第5页共52页2复合地基桩位偏差(100)//3打(压)桩桩位偏差(100)//4灌注桩桩位偏差(100)//检查结果权重值15分。应得分合计:实得分合计:地基及桩基工程尺寸偏差及限值实测评分=———×15=评价人员:年月日表5.4.3地基及桩基工程观感质量评分表工程名称醴陵新华联紫荆苑一期1#、2#、3#、4#栋施工阶段基础分部检查日期年月日施工单位湖南新华联建设工程有限公司评价单位长沙华星建设监理有限公司序号检查项目应得分判定结果实得分备注100%85%70%实得分应得分第6页共52页第5页共52页编号:时间:2021年x月x日书山有路勤为径,学海无涯苦作舟页码:第6页共52页1地基、复合地基标高、表面平整、边坡100//2桩基桩头、桩顶标高、场地平整(100)////检查结果权重值5分。应得分合计:实得分合计:地基及桩基工程观感质量评分=———×5=评价人员:年月日表6.1.3结构工程性能检测评分表工程名称醴陵新华联紫荆...

1、当您付费下载文档后,您只拥有了使用权限,并不意味着购买了版权,文档只能用于自身使用,不得用于其他商业用途(如 [转卖]进行直接盈利或[编辑后售卖]进行间接盈利)。
2、本站所有内容均由合作方或网友上传,本站不对文档的完整性、权威性及其观点立场正确性做任何保证或承诺!文档内容仅供研究参考,付费前请自行鉴别。
3、如文档内容存在违规,或者侵犯商业秘密、侵犯著作权等,请点击“违规举报”。

碎片内容

《建筑工程施工质量评价标准》表格

精华资料店+ 关注
实名认证
内容提供者

大量教育教学资料

相关文档

确认删除?
VIP
微信客服
  • 扫码咨询
会员Q群
  • 会员专属群点击这里加入QQ群
客服邮箱
回到顶部