电脑桌面
添加小米粒文库到电脑桌面
安装后可以在桌面快捷访问

控制钢筋闪光对焊质量qc成果VIP免费

控制钢筋闪光对焊质量qc成果_第1页
1/15
控制钢筋闪光对焊质量qc成果_第2页
2/15
控制钢筋闪光对焊质量qc成果_第3页
3/15
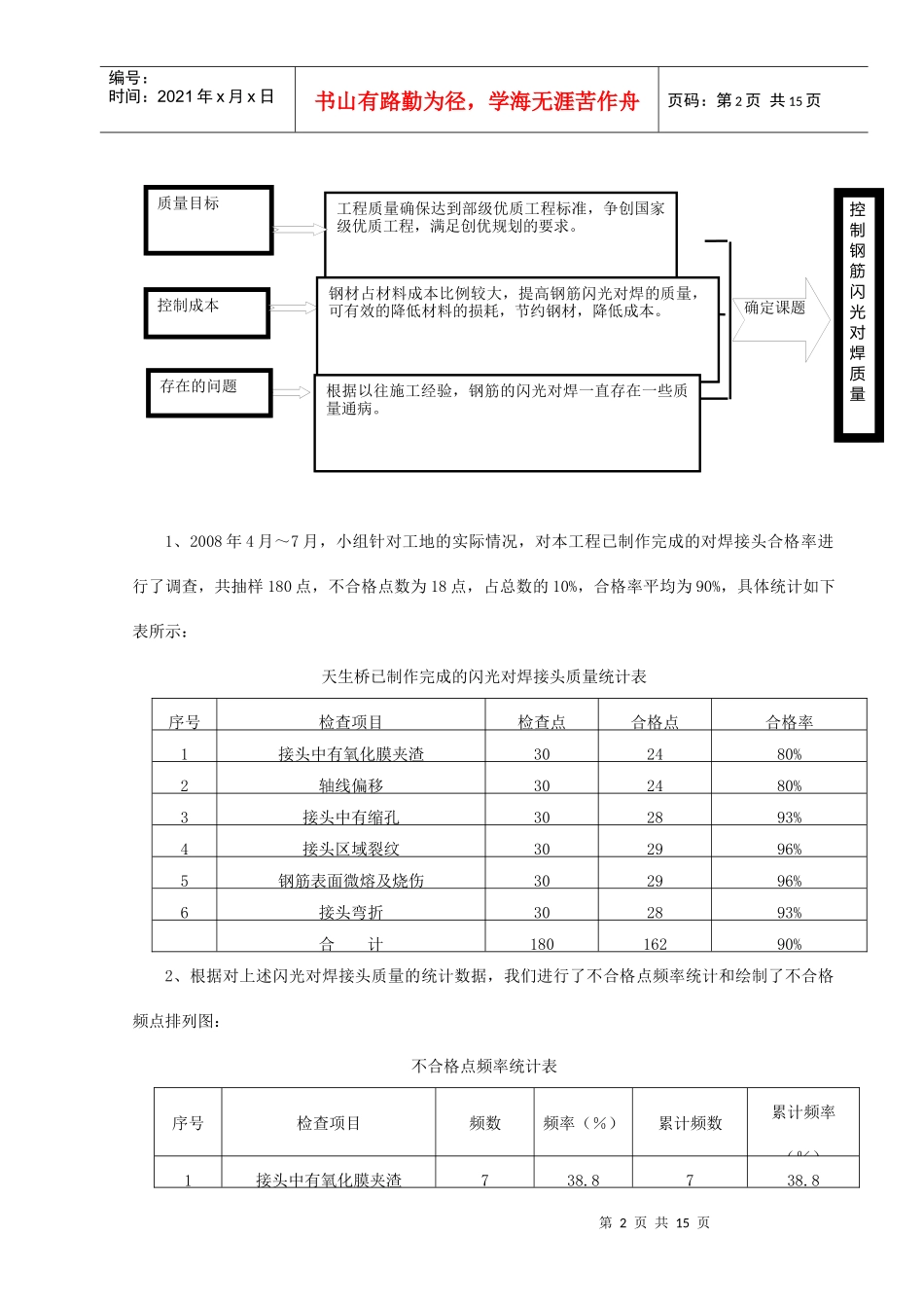
中铁16局集团四公司第25次(2008年度)QC小组成果发表会材料开展QC活动控制钢筋闪光对焊质量单位:中铁十六局集团四公司小组名称:六沾复线W3标工程指挥部一工区QC小组发表人:王占东发表日期:二○○八年十一月十二日第1页共15页编号:时间:2021年x月x日书山有路勤为径,学海无涯苦作舟页码:第1页共15页中铁十六局集团第25次(2008年度)QC小组成果发表会材料开展QC活动控制钢筋闪光对焊质量一、工程概况贵昆铁路六盘水至沾益段新建二线线路全长247.633km,设计时速160km/h,铁路等级Ⅰ级。W3标段东起天生桥双线特大桥,西止三联隧道。正线长度12828.08m。其中天生桥双线特大桥是全线最高、跨度最大的桥梁,最高桥墩78m,主跨采用68+2×128+72现浇连续梁,施工难度大,质量标准高。该桥主筋焊接大量采用闪光对焊技术,因此控制好闪光对焊质量尤为重要。二、QC小组概况小组名称六沾复线W3标工程指挥部一工区QC小组成立日期2008年4月25日小组组长王保辉成果编制人王占东QC小组类型现场型QC小组记录员胡源麟小组成姓名职务姓名职务姓名职务王保辉工区长李传智施工员徐发明技术员王占东工区总工戈金龙质检员胡源麟质检工程师蒋卫国施工队长刘传国钢筋工长陈凤新实验员平均QC教育80小时活动周期2008.4.25至2008.11.11小组成员总数9人活动次数10次活动时间50小时三、择题理由第2页共15页第1页共15页工程质量确保达到部级优质工程标准,争创国家级优质工程,满足创优规划的要求。确定课题控制成本质量目标钢材占材料成本比例较大,提高钢筋闪光对焊的质量,可有效的降低材料的损耗,节约钢材,降低成本。根据以往施工经验,钢筋的闪光对焊一直存在一些质量通病。控制钢筋闪光对焊质量存在的问题编号:时间:2021年x月x日书山有路勤为径,学海无涯苦作舟页码:第2页共15页1、2008年4月~7月,小组针对工地的实际情况,对本工程已制作完成的对焊接头合格率进行了调查,共抽样180点,不合格点数为18点,占总数的10%,合格率平均为90%,具体统计如下表所示:天生桥已制作完成的闪光对焊接头质量统计表序号检查项目检查点合格点合格率1接头中有氧化膜夹渣302480%2轴线偏移302480%3接头中有缩孔302893%4接头区域裂纹302996%5钢筋表面微熔及烧伤302996%6接头弯折302893%合计18016290%2、根据对上述闪光对焊接头质量的统计数据,我们进行了不合格点频率统计和绘制了不合格频点排列图:不合格点频率统计表序号检查项目频数频率(%)累计频数累计频率(%)1接头中有氧化膜夹渣738.8738.8第3页共15页第2页共15页编号:时间:2021年x月x日书山有路勤为径,学海无涯苦作舟页码:第3页共15页2轴线偏移633.31372.13接头区域裂纹211.11583.24接头中有缩孔15.61688.85钢筋表面微熔及烧伤15.61794.46接头弯折15.618100接头有氧化膜、夹渣现象轴线偏移及钢筋表面微溶接头烧伤现象第4页共15页第3页共15页编号:时间:2021年x月x日书山有路勤为径,学海无涯苦作舟页码:第4页共15页四、预期目标及可行性分析根据公司的质量方针和目标的要求,而且要达到本工程的质量目标,必须严把钢筋加工过程的质量。通过对焊接接头质量的调查,通过小组活动只要将焊接接头主要问题解决(既接头氧化膜夹渣及轴线偏移)90%,就可使接头不合格率下降12.2%×59.1%×90%=6.4%,合格率可达90%+6.4%=96.4%,因此我们确定目标为钢筋闪光对焊一次合格率95%。五、QC小组活动情况(一)计划阶段(plan)时间:2008.4.25~2008.5.101、原因分析通过不合格点频点排列图可以看到接头中有氧化膜夹渣的频率为38.8%,轴向偏移的频率为33.3%,两项累计频率达到72.1%,为A类因素,是影响闪光对焊接接头合格率的主要问题,因此我们针对问题进行了小组活动,通过分析讨论,绘制了因果分析图如下:第5页共15页第4页共15页编号:时间:2021年x月x日书山有路勤为径,学海无涯苦作舟页码:第5页共15页2、要因确认根据因果图,我们针对找到的十四个末端因素进行了要因分析,并对各种因素进行现场调查和第6页共15页第5页共15页编号:时间:2021年x月x日书山有路勤为径,学海无涯苦作舟页码:第6页共15页讨论分析,确认要因如下:序号末端原因确认内容...

1、当您付费下载文档后,您只拥有了使用权限,并不意味着购买了版权,文档只能用于自身使用,不得用于其他商业用途(如 [转卖]进行直接盈利或[编辑后售卖]进行间接盈利)。
2、本站所有内容均由合作方或网友上传,本站不对文档的完整性、权威性及其观点立场正确性做任何保证或承诺!文档内容仅供研究参考,付费前请自行鉴别。
3、如文档内容存在违规,或者侵犯商业秘密、侵犯著作权等,请点击“违规举报”。

碎片内容

控制钢筋闪光对焊质量qc成果

您可能关注的文档

确认删除?
VIP
微信客服
  • 扫码咨询
会员Q群
  • 会员专属群点击这里加入QQ群
客服邮箱
回到顶部