电脑桌面
添加小米粒文库到电脑桌面
安装后可以在桌面快捷访问

中国移动通信集团河南有限公司XXXX年网络运行质量考核体系v8VIP免费

中国移动通信集团河南有限公司XXXX年网络运行质量考核体系v8_第1页
1/6
中国移动通信集团河南有限公司XXXX年网络运行质量考核体系v8_第2页
2/6
中国移动通信集团河南有限公司XXXX年网络运行质量考核体系v8_第3页
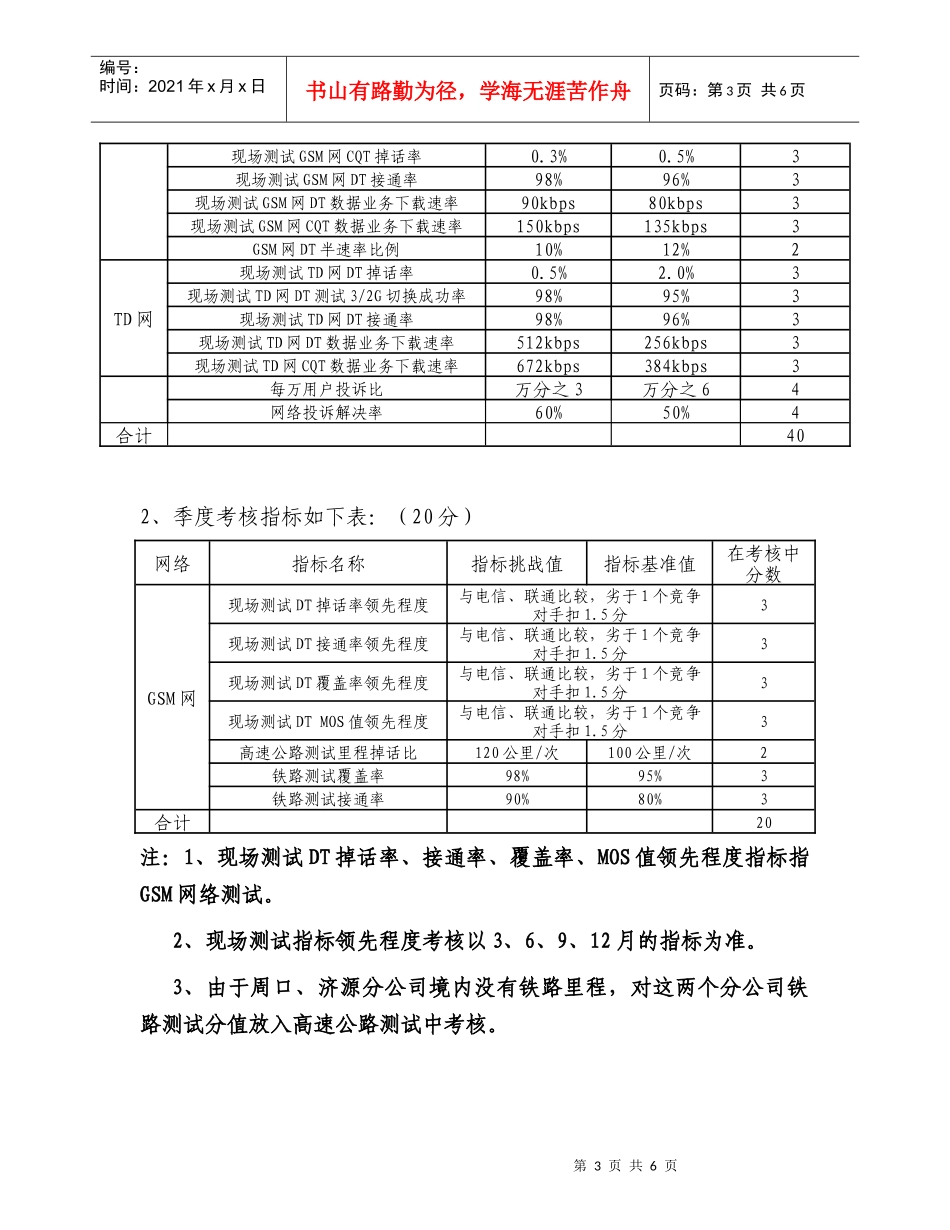
3/6
第1页共6页编号:时间:2021年x月x日书山有路勤为径,学海无涯苦作舟页码:第1页共6页中国移动通信集团河南有限公司2010年网络运行质量考核体系围绕2010年网络工作总体思路,继续秉承“网络质量是通信企业生命线”的理念,以网络质量提升活动为抓手,以提高客户感知、确保网络质量领先为目标,从网络维护、工程建设两个方面制定2010年网络运行质量考核体系。一、考核对象各分公司、网络管理中心二、考核内容全年考核内容包括五部分:网管统计类、客户感知类、工程管理类、重大故障、重大网络信息安全类、技术管理创新类。全年考核中网管统计类占20分,客户感知类占60分,工程管理类占20分,如下表所示:网管统计指标客户感知指标工程管理指标重大故障、重大网络信息安全(扣分)技术管理创新(加分)20分60分20分一二级故障一次扣5分;一次加1分,最多5分月度考核20分月度考核40分季度考核20分年度考核扣分20分重大网络信息安全事件一次扣5分;(一)网管统计类指标考核(20分)网管统计类指标按月进行考核,全年按平均得分进行考核。具第2页共6页第1页共6页编号:时间:2021年x月x日书山有路勤为径,学海无涯苦作舟页码:第2页共6页体指标考核如下表,详细指标定义见附件1:网络指标名称指标挑战值指标基准值在考核中分数GSM网络GSM网掉话率0.6%1.0%3GSM网接通率99%98%3GSM网基站退服率0.02%0.04%2彩信端到端接通率82%78%2最差小区比例0.5%0.7%2TD网络TD网掉话率0.6%1.0%2TD网接通率98%96%2TD网基站退服率1.6%2%22G/3G切换成功率98%96%2合计20注:注:GSM网基站退服率、TD网基站退服率、最差小区指标考核时段为8:00-22:00,GSM网接通率、TD网掉话率、TD网接通率、2G/3G切换成功率指标考核时段为8:00-11:00、18:00-21:00,其余指标考核时段为全天,考核指标为自然月的平均值。指标的网管采集时间为非重要节假日,重要节假日是指春节、国庆、五一、中秋、元旦、端午和清明。(二)客户感知类指标(60分)客户感知类指标分为按月考核和按季度考核两大类,月考核指标占40分,季度考核指标占20分,年度考核项目未达标扣分。详细指标定义见附件2。1、月度考核指标如下表:(40分)网络指标名称指标挑战值指标基准值在考核中分数GSM网现场测试GSM网DT掉话率0.5%1.0%3第3页共6页第2页共6页编号:时间:2021年x月x日书山有路勤为径,学海无涯苦作舟页码:第3页共6页现场测试GSM网CQT掉话率0.3%0.5%3现场测试GSM网DT接通率98%96%3现场测试GSM网DT数据业务下载速率90kbps80kbps3现场测试GSM网CQT数据业务下载速率150kbps135kbps3GSM网DT半速率比例10%12%2TD网现场测试TD网DT掉话率0.5%2.0%3现场测试TD网DT测试3/2G切换成功率98%95%3现场测试TD网DT接通率98%96%3现场测试TD网DT数据业务下载速率512kbps256kbps3现场测试TD网CQT数据业务下载速率672kbps384kbps3每万用户投诉比万分之3万分之64网络投诉解决率60%50%4合计402、季度考核指标如下表:(20分)网络指标名称指标挑战值指标基准值在考核中分数GSM网现场测试DT掉话率领先程度与电信、联通比较,劣于1个竞争对手扣1.5分3现场测试DT接通率领先程度与电信、联通比较,劣于1个竞争对手扣1.5分3现场测试DT覆盖率领先程度与电信、联通比较,劣于1个竞争对手扣1.5分3现场测试DTMOS值领先程度与电信、联通比较,劣于1个竞争对手扣1.5分3高速公路测试里程掉话比120公里/次100公里/次2铁路测试覆盖率98%95%3铁路测试接通率90%80%3合计20注:1、现场测试DT掉话率、接通率、覆盖率、MOS值领先程度指标指GSM网络测试。2、现场测试指标领先程度考核以3、6、9、12月的指标为准。3、由于周口、济源分公司境内没有铁路里程,对这两个分公司铁路测试分值放入高速公路测试中考核。第4页共6页第3页共6页编号:时间:2021年x月x日书山有路勤为径,学海无涯苦作舟页码:第4页共6页3、年度考核扣分项如下:(1)、2010年降低影响客户感知的无线故障总量A、如2010年每季度影响客户感知的无线故障总量不高于2009年同期,不扣分;B、如2010年每季度影响客户感知的无线故障总量高于2009年同期但不超过5%(含),扣0.5分;C、如2010年每季度影响客户感知的无线故障...

1、当您付费下载文档后,您只拥有了使用权限,并不意味着购买了版权,文档只能用于自身使用,不得用于其他商业用途(如 [转卖]进行直接盈利或[编辑后售卖]进行间接盈利)。
2、本站所有内容均由合作方或网友上传,本站不对文档的完整性、权威性及其观点立场正确性做任何保证或承诺!文档内容仅供研究参考,付费前请自行鉴别。
3、如文档内容存在违规,或者侵犯商业秘密、侵犯著作权等,请点击“违规举报”。

碎片内容

中国移动通信集团河南有限公司XXXX年网络运行质量考核体系v8

精华资料店+ 关注
实名认证
内容提供者

大量教育教学资料

确认删除?
VIP
微信客服
  • 扫码咨询
会员Q群
  • 会员专属群点击这里加入QQ群
客服邮箱
回到顶部