电脑桌面
添加小米粒文库到电脑桌面
安装后可以在桌面快捷访问

连接套筒质量记录表VIP专享VIP免费

连接套筒质量记录表_第1页
1/41
连接套筒质量记录表_第2页
2/41
连接套筒质量记录表_第3页
3/41
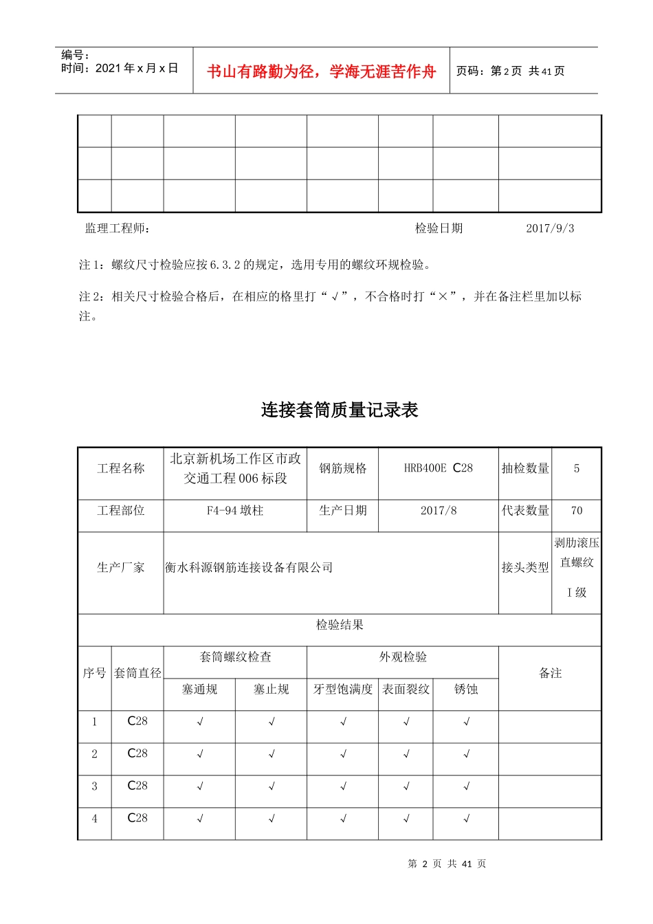
第1页共41页编号:时间:2021年x月x日书山有路勤为径,学海无涯苦作舟页码:第1页共41页连接套筒质量记录表工程名称北京新机场工作区市政交通工程006标段钢筋规格HRB400EC28抽检数量5工程部位F4-93墩柱生产日期2017/8代表数量70生产厂家衡水科源钢筋连接设备有限公司接头类型剥肋滚压直螺纹I级检验结果序号套筒直径套筒螺纹检查外观检验备注塞通规塞止规牙型饱满度表面裂纹锈蚀1C28√√√√√2C28√√√√√3C28√√√√√4C28√√√√√5C28√√√√√第2页共41页第1页共41页编号:时间:2021年x月x日书山有路勤为径,学海无涯苦作舟页码:第2页共41页监理工程师:检验日期2017/9/3注1:螺纹尺寸检验应按6.3.2的规定,选用专用的螺纹环规检验。注2:相关尺寸检验合格后,在相应的格里打“√”,不合格时打“×”,并在备注栏里加以标注。连接套筒质量记录表工程名称北京新机场工作区市政交通工程006标段钢筋规格HRB400EC28抽检数量5工程部位F4-94墩柱生产日期2017/8代表数量70生产厂家衡水科源钢筋连接设备有限公司接头类型剥肋滚压直螺纹I级检验结果序号套筒直径套筒螺纹检查外观检验备注塞通规塞止规牙型饱满度表面裂纹锈蚀1C28√√√√√2C28√√√√√3C28√√√√√4C28√√√√√第3页共41页第2页共41页编号:时间:2021年x月x日书山有路勤为径,学海无涯苦作舟页码:第3页共41页5C28√√√√√监理工程师:检验日期2017/9/3注1:螺纹尺寸检验应按6.3.2的规定,选用专用的螺纹环规检验。注2:相关尺寸检验合格后,在相应的格里打“√”,不合格时打“×”,并在备注栏里加以标注。连接套筒质量记录表工程名称北京新机场工作区市政交通工程006标段钢筋规格HRB400EC28抽检数量5工程部位F4-95-1墩柱生产日期2017/8代表数量70生产厂家衡水科源钢筋连接设备有限公司接头类型剥肋滚压第4页共41页第3页共41页编号:时间:2021年x月x日书山有路勤为径,学海无涯苦作舟页码:第4页共41页直螺纹I级检验结果序号套筒直径套筒螺纹检查外观检验备注塞通规塞止规牙型饱满度表面裂纹锈蚀1C28√√√√√2C28√√√√√3C28√√√√√4C28√√√√√5C28√√√√√监理工程师:检验日期2017/9/3第5页共41页第4页共41页编号:时间:2021年x月x日书山有路勤为径,学海无涯苦作舟页码:第5页共41页注1:螺纹尺寸检验应按6.3.2的规定,选用专用的螺纹环规检验。注2:相关尺寸检验合格后,在相应的格里打“√”,不合格时打“×”,并在备注栏里加以标注。连接套筒质量记录表工程名称北京新机场工作区市政交通工程006标段钢筋规格HRB400EC28抽检数量5工程部位F4-95-2墩柱生产日期2017/8代表数量70生产厂家衡水科源钢筋连接设备有限公司接头类型剥肋滚压直螺纹I级检验结果序号套筒直径套筒螺纹检查外观检验备注塞通规塞止规牙型饱满度表面裂纹锈蚀1C28√√√√√2C28√√√√√3C28√√√√√4C28√√√√√5C28√√√√√第6页共41页第5页共41页编号:时间:2021年x月x日书山有路勤为径,学海无涯苦作舟页码:第6页共41页监理工程师:检验日期2017/9/3注1:螺纹尺寸检验应按6.3.2的规定,选用专用的螺纹环规检验。注2:相关尺寸检验合格后,在相应的格里打“√”,不合格时打“×”,并在备注栏里加以标注。连接套筒质量记录表工程名称北京新机场工作区市政交通工程006标段钢筋规格HRB400EC28抽检数量5工程部位F3-37墩柱生产日期2017/8代表数量70生产厂家衡水科源钢筋连接设备有限公司接头类型剥肋滚压直螺纹I级检验结果序号套筒直径套筒螺纹检查外观检验备注第7页共41页第6页共41页编号:时间:2021年x月x日书山有路勤为径,学海无涯苦作舟页码:第7页共41页塞通规塞止规牙型饱满度表面裂纹锈蚀1C28√√√√√2C28√√√√√3C28√√√√√4C28√√√√√5C28√√√√√监理工程师:检验日期2017/9/3注1:螺纹尺寸检验应按6.3.2的规定,选用专用的螺纹环规检验。注2:相关尺寸检验合格后,在相应的格里打“√”,不合格时打“×”,并在备注栏里加以标注。第8页共41页第7页共41页编号:时间:2021年x月x日书山有路勤为径,学海无涯苦作舟页码:第8页共41页连接套筒质量记录表工程名称北京新机场工...

1、当您付费下载文档后,您只拥有了使用权限,并不意味着购买了版权,文档只能用于自身使用,不得用于其他商业用途(如 [转卖]进行直接盈利或[编辑后售卖]进行间接盈利)。
2、本站所有内容均由合作方或网友上传,本站不对文档的完整性、权威性及其观点立场正确性做任何保证或承诺!文档内容仅供研究参考,付费前请自行鉴别。
3、如文档内容存在违规,或者侵犯商业秘密、侵犯著作权等,请点击“违规举报”。

碎片内容

连接套筒质量记录表

确认删除?
VIP
微信客服
  • 扫码咨询
会员Q群
  • 会员专属群点击这里加入QQ群
客服邮箱
回到顶部