电脑桌面
添加小米粒文库到电脑桌面
安装后可以在桌面快捷访问

质量奖申报材料范本VIP专享VIP免费

质量奖申报材料范本_第1页
1/100
质量奖申报材料范本_第2页
2/100
质量奖申报材料范本_第3页
3/100
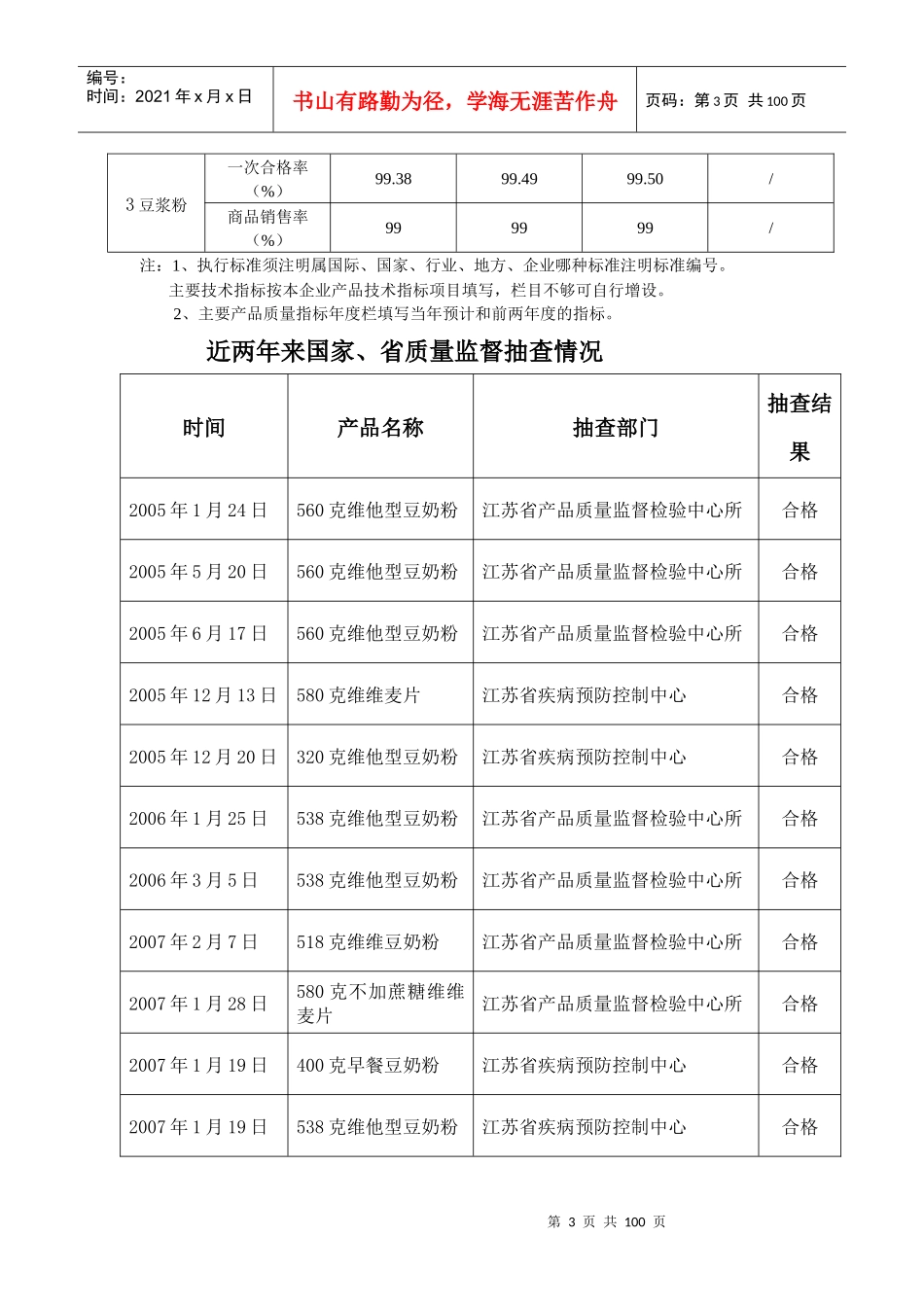
第1页共100页编号:时间:2021年x月x日书山有路勤为径,学海无涯苦作舟页码:第1页共100页企业基本情况企业隶属关系企业通讯地址、邮编铜山县人民政府徐州市维维大道300号、221111法人代表姓名、电话联系人部门、姓名、电话胡云峰0516-83290298质量管理部、郭海鹏、0516-83398867企业类型企业性质大型股份制企业职工总数工程技术人员总数10000人2600人企业经济指标时间项目单位05年06年当年预计同行业位置全省全国固定资产净值万元102225109720110000//产值万元372506400210409100//销售额万元291572314563320000//利税总额万元224542269723000//销售利润额万元132261125113000//创汇总额万元/////全员劳动生产率万元1515.516//资金周转天数天240160150//万元产值综合能耗吨标煤0.80.740.72//产销率%989899//注:1、企业类型按特大、大、中、小型填写。2、企业性质按全民、集体、乡镇、三资、股份制、私营或其他企业填写。第2页共100页第1页共100页编号:时间:2021年x月x日书山有路勤为径,学海无涯苦作舟页码:第2页共100页3、企业隶属关系按企业主管部门填写。4、企业经济指标中,有关行业企业可根据实际情况自行增设本行业有关指标项目填写。5、企业经济指标年度栏中填写当年预计或前两年度的指标。主要产品技术指标产品名称执行标准主要技术指标本企业水平国内同行业最佳水平国际先进水平1维他型豆奶粉企业标准Q/320323XD34蛋白质≥16%≥15%/脂肪≥10%≥8%/细菌总数≤30000(cfu/g)≤30000(cfu/g)/2高钙低糖豆奶粉企业标准Q/320323XD42蛋白质≥18%≥15%/脂肪≥10%≥8%/细菌总数≤30000(cfu/g)≤30000(cfu/g)/3豆浆粉企业标准Q/320323XD19蛋白质≥16%≥15%/脂肪≥10%≥8%/细菌总数≤30000(cfu/g)≤30000(cfu/g)/主要产品质量指标产品名称主要质量指标2005年2006年当年预计国际先进水平1豆奶粉一次合格率(%)99.1599.2199.25/内部质量损失(元)150752.37148974.29145000/外部质量损失(元)115749.75115364.18110000/商品销售率(%)999999/优质品率(%)////2高钙低糖豆奶粉一次合格率(%)99.7199.6599.50/商品销售率(%)999999/第3页共100页第2页共100页编号:时间:2021年x月x日书山有路勤为径,学海无涯苦作舟页码:第3页共100页3豆浆粉一次合格率(%)99.3899.4999.50/商品销售率(%)999999/注:1、执行标准须注明属国际、国家、行业、地方、企业哪种标准注明标准编号。主要技术指标按本企业产品技术指标项目填写,栏目不够可自行增设。2、主要产品质量指标年度栏填写当年预计和前两年度的指标。近两年来国家、省质量监督抽查情况时间产品名称抽查部门抽查结果2005年1月24日560克维他型豆奶粉江苏省产品质量监督检验中心所合格2005年5月20日560克维他型豆奶粉江苏省产品质量监督检验中心所合格2005年6月17日560克维他型豆奶粉江苏省产品质量监督检验中心所合格2005年12月13日580克维维麦片江苏省疾病预防控制中心合格2005年12月20日320克维他型豆奶粉江苏省疾病预防控制中心合格2006年1月25日538克维他型豆奶粉江苏省产品质量监督检验中心所合格2006年3月5日538克维他型豆奶粉江苏省产品质量监督检验中心所合格2007年2月7日518克维维豆奶粉江苏省产品质量监督检验中心所合格2007年1月28日580克不加蔗糖维维麦片江苏省产品质量监督检验中心所合格2007年1月19日400克早餐豆奶粉江苏省疾病预防控制中心合格2007年1月19日538克维他型豆奶粉江苏省疾病预防控制中心合格第4页共100页第3页共100页编号:时间:2021年x月x日书山有路勤为径,学海无涯苦作舟页码:第4页共100页2007年1月19日350克高钙低糖豆奶粉江苏省疾病预防控制中心合格企业质量管理、产品质量获奖情况(仅列部分奖项)时间获奖名称受奖部门1994.12获中国500家最佳经济效益工业企业食品制造业第5位国务院发展研究中心管理世界中国企业评价中心1997.196年同类产品全国销量第一名中国技术进步信息发布中心1997.1获96-97年度中国工业行业庄园荣誉国家统计局中国行业企业信息发布中心1997.7在97马来西亚国际名特优产品展览会上获金奖97马来西亚国际名特优产品展览会组织委员会1997.897全国市场品牌调查活...

1、当您付费下载文档后,您只拥有了使用权限,并不意味着购买了版权,文档只能用于自身使用,不得用于其他商业用途(如 [转卖]进行直接盈利或[编辑后售卖]进行间接盈利)。
2、本站所有内容均由合作方或网友上传,本站不对文档的完整性、权威性及其观点立场正确性做任何保证或承诺!文档内容仅供研究参考,付费前请自行鉴别。
3、如文档内容存在违规,或者侵犯商业秘密、侵犯著作权等,请点击“违规举报”。

碎片内容

质量奖申报材料范本

确认删除?
VIP
微信客服
  • 扫码咨询
会员Q群
  • 会员专属群点击这里加入QQ群
客服邮箱
回到顶部